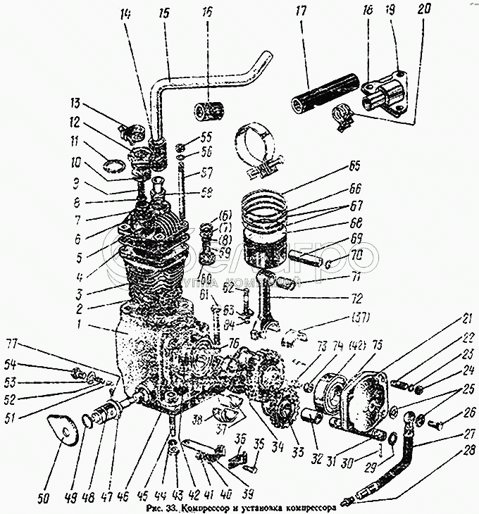
Каталог запасных частей к технике: МТЗ-100. Компрессор и установка компрессора

zoom-in zoom-out enlarge shrink circle-right circle-left file-text2 info cart arraw right arraw left zoom out zoom in arraw maximize arraw minimize
1
2
3
4
5
6
6
7
7
8
8
9
10
11
12
13
14
15
16
17
18
19
20
21
22
23
24
25
26
27
28
29
30
31
32
33
34
35
36
37
37
38
39
40
41
42
42
43
44
45
46
47
48
49
50
51
52
53
54
55
56
57
58
59
60
61
62
63
64
65
66
67
68
69
70
71
72
73
74
75
76
77
46
240-3509037-А
Прокладка
В узле: 1
240-3509037-А Прокладка МТЗ, ЗИЛ, ПАЗ компрессора >10 шт. 8.54 р.
27
240-3509150
Маслопровод
В узле: 1
240-3509150 Маслопровод МТЗ, ЗИЛ компрессора, L=352 мм, ММЗ* Под заказ 720.69 р.
240-3509150 Маслопровод МТЗ, ЗИЛ компрессора, L=352 мм, (А) Под заказ 55.39 р.
25
36-1104788
Прокладка
В узле: 2
36-1104788 Шайба 10.0х16.0х1.5 Д-240, Д-245 уплотнительная медная, (А) Под заказ 4.48 р.
А29.01.250
Валик управления с кольцом и рычагом в сборе
В узле: 1
А29.01.250 Валик управления МТЗ компрессора, БЗА* >10 шт. 877.20 р.
28
240-3509232
Штуцер
В узле: 1
240-3509232 Штуцер МТЗ, ЗИЛ маслопровода компрессора, L=31мм, (А) Под заказ 23.55 р.
А29.01.000
Компрессор в сборе
В узле: 1
А29.01.000 Пневмокомпрессор МТЗ SPILE Под заказ 8 742.96 р.
А29.01.050
Головка цилиндров в сборе
В узле: 1
А29.01.200
Шестерня со втулкой в сборе
В узле: 1
А29.01.150
Шатун в сборе
В узле: 1
А29.01.100
Поршень и шатун в сборе
В узле: 1
1
А29.01.001
Картер
В узле: 1
2
А29.01.006
Прокладка
В узле: 1
3
А29.01.002
Цилиндр
В узле: 1
4
А29.01.008
Прокладка
В узле: 1
5
А29.01.051
Головка цилиндра
В узле: 1
6
А29.01.057
Прокладка
В узле: 2
7
А29.01.062
Седло клапана
В узле: 2
8
А29.01.061
Клапан
В узле: 2
9
А29.01.056
Пружина клапана
В узле: 1
10
А29.01.052
Корпус клапана
В узле: 1
11
А29.01.054
Прокладка
В узле: 1
12
А29.01.053
Пробка
В узле: 1
13
ХЧП10-01.019
Хомут
В узле: 4
14
18-30-50-10
Рукав-деталь
В узле: 1
15
245-3509350
Труба
В узле: 1
16
245-3509214
Прокладка
В узле: 1
17
18-30-155-10
Рукав-деталь
В узле: 1
18
240-3509157
Прокладка
В узле: 1
19
240-3509212-Б
Патрубок
В узле: 1
20
ХЧП10.019
Хомут стяжной
В узле: 1
21
А29.01.003
Крышка
В узле: 1
22
М8хТо/6gх18
Шпилька
В узле: 4
23
ШП8
Шайба
В узле: 4
24
М8
Гайка
В узле: 4
26
240-3509233
Болт
В узле: 1
29
014-018-25-2-1
Кольцо
В узле: 2
30
4С3х28
Штифт
В узле: 1
31
А29.01.301
Ось шестерни
В узле: 1
32
А29.01.202
Втулка
В узле: 1
33
А29.01.201
Шестерня
В узле: 1
34
А29.01.004
Вал коленчатый
В узле: 1
35
М6х16
Винт
В узле: 1
36
240-3509159
Скоба
В узле: 1
37
А29.01.106
Вкладыш шатуна
В узле: 2
38
А29.01.152
Крышка шатуна
В узле: 1
39
240-3509158
Хомут
В узле: 1
40
ШП6
Шайба
В узле: 1
41
М6
Гайка
В узле: 1
42
207
Шарикоподшипник
В узле: 2
43
М10
Гайка
В узле: 3
44
ШП10
Шайба
В узле: 4
45
М10хТо/6gх28
Шпилька
В узле: 3
47
А29.01.016
Сухарик
В узле: 1
48
А29.01.251
Валик
В узле: 1
49
020-025-30-2-1
Кольцо
В узле: 1
50
А29.01.252
Рычаг
В узле: 1
51
А29.01.005
Фиксатор
В узле: 1
52
310
Прокладка
В узле: 1
53
А29.01.017
Прокладка
В узле: 1
54
А29.01.018
Пробка
В узле: 1
64
М8х1
Гайка
В узле: 2
56
ШЧ8
Шайба
В узле: 4
57
М8х1,25То/1-6х95
Шпилька
В узле: 4
58
А29.01.059
Штуцер
В узле: 1
59
А29.01.055
Пружина клапана
В узле: 1
60
А29.01.058
Корпус клапана
В узле: 1
61
А29.01.153
Болт
В узле: 2
62
М10х65
Болт
В узле: 1
63
А29.01.154
Шайба стопорная
В узле: 2
65
А29.01.103
Кольцо компрессионное
В узле: 1
66
А29.01.104
Кольцо компрессионное
В узле: 1
67
А29.01.105
Кольцо маслосъемное
В узле: 2
68
А29.01.101
Поршень
В узле: 1
69
А29.01.107
Палец
В узле: 1
70
А29.01.102
Кольцо стопорное
В узле: 2
71
А29.01.155
Втулка
В узле: 1
72
А29.01.151
Шатун
В узле: 1
73
А29.01.013-А
Пружина
В узле: 1
74
А29.01.014
Уплотнитель
В узле: 1
75
А29.01.009
Прокладка
В узле: 1
76
А29.01.019
Уплотнитель крышки
В узле: 1
77
3,2х40
Шплинт
В узле: 1
Содержащиеся в справочниках-каталогах запасные части и детали не предлагаются к продаже, а носят исключительно информационный характер

Ваша заявка была отправлена. В ближайшее время наши специалисты с Вами свяжутся по указанному Вами телефону.

Представьтесь
Поле обязательно для заполнения
Ваш телефон
Введите правильный номер телефона
E-mail
Введите правильный e-mail
Тема
Тема
применяемость финансирование доставка цена, наличие другое сервис и гарантия
Время для звонка
08:00
08:00 09:00 10:00 11:00 12:00 13:00 14:00 15:00 16:00 17:00 18:00 19:00
19:00
08:00 09:00 10:00 11:00 12:00 13:00 14:00 15:00 16:00 17:00 18:00 19:00

Мы постараемся перезвонить в указанное время

Если вы не хотите ждать, то звоните нашим вежливым консультантам:

8 800 100-2-700
Подтвердите, что вы не робот
Подтвердите, что вы не робот
Спасибо!

Ваше сообщение успешно отправлено!

ЗакрытьПовторить попытку