Каталог запасных частей к технике: МТЗ-100. Схема электрооборудования

zoom-in zoom-out enlarge shrink circle-right circle-left file-text2 info cart arraw right arraw left zoom out zoom in arraw maximize arraw minimize
1
1
2
2
2
2
3
4
5
6
7
8
9
9
10
11
12
12
13
14
15
15
16
17
18
19
20
20
21
22
23
24
25
26
27
28
29
30
31
32
33
34
35
36
37
38
39
40
41
42
43
44
45
46
43
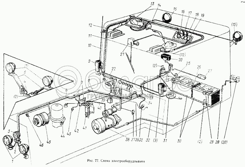
ТМ100В
Датчик
В узле: 1
ТМ100В Датчик температуры охлаждающей жидкости (под болт) Под заказ 268.55 р.
12
19.3730
Электродвигатель вентилятора
В узле: 2
19.3730 Привод вентилятора отопителя (ЗИЛ, РАФ, МТЗ) Под заказ 1 829.19 р.
1
8703 11/017
Фара
В узле: 2
2
ПС1-А2
Панель
В узле: 3
3
С311-В
Сигнал звуковой
В узле: 1
4
85-3724025
Жгут
В узле: 2
5
80-3711010
Кронштейн
В узле: 2
6
85-3724061
Жгут
В узле: 1
7
111.3747
Реле (унифицированная кабина)
В узле: 1
8
85-3724035
Провод
В узле: 1
9
23.3712
Фонарь передний
В узле: 2
10
АР112
Антенна
В узле: 1
11
85-3724050
Жгут
В узле: 1
13
А373М
Радиоприемник
В узле: 1
14
111.3714010
Плафон
В узле: 1
15
30.3711
Фара задняя
В узле: 2
16
УБ-126
Приемник указателя уровня топлива (обычная кабина)
В узле: 1
17
ВК343-01.05
Выключатель задних фар
В узле: 1
18
П147-04.11
Переключатель электродвигателей вентилятора
В узле: 1
19
П147-09.09
Выключатель стеклоочистителя
В узле: 1
20
33.3716
Фонарь задний
В узле: 2
21
8746.100
Стеклоочиститель
В узле: 1
22
85-3724130
Жгут к передним фонарям
В узле: 1
23
ВК318-Б
Выключатель массы
В узле: 1
24
50-3724075-Б1
Провод
В узле: 1
25
ПС300А-100
Розетка штепсельная
В узле: 1
26
70-3724042
Провод
В узле: 1
27
ФП131
Фонарь освещения номерного знака
В узле: 1
28
85-3724160
Жгут к задним фонарям
В узле: 2
29
47К
Розетка
В узле: 1
30
ЗСТ-225ЭМ
Батарея аккумуляторная
В узле: 2
31
БМ128Д
Датчик указателя уровня топлива
В узле: 1
32
70-3724041
Провод
В узле: 1
33
85-3724101
Жгут
В узле: 1
34
11.3704
Выключатель приспособления легковоспламеняющейся жидкости
В узле: 1
35
ВК418
Выключатель
В узле: 1
36
85-3724015
Жгут
В узле: 1
37
ВК415
Выключатель стоп-сигнала
В узле: 1
38
24.3708
Стартер
В узле: 1
39
А0-1
Стеклоомыватель
В узле: 1
40
70-3724040-А
Жгут
В узле: 1
41
1701.3741
Приспособления для впрыска легковоспламеняющейся жидкости
В узле: 1
42
РС502
Реле стартера
В узле: 1
44
ММ111-Б
Датчик сигнализации давления масла
В узле: 1
45
46 3701
Генератор
В узле: 1
46
ТМ112
Датчик сигнализатора температуры воды
В узле: 1
Содержащиеся в справочниках-каталогах запасные части и детали не предлагаются к продаже, а носят исключительно информационный характер

Ваша заявка была отправлена. В ближайшее время наши специалисты с Вами свяжутся по указанному Вами телефону.

Представьтесь
Поле обязательно для заполнения
Ваш телефон
Введите правильный номер телефона
E-mail
Введите правильный e-mail
Тема
Тема
применяемость финансирование доставка цена, наличие другое сервис и гарантия
Время для звонка
08:00
08:00 09:00 10:00 11:00 12:00 13:00 14:00 15:00 16:00 17:00 18:00 19:00
19:00
08:00 09:00 10:00 11:00 12:00 13:00 14:00 15:00 16:00 17:00 18:00 19:00

Мы постараемся перезвонить в указанное время

Если вы не хотите ждать, то звоните нашим вежливым консультантам:

8 800 100-2-700
Подтвердите, что вы не робот
Подтвердите, что вы не робот
Спасибо!

Ваше сообщение успешно отправлено!

ЗакрытьПовторить попытку