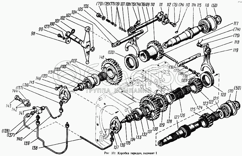
Каталог запасных частей к технике: МТЗ-100. Коробка передач (вариант 1)

zoom-in zoom-out enlarge shrink circle-right circle-left file-text2 info cart arraw right arraw left zoom out zoom in arraw maximize arraw minimize
98
99
100
101
102
103
104
105
106
107
107
108
109
110
111
112
113
114
115
116
117
118
119
120
120
121
122
123
123
124
125
126
127
128
129
130
131
132
132
133
133
134
134
135
135
136
136
137
137
137
138
139
139
140
141
142
143
144
145
146
147
148
134
52-2308097
Гайка
В узле: 2
52-2308097 Гайка МТЗ полуоси редуктора конечной передачи, САЗ* Под заказ 335.02 р.
52-2308097 Гайка МТЗ полуоси редуктора конечной передачи, (А) Под заказ 28.29 р.
131
80-1701306
Шайба
В узле: 1
80-1701306 Шайба МТЗ вала пониженных передач >10 шт. 771.81 р.
139
80-1701430
Трубка
В узле: 1
80-1701430 Трубка МТЗ дросселя Под заказ 728.45 р.
130
80-1701340
Шестерня
В узле: 1
80-1701340 Шестерня МТЗ вала пониженных передач <10 шт. 8 247.63 р.
126
80-1701346
Втулка
В узле: 1
80-1701346 Втулка МТЗ КПП вала пониженных передач <10 шт. 4 287.96 р.
138
80-1701420
Трубка
В узле: 1
80-1701420 Трубка МТЗ вала пониженных передач КПП Под заказ 744.36 р.
121
80-1701339
Втулка
В узле: 1
80-1701339 Втулка МТЗ КПП вала пониженных передач <10 шт. 895.13 р.
118
85-1702027
Вилка
В узле: 1
85-1702027 Вилка МТЗ Под заказ 4 838.19 р.
80-1701320
Вал в сборе
В узле: 1
80-1701050
Вал 80-1701252 в сборе
В узле: 1
80-1701200
Шестерня в сборе
В узле: 1
80-1701310
Стакан со штуцером и трубкой в сборе
В узле: 2
80-1701380
Поршень с шариком в сборе
В узле: 1
80-1700010
Коробка передач в сборе
В узле: 1
85-1700010
Коробка передач
В узле: 1
82-1700010
Коробка передач
В узле: 1
80-1701140
Гнездо с валом и подшипником в сборе
В узле: 1
80-1701520
Вал в сборе
В узле: 1
86-1700010
Коробка передач
В узле: 1
98
85-1702043
Пластина
В узле: 1
99
М10х20
Болт
В узле: 1
100
85-1702042
Ось
В узле: 1
101
026-030-25-1-4
Кольцо
В узле: 1
102
85-1702041
Коромысло
В узле: 1
103
2625
Кольцо
В узле: 1
104
85-5702049
Палец сферический
В узле: 1
105
85-1702039
Поводок
В узле: 1
106
4М12х25
Болт
В узле: 3
107
1-4h12х16
Ось
В узле: 1
108
85-1702028
Вилка
В узле: 1
109
85-1702036
Поводок
В узле: 1
110
80-1701347
Шестерня
В узле: 1
111
85-1702044
Поводок
В узле: 1
112
85-1702045
Поводок
В узле: 1
113
6х10
Заклепка
В узле: 1
114
80-1701325
Вал
В узле: 1
115
50309-К
Подшипник
В узле: 2
116
100
Кольцо
В узле: 2
117
85-1702046
Палец
В узле: 1
119
85-1702035
Поводок
В узле: 1
120
80-1701343
Муфта
В узле: 2
122
80-1701351
Шестерня
В узле: 1
123
664910-Д
Подшипник
В узле: 2
124
664714-Д
Подшипник
В узле: 2
125
80-1701361
Шестерня
В узле: 1
127
80-1701335
Вал
В узле: 1
128
2В70
Кольцо
В узле: 1
129
80-1701344
Шестерня
В узле: 1
132
12507-КМ
Подшипник
В узле: 2
133
80-1701305
Шайба
В узле: 2
135
86-1701053
Дроссель
В узле: 3
136
80-1701311
Стакан
В узле: 2
137
240-1404093
Штуцер
В узле: 4
140
80-1701590
Трубка
В узле: 1
141
80-1701057
Штуцер
В узле: 1
142
Д18-055
Шайба
В узле: 2
143
Д18-051
Болт
В узле: 1
144
80-1701426
Переходник
В узле: 1
145
4М8х25
Болт
В узле: 4
146
ШП8
Шайба
В узле: 4
147
80-1701332
Шайба
В узле: 1
148
80-1701331
Шестерня
В узле: 1
Содержащиеся в справочниках-каталогах запасные части и детали не предлагаются к продаже, а носят исключительно информационный характер

Ваша заявка была отправлена. В ближайшее время наши специалисты с Вами свяжутся по указанному Вами телефону.

Представьтесь
Поле обязательно для заполнения
Ваш телефон
Введите правильный номер телефона
E-mail
Введите правильный e-mail
Тема
Тема
применяемость финансирование доставка цена, наличие другое сервис и гарантия
Время для звонка
08:00
08:00 09:00 10:00 11:00 12:00 13:00 14:00 15:00 16:00 17:00 18:00 19:00
19:00
08:00 09:00 10:00 11:00 12:00 13:00 14:00 15:00 16:00 17:00 18:00 19:00

Мы постараемся перезвонить в указанное время

Если вы не хотите ждать, то звоните нашим вежливым консультантам:

8 800 100-2-700
Подтвердите, что вы не робот
Подтвердите, что вы не робот
Спасибо!

Ваше сообщение успешно отправлено!

ЗакрытьПовторить попытку