Каталог запасных частей к технике: МТЗ-100. Коробка передач (вариант 1)

zoom-in zoom-out enlarge shrink circle-right circle-left file-text2 info cart arraw right arraw left zoom out zoom in arraw maximize arraw minimize
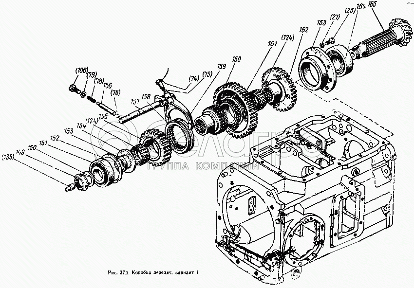
149
150
151
152
153
154
155
156
157
158
159
160
161
162
163
164
149
80-1701045
Гайка
В узле: 1
80-1701045 Гайка МТЗ, БЗТДиА >10 шт. 999.12 р.
150
80-1701056
Шайба
В узле: 1
80-1701056 Шайба МТЗ валов КПП Под заказ 244.32 р.
160
80-1701348
Втулка
В узле: 1
80-1701348 Втулка КПП МТЗ вала вторичного Под заказ 6 844.63 р.
152
80-1701256
Кольцо
В узле: 1
80-1701256 Кольцо МТЗ стопорное вторичного вала КПП Под заказ 352.93 р.
156
85-1702048
Штифт
В узле: 1
85-1702048 Штифт МТЗ Под заказ 190.93 р.
153
80-1701254
Шайба
В узле: 1
80-1701254 Шайба МТЗ вала вторичного КПП Под заказ 1 885.13 р.
80-1701320
Вал в сборе
В узле: 1
80-1701520
Вал в сборе
В узле: 1
80-1701140
Гнездо с валом и подшипником в сборе
В узле: 1
82-1700010
Коробка передач
В узле: 1
85-1700010
Коробка передач
В узле: 1
86-1700010
Коробка передач
В узле: 1
80-1700010
Коробка передач в сборе
В узле: 1
80-1701380
Поршень с шариком в сборе
В узле: 1
80-1701310
Стакан со штуцером и трубкой в сборе
В узле: 2
80-1701200
Шестерня в сборе
В узле: 1
80-1701050
Вал 80-1701252 в сборе
В узле: 1
151
7310
Подшипник
В узле: 1
154
80-1701345
Шайба
В узле: 1
155
80-1701314
Шестерня
В узле: 1
157
85-1702037
Поводок
В узле: 1
158
80-1701316
Муфта
В узле: 1
159
85-1702029
Вилка
В узле: 1
161
80-1701312
Шестерня
В узле: 1
162
80-1701313
Шестерня
В узле: 1
163
80-1701141
Гнездо
В узле: 1
164
У7712м
Подшипник
В узле: 1
165
80-1701252
Вал
В узле: 1
Содержащиеся в справочниках-каталогах запасные части и детали не предлагаются к продаже, а носят исключительно информационный характер

Ваша заявка была отправлена. В ближайшее время наши специалисты с Вами свяжутся по указанному Вами телефону.

Представьтесь
Поле обязательно для заполнения
Ваш телефон
Введите правильный номер телефона
E-mail
Введите правильный e-mail
Тема
Тема
применяемость финансирование доставка цена, наличие другое сервис и гарантия
Время для звонка
08:00
08:00 09:00 10:00 11:00 12:00 13:00 14:00 15:00 16:00 17:00 18:00 19:00
19:00
08:00 09:00 10:00 11:00 12:00 13:00 14:00 15:00 16:00 17:00 18:00 19:00

Мы постараемся перезвонить в указанное время

Если вы не хотите ждать, то звоните нашим вежливым консультантам:

8 800 100-2-700
Подтвердите, что вы не робот
Подтвердите, что вы не робот
Спасибо!

Ваше сообщение успешно отправлено!

ЗакрытьПовторить попытку