Каталог запасных частей к технике: МТЗ-100. Привод насосов гидравлической системы отбора мощности

zoom-in zoom-out enlarge shrink circle-right circle-left file-text2 info cart arraw right arraw left zoom out zoom in arraw maximize arraw minimize
1
2
2
3
4
5
6
7
7
8
8
9
10
11
11
12
13
14
15
16
17
17
18
19
20
21
22
23
24
25
10
85-4604030
Вилка
В узле: 1
85-4604030 Вилка МТЗ Под заказ 875.47 р.
100-4617120
Вал в сборе
В узле: 1
100-4617120 Вал МТЗ <10 шт. 20 023.61 р.
6
100-4617114
Втулка
В узле: 1
100-4617114 Втулка МТЗ, БЗТДиА Под заказ 1 225.69 р.
25
100-4617117
Колесо зубчатое
В узле: 1
100-4617117 Колесо зубчатое МТЗ Под заказ 5 013.49 р.
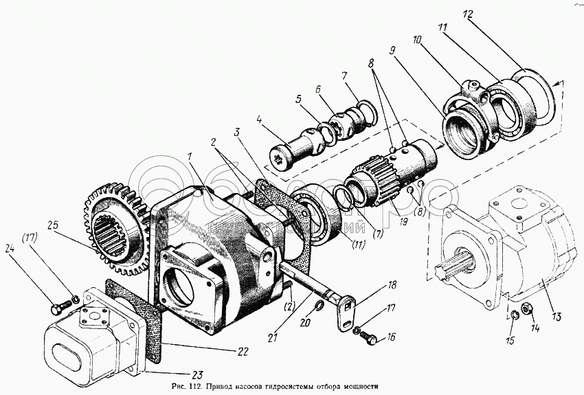
100-4617110
Привод насосов в сборе
В узле: 1
1
100-4617111
Корпус
В узле: 1
2
М10х25
Болт
В узле: 4
3
50-1022062-Б
Прокладка
В узле: 1
4
100-4617116
Втулка
В узле: 1
5
100-3617123
Кольцо
В узле: 1
7
2В40
Кольцо
В узле: 2
8
11,112
Шарик
В узле: 6
9
100-4617113
Муфта
В узле: 1
11
210
Подшипник
В узле: 2
12
100-4617121
Кольцо
В узле: 1
13
НШ32А-3
Насос шестеренный
В узле: 1
14
М10
Гайка
В узле: 4
15
ШП10 ОТ
Шайба
В узле: 4
16
4М8х16
Болт
В узле: 1
17
ШП8 ОТ
Шайба
В узле: 5
18
100-4617119
Пластина
В узле: 1
19
100-4617112
Вал
В узле: 1
20
013-017-25-1-4
Кольцо
В узле: 1
21
100-4617118
Ось
В узле: 1
22
36-1022054-А
Прокладка
В узле: 1
23
НШ10-3-Л
Насос шестеренный в сборе
В узле: 1
24
4М8х35
Болт
В узле: 4
Содержащиеся в справочниках-каталогах запасные части и детали не предлагаются к продаже, а носят исключительно информационный характер

Ваша заявка была отправлена. В ближайшее время наши специалисты с Вами свяжутся по указанному Вами телефону.

Представьтесь
Поле обязательно для заполнения
Ваш телефон
Введите правильный номер телефона
E-mail
Введите правильный e-mail
Тема
Тема
применяемость финансирование доставка цена, наличие другое сервис и гарантия
Время для звонка
08:00
08:00 09:00 10:00 11:00 12:00 13:00 14:00 15:00 16:00 17:00 18:00 19:00
19:00
08:00 09:00 10:00 11:00 12:00 13:00 14:00 15:00 16:00 17:00 18:00 19:00

Мы постараемся перезвонить в указанное время

Если вы не хотите ждать, то звоните нашим вежливым консультантам:

8 800 100-2-700
Подтвердите, что вы не робот
Подтвердите, что вы не робот
Спасибо!

Ваше сообщение успешно отправлено!

ЗакрытьПовторить попытку