Каталог запасных частей к технике: МТЗ-100. Сумматор

zoom-in zoom-out enlarge shrink circle-right circle-left file-text2 info cart arraw right arraw left zoom out zoom in arraw maximize arraw minimize
1
2
3
3
3
3
4
5
5
6
6
6
7
8
9
9
10
11
12
13
14
15
16
16
17
18
18
19
20
20
21
22
23
24
25
25
26
27
27
28
28
29
30
31
32
33
33
34
34
35
35
36
36
37
38
39
40
41
42
43
44
45
46
47
48
49
50
51
52
53
54
55
56
57
57
58
59
60
61
62
63
64
65
66
67
68
69
70
71
72
73
74
20
018-022-25-2-2
Кольцо
В узле: 2
018-022-25-2-2 Кольцо уплотнительное, Беларусь >10 шт. 10.96 р.
6
013-017-25-2-2
Кольцо
В узле: 7
013-017-25-2-2 Кольцо уплотнительное, Беларусь Под заказ 6.58 р.
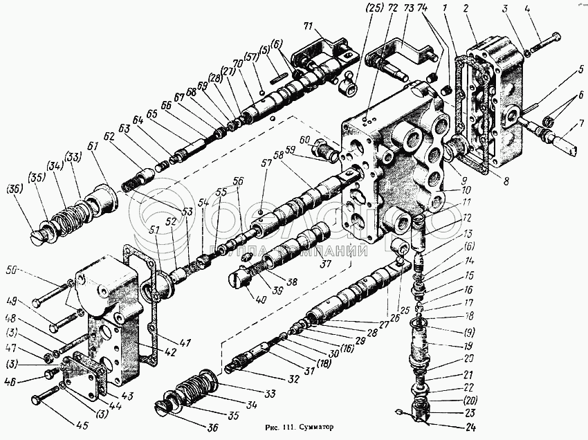
101-4602040
Золотник 101-4602016 в сборе
В узле: 1
Р75-В-006
Гильза золотника в сборе
В узле: 1
101-4602010
Сумматор
В узле: 1
101-4602020
Корпус с шариком в сборе
В узле: 1
101-4602060
Клапан Р40/75-0808062 в сборе
В узле: 1
101-4602030
Золотник в сборе
В узле: 1
101-4602070
Клапан 101-4602039 в сборе
В узле: 1
101-4602050
Золотник 101-4602017 в сборе
В узле: 1
1
101-4602019
Прокладка
В узле: 1
2
101-4602012
Крышка
В узле: 1
3
ШП8
Шайба
В узле: 19
4
4М8х60
Болт
В узле: 9
5
4х30
Штифт
В узле: 3
7
101-4602080
Рычаг
В узле: 1
8
101-4602027
Пробка
В узле: 1
9
024-028-25-2-4
Кольцо
В узле: 1
10
101-4602011
Корпус
В узле: 1
11
018-021-19-2-4
Кольцо
В узле: 1
12
101-4602037
Гильза
В узле: 1
13
101-4602039
Клапан
В узле: 1
14
101-4602041
Пружина
В узле: 1
15
101-4602038
Седло
В узле: 1
16
Р40/75-0808062
Клапан
В узле: 2
17
Р80-23.20.059
Направляющая
В узле: 1
18
Р40/75-0808048-Б
Пружина
В узле: 2
19
101-4602036
Корпус
В узле: 1
21
Р80-049
Винт
В узле: 1
22
Р75-058-Б
Гайка
В узле: 1
23
Р75-051-Б
Колпачок
В узле: 1
24
0,8-1х150
Проволока
В узле: 1
25
101-4602028
Рычаг
В узле: 3
26
101-4602017
Золотник
В узле: 1
27
Р75-В-052
Фильтр
В узле: 1
28
Р75-В-028-А
Прокладка
В узле: 1
29
101-4602048
Седло
В узле: 1
30
101-4602042
Направляющая
В узле: 1
31
101-4002047
Гильза
В узле: 1
32
101-4602046
Винт
В узле: 1
33
Р75-034
Стакан верхний
В узле: 2
34
Р75-В-035
Пружина золотника
В узле: 2
35
Р75-033
Стакан нижний
В узле: 2
36
101-4602024
Пробка
В узле: 2
37
101-4602018
Золотник
В узле: 1
38
101-4602031
Пружина
В узле: 1
39
101-4602051
Штифт
В узле: 1
40
101-4602029
Упор
В узле: 1
41
101-4602021
Прокладка
В узле: 1
42
101-4602013
Крышка
В узле: 1
43
101-4602053
Прокладка
В узле: 1
44
101-4602052
Крышка
В узле: 1
45
4М8х55
Болт
В узле: 2
46
4М8х16
Болт
В узле: 2
47
М8
Гайка
В узле: 2
48
М8х60
Шпилька
В узле: 2
49
4М8х50
Болт
В узле: 2
50
4М8х75
Болт
В узле: 2
51
101-4602023
Обойма
В узле: 1
52
101-4602026-01
Втулка
В узле: 1
53
Р75-В-032
Пружина
В узле: 2
54
101-4602033
Пробка
В узле: 1
55
101-4602034
Пружина
В узле: 1
56
101-4602032
Золотник
В узле: 1
57
Р75-В-30
Фиксатор
В узле: 6
58
101-4602016
Золотник
В узле: 1
59
018-022-25-2-3
Кольцо
В узле: 1
60
Р75-066
Заглушка
В узле: 1
61
101-4602022
Обойма
В узле: 1
62
101-4602026
Втулка
В узле: 1
63
Р75-В-025-Б
Бустер
В узле: 1
64
Р75-В-044-А
Винт регулировочный
В узле: 1
65
Р75-В-046-А
Гильза золотника
В узле: 1
66
Р75-В-036
Пружина бустера
В узле: 1
67
Р75-В-045
Направляющая клапана
В узле: 1
68
Р75-В-026
Клапан бустера
В узле: 1
69
Р75-В-027-А
Гнездо клапана
В узле: 1
70
101-4602014
Золотник
В узле: 1
71
101-4602090
Рычаг
В узле: 1
72
IV 5,556
Шарик
В узле: 3
73
101-4602090-01
Рычаг
В узле: 1
74
4КГ1/4"
Пробка
В узле: 2
Содержащиеся в справочниках-каталогах запасные части и детали не предлагаются к продаже, а носят исключительно информационный характер

Ваша заявка была отправлена. В ближайшее время наши специалисты с Вами свяжутся по указанному Вами телефону.

Представьтесь
Поле обязательно для заполнения
Ваш телефон
Введите правильный номер телефона
E-mail
Введите правильный e-mail
Тема
Тема
применяемость финансирование доставка цена, наличие другое сервис и гарантия
Время для звонка
08:00
08:00 09:00 10:00 11:00 12:00 13:00 14:00 15:00 16:00 17:00 18:00 19:00
19:00
08:00 09:00 10:00 11:00 12:00 13:00 14:00 15:00 16:00 17:00 18:00 19:00

Мы постараемся перезвонить в указанное время

Если вы не хотите ждать, то звоните нашим вежливым консультантам:

8 800 100-2-700
Подтвердите, что вы не робот
Подтвердите, что вы не робот
Спасибо!

Ваше сообщение успешно отправлено!

ЗакрытьПовторить попытку