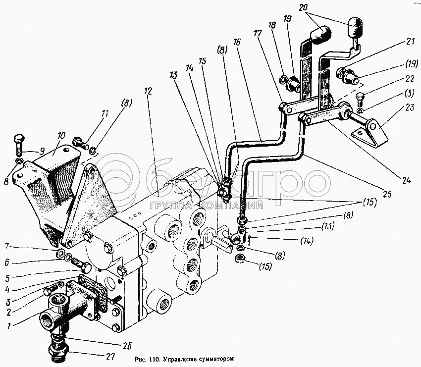
Каталог запасных частей к технике: МТЗ-100. Управление сумматором

zoom-in zoom-out enlarge shrink circle-right circle-left file-text2 info cart arraw right arraw left zoom out zoom in arraw maximize arraw minimize
1
2
3
3
4
5
6
7
8
8
8
8
8
9
10
11
12
13
13
14
14
15
15
15
16
17
18
19
19
20
21
22
23
24
25
26
27
20
А13.11.000
Рукоятка
В узле: 2
А13.11.000 Рукоятка МТЗ управления подачей топлива Под заказ 51.22 р.
19
50-4607082-А
Втулка
В узле: 2
50-4607082А Втулка МТЗ блокировки дифференциала, Беларусь Под заказ 8.20 р.
13
80-4616051
Ползун
В узле: 2
80-4616051 Ползун МТЗ Под заказ 181.13 р.
85-4602150
Тяга 85-4602114 в сборе
В узле: 1
85-4602150-01
Тяга 85-4602114-01 в сборе
В узле: 1
85-4602110
Механизм управления в сборе
В узле: 1
1
85-4602212
Патрубок
В узле: 1
2
М8х25
Болт
В узле: 2
3
ШП8Т
Шайба
В узле: 4
4
85-4602216
Прокладка
В узле: 1
5
4М12х35
Болт
В узле: 1
6
ШП12 ОТ
Шайба
В узле: 1
7
ШЧ12
Шайба
В узле: 1
8
ШП10Т
Шайба
В узле: 9
9
4М10х40
Болт
В узле: 2
10
85-4602111
Кронштейн
В узле: 1
11
М10х25
Болт
В узле: 3
12
101-4602010
Сумматор
В узле: 1
14
3,2х18
Шплинт
В узле: 2
15
М10
Гайка
В узле: 4
16
85-4602114
Тяга
В узле: 1
17
85-4602140
Рычаг
В узле: 1
18
1Б12
Кольцо
В узле: 1
21
85-462122
Втулка
В узле: 1
22
4М8х20
Болт
В узле: 2
23
85-4602120
Кронштейн
В узле: 1
24
85-4602130
Рычаг
В узле: 1
25
85-4602114-01
Тяга
В узле: 1
26
021-024-19-1-4
Кольцо
В узле: 1
27
85-4602228
Штуцер
В узле: 1
Содержащиеся в справочниках-каталогах запасные части и детали не предлагаются к продаже, а носят исключительно информационный характер

Ваша заявка была отправлена. В ближайшее время наши специалисты с Вами свяжутся по указанному Вами телефону.

Представьтесь
Поле обязательно для заполнения
Ваш телефон
Введите правильный номер телефона
E-mail
Введите правильный e-mail
Тема
Тема
применяемость финансирование доставка цена, наличие другое сервис и гарантия
Время для звонка
08:00
08:00 09:00 10:00 11:00 12:00 13:00 14:00 15:00 16:00 17:00 18:00 19:00
19:00
08:00 09:00 10:00 11:00 12:00 13:00 14:00 15:00 16:00 17:00 18:00 19:00

Мы постараемся перезвонить в указанное время

Если вы не хотите ждать, то звоните нашим вежливым консультантам:

8 800 100-2-700
Подтвердите, что вы не робот
Подтвердите, что вы не робот
Спасибо!

Ваше сообщение успешно отправлено!

ЗакрытьПовторить попытку