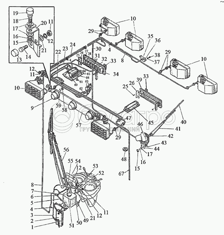
Каталог запасных частей к технике: МТЗ-2022. Электрооборудование по кабине

zoom-in zoom-out enlarge shrink circle-right circle-left file-text2 info cart arraw right arraw left zoom out zoom in arraw maximize arraw minimize
1
2
3
4
4
4
5
6
7
8
8
9
10
10
10
11
11
11
12
12
12
12
13
14
15
15
16
16
17
17
18
19
20
21
21
22
23
24
25
25
26
26
27
28
29
29
29
30
31
32
33
33
34
35
36
37
38
39
40
41
42
43
44
45
46
47
48
49
49
49
49
50
51
52
53
54
55
56
57
58
59
60
61
62
63
64
65
66
67
19
А30.04.017-01
Колпачок
В узле: 2
А30.04.017-01 Колпачок МТЗ, Беларусь >10 шт. 4.53 р.
13
А30.04.017
Колпачок
В узле: 2
А30.04.017 Колпачок Под заказ 4.53 р.
57
80-3738001
Кронштейн
В узле: 1
80-3738001 Кронштейн МТЗ знака автопоезда под фонарь ФА-1 Под заказ 493.44 р.
10
8724.304/301
Фара
В узле: 6
8724.304/301 Фара МТЗ прямоугольная, пластик, поворотн. крепл., Беларусь Под заказ 1 271.28 р.
33
80-3801327
Заглушка
В узле: 2
80-3801327 Заглушка МТЗ <10 шт. 84.80 р.
23
923-3724353-Б
Жгут
В узле: 1
923-3724353-Б Жгут отопителя <10 шт. 475.63 р.
61
80-3805065
Винт
В узле: 1
80-3805065 Винт МТЗ, Беларусь Под заказ 24.19 р.
1
923-3712016
Прокладка
В узле: 1
2
923-3712017
Кронштейн
В узле: 1
52
923-3724130-В
Жгут
В узле: 1
4
80-3723045
Манжета
В узле: 8
5
923-5208002
Трубка
В узле: 1
6
5208.15
Распределитель
В узле: 1
7
122.5208000
Омыватель
В узле: 1
8
923-5208002-01
Трубка
В узле: 1
9
3738.10
Фонарь автопоезда
В узле: 3
11
М6
Гайка
В узле: 9
12
ШП6
Шайба
В узле: 17
14
М6Х16
Болт
В узле: 2
15
М8
Гайка
В узле: 6
16
ШП8
Шайба
В узле: 6
17
ШЧ6
Шайба
В узле: 6
18
М8х20
Болт
В узле: 2
20
90-8402071-01
Кронштейн
В узле: 2
21
ШЧ8
Шайба
В узле: 6
22
923-3724233-А
Жгут
В узле: 1
24
923-3724350-Б
Жгут
В узле: 1
38
4x10
Винт
В узле: 2
26
923-3801344
Пластина
В узле: 4
27
3710.40
Выключатель знака автопоезда
В узле: 1
28
3709.35
Переключатель стеклоочиститех лоомывателя
В узле: 1
29
923-3723024
Втулка
В узле: 14
30
923-3724014-Б
Жгут
В узле: 1
31
3710.30
Выключатель фар рабочих
В узле: 3
32
3709.15
Переключатель вентилятора
В узле: 1
34
923-3801342
Щиток
В узле: 1
35
5208.10
Жиклер
В узле: 1
36
70-5208011-А
Пластина
В узле: 1
37
ШЧ5
Шайба
В узле: 2
39
923-7901018
Щиток
В узле: 1
40
20.5212 400
Щетка стеклоочистителя
В узле: 1
41
20.5215 300
Рычаг стеклоочистителя
В узле: 1
42
822-5205043
Втулка
В узле: 1
43
80-3723045-01
Манжета
В узле: 1
44
923-5205022
Кронштейн
В узле: 1
45
3714.25
Плафон освещения кабины 185x46,5
В узле: 1
46
Т240-5205010
Привод с кожухом
В узле: 1
47
923-3723042
Втулка
В узле: 1
48
80-3723048
Втулка
В узле: 1
49
ВМ4х10
Винт
В узле: 2
49
ВМ6Х12
Винт
В узле: 4
49
М4
Гайка
В узле: 2
49
ШП4
Шайба
В узле: 2
50
122.5208 304
Кронштейн
В узле: 1
51
М6Х12
Болт
В узле: 3
53
923-5208005
Кронштейн
В узле: 1
54
5205.15
Стеклоочиститель пантографный
В узле: 1
55
70-1602037
Втулка
В узле: 1
56
5205.45
Щетка с рычагом 660/600 с форсункой
В узле: 1
58
М5
Гайка
В узле: 6
59
ШП5
Шайба
В узле: 6
60
822-3801341
Щиток
В узле: 1
62
70-3723042-01
Втулка
В узле: 1
63
3747.50
Реле на замыкание
В узле: 2
64
006-010-25-1-4
Кольцо
В узле: 1
65
923-3801343-Б
Табличка
В узле: 1
66
3722.25
Блок предохранителей
В узле: 1
67
923-3724351
Жгут
В узле: 1
Содержащиеся в справочниках-каталогах запасные части и детали не предлагаются к продаже, а носят исключительно информационный характер

Ваша заявка была отправлена. В ближайшее время наши специалисты с Вами свяжутся по указанному Вами телефону.

Представьтесь
Поле обязательно для заполнения
Ваш телефон
Введите правильный номер телефона
E-mail
Введите правильный e-mail
Тема
Тема
применяемость финансирование доставка цена, наличие другое сервис и гарантия
Время для звонка
08:00
08:00 09:00 10:00 11:00 12:00 13:00 14:00 15:00 16:00 17:00 18:00 19:00
19:00
08:00 09:00 10:00 11:00 12:00 13:00 14:00 15:00 16:00 17:00 18:00 19:00

Мы постараемся перезвонить в указанное время

Если вы не хотите ждать, то звоните нашим вежливым консультантам:

8 800 100-2-700
Подтвердите, что вы не робот
Подтвердите, что вы не робот
Спасибо!

Ваше сообщение успешно отправлено!

ЗакрытьПовторить попытку