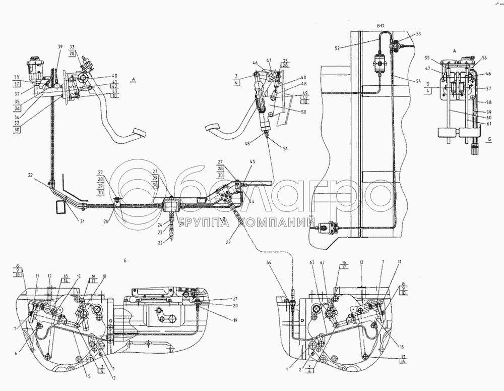
Каталог запасных частей к технике: МТЗ-2022. Управление тормозами на реверсе
2022В-3503700
1
1
2
2
3
3
3
3
4
4
4
4
5
6
7
7
8
8
9
9
10
10
10
10
11
11
12
12
13
13
14
14
15
15
16
16
17
17
18
19
20
21
22
22
23
24
25
26
27
27
27
28
28
28
28
29
29
30
30
30
30
31
32
33
33
33
34
35
36
37
37
38
39
40
40
41
42
42
43
44
45
45
46
46
47
47
48
49
50
51
52
53
54
55
56
57
58
59
60
61
62
63
64
|
37
Д18-055-А
Шайба
В узле: 4
|
|||||||||||||||||||||||||||||||||||||||||||||||||||||||||||||||||||||||||||||||||||||||
| Д18-055-А Кольцо уплотнительное МТЗ, ЗИЛ медное, d=14х19х1, ММЗ |
|
>10 шт. | 54.66 р. | ||||||||||||||||||||||||||||||||||||||||||||||||||||||||||||||||||||||||||||||||||||
| Д18-055-А кольцо медн.(диам. внутр. 14х19х1 мм) (А) |
|
>10 шт. | 3.17 р. | ||||||||||||||||||||||||||||||||||||||||||||||||||||||||||||||||||||||||||||||||||||
|
36
36-1104788
Прокладка
В узле: 2
|
|||||||||||||||||||||||||||||||||||||||||||||||||||||||||||||||||||||||||||||||||||||||
| 36-1104788 Шайба 10.0х16.0х1.5 Д-240, Д-245 уплотнительная медная, (А) |
|
Под заказ | 4.48 р. | ||||||||||||||||||||||||||||||||||||||||||||||||||||||||||||||||||||||||||||||||||||
|
48
80-1602116
Ушко
В узле: 1
|
|||||||||||||||||||||||||||||||||||||||||||||||||||||||||||||||||||||||||||||||||||||||
| 80-1602116 Ушко МТЗ крепежное |
|
>10 шт. | 156.26 р. | ||||||||||||||||||||||||||||||||||||||||||||||||||||||||||||||||||||||||||||||||||||
|
56
822-3503090-01
Бачок
В узле: 1
|
|||||||||||||||||||||||||||||||||||||||||||||||||||||||||||||||||||||||||||||||||||||||
| 822-3503090-01 Бачок МТЗ с датчиком |
|
Под заказ | 2 938.44 р. | ||||||||||||||||||||||||||||||||||||||||||||||||||||||||||||||||||||||||||||||||||||
|
55
822-3503090
Бачок
В узле: 1
|
|||||||||||||||||||||||||||||||||||||||||||||||||||||||||||||||||||||||||||||||||||||||
| 822-3503090 Бачок МТЗ |
|
Под заказ | 2 303.82 р. | ||||||||||||||||||||||||||||||||||||||||||||||||||||||||||||||||||||||||||||||||||||
|
35
822-3503084
Штуцер
В узле: 2
|
|||||||||||||||||||||||||||||||||||||||||||||||||||||||||||||||||||||||||||||||||||||||
| 822-3503084 Штуцер МТЗ |
|
<10 шт. | 579.48 р. | ||||||||||||||||||||||||||||||||||||||||||||||||||||||||||||||||||||||||||||||||||||
|
58
1522-3503070
Трубопровод
В узле: 1
|
|||||||||||||||||||||||||||||||||||||||||||||||||||||||||||||||||||||||||||||||||||||||
| 1522-3503070 Трубопровод МТЗ |
|
Под заказ | 1 935.54 р. | ||||||||||||||||||||||||||||||||||||||||||||||||||||||||||||||||||||||||||||||||||||
|
59
1522-3503080
Трубопровод
В узле: 1
|
|||||||||||||||||||||||||||||||||||||||||||||||||||||||||||||||||||||||||||||||||||||||
| 1522-3503080 Трубопровод МТЗ |
|
Под заказ | 1 364.66 р. | ||||||||||||||||||||||||||||||||||||||||||||||||||||||||||||||||||||||||||||||||||||
|
11
923-1602116
Ушко
В узле: 2
|
|||||||||||||||||||||||||||||||||||||||||||||||||||||||||||||||||||||||||||||||||||||||
| 923-1602116 Ушко |
|
<10 шт. | 158.39 р. | ||||||||||||||||||||||||||||||||||||||||||||||||||||||||||||||||||||||||||||||||||||
|
50
1221В-1602610
Цилиндр главный
В узле: 1
|
|||||||||||||||||||||||||||||||||||||||||||||||||||||||||||||||||||||||||||||||||||||||
| 1221В-1602610 Цилиндр сцепления МТЗ главный, Беларусь |
|
Под заказ | 4 784.40 р. | ||||||||||||||||||||||||||||||||||||||||||||||||||||||||||||||||||||||||||||||||||||
|
46
50-3503071
Шайба
В узле: 3
|
|||||||||||||||||||||||||||||||||||||||||||||||||||||||||||||||||||||||||||||||||||||||
| 50-3503071 Шайба МТЗ тормозного валика |
|
Под заказ | 37.30 р. | ||||||||||||||||||||||||||||||||||||||||||||||||||||||||||||||||||||||||||||||||||||
|
39
822-3503100
Трубопровод
В узле: 1
|
|||||||||||||||||||||||||||||||||||||||||||||||||||||||||||||||||||||||||||||||||||||||
| 822-3503100 Трубопровод МТЗ |
|
Под заказ | 674.50 р. | ||||||||||||||||||||||||||||||||||||||||||||||||||||||||||||||||||||||||||||||||||||
|
12
2022-3503030-Б-01
Кронштейн правый
В узле: 1
|
|||||||||||||||||||||||||||||||||||||||||||||||||||||||||||||||||||||||||||||||||||||||
| 2022-3503030-Б-01 Кронштейн МТЗ |
|
Под заказ | 4 291.66 р. | ||||||||||||||||||||||||||||||||||||||||||||||||||||||||||||||||||||||||||||||||||||
|
5
2022-3503270
Трубопровод
В узле: 1
|
|||||||||||||||||||||||||||||||||||||||||||||||||||||||||||||||||||||||||||||||||||||||
| 2022-3503270 Трубопровод МТЗ |
|
Под заказ | 1 529.67 р. | ||||||||||||||||||||||||||||||||||||||||||||||||||||||||||||||||||||||||||||||||||||
|
63
2022-3503280
Трубопровод
В узле: 1
|
|||||||||||||||||||||||||||||||||||||||||||||||||||||||||||||||||||||||||||||||||||||||
| 2022-3503280 Трубопровод МТЗ |
|
Под заказ | 1 269.56 р. | ||||||||||||||||||||||||||||||||||||||||||||||||||||||||||||||||||||||||||||||||||||
|
51
2022В-3503830
Трубопровод
В узле: 1
|
|||||||||||||||||||||||||||||||||||||||||||||||||||||||||||||||||||||||||||||||||||||||
| 2022в-3503830 Трубопровод МТЗ |
|
Под заказ | 1 428.06 р. | ||||||||||||||||||||||||||||||||||||||||||||||||||||||||||||||||||||||||||||||||||||
|
54
2022В-3503850
Трубопровод
В узле: 1
|
|||||||||||||||||||||||||||||||||||||||||||||||||||||||||||||||||||||||||||||||||||||||
| 2022в-3503850 Трубопровод МТЗ |
|
Под заказ | 1 443.74 р. | ||||||||||||||||||||||||||||||||||||||||||||||||||||||||||||||||||||||||||||||||||||
|
26
48-1104016
Хомутик
В узле: 1
|
|||||||||||||||||||||||||||||||||||||||||||||||||||||||||||||||||||||||||||||||||||||||
| 48-1104016 Хомутик МТЗ |
|
Под заказ | 94.03 р. | ||||||||||||||||||||||||||||||||||||||||||||||||||||||||||||||||||||||||||||||||||||
|
1
1522-2407317
Трубка
В узле: 3
|
|||||||||||||||||||||||||||||||||||||||||||||||||||||||||||||||||||||||||||||||||||||||
| 1522-2407317 Трубка МТЗ системы смазки конечной передачи |
|
Под заказ | 183.71 р. | ||||||||||||||||||||||||||||||||||||||||||||||||||||||||||||||||||||||||||||||||||||
Содержащиеся в справочниках-каталогах запасные части и детали не предлагаются к продаже, а носят исключительно информационный характер