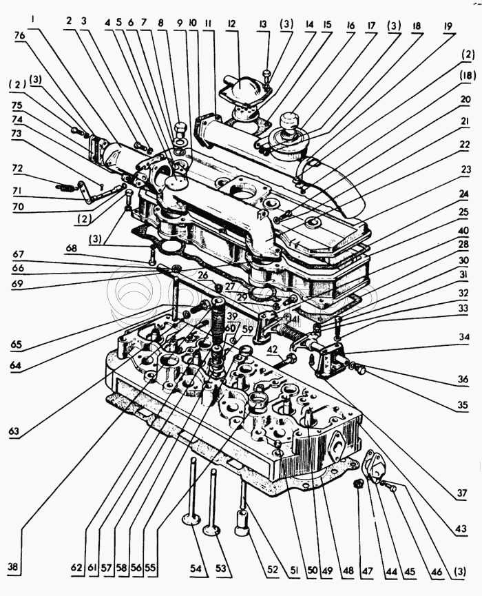
Каталог запасных частей к технике: МТЗ-80. Головка цилиндров. Клапаны и толкатели клапанов

zoom-in zoom-out enlarge shrink circle-right circle-left file-text2 info cart arraw right arraw left zoom out zoom in arraw maximize arraw minimize
1
2
2
2
2
3
3
3
3
3
3
4
5
6
7
8
9
10
11
12
13
14
15
16
17
18
18
19
20
21
22
23
24
25
26
27
28
29
30
31
32
33
34
35
36
37
38
39
40
41
42
43
44
45
46
47
48
49
50
51
52
53
54
55
56
57
58
59
60
61
62
63
64
65
66
67
68
69
70
71
72
73
74
75
76
44
50-1015598
Прокладка патрубка
В узле: 1
50-1015598 Прокладка МТЗ, ЗИЛ патрубка головки блока, Беларусь >10 шт. 5.55 р.
52
240-1007375
Толкатель
В узле: 8
240-1007375 Толкатель МТЗ, ЗИЛ, Д-240, Д-260 клапана, (А) >10 шт. 202.48 р.
6
50-1003107-А
Кольцо
В узле: 4
50-1003107-А Кольцо уплотнительное МТЗ гайки клапанной крышки, (А) Под заказ 3.21 р.
50-1003107-А Кольцо уплотнительное МТЗ гайки крышки клапанной, Беларусь >10 шт. 17.91 р.
49
240-1007032-Б-01
Втулка
В узле: 8
240-1007032-Б-01 Втулка клапана МТЗ, Д-240, Д-260, Д-245, направляющая, (А) Под заказ 35.08 р.
24
240-1003109
Прокладка
В узле: 1
240-1003109 прокладка клапан. крышки (пробка 2,0 мм) Под заказ Нет на складе
240-1003109 Прокладка крышки ГБЦ МТЗ верхняя (резино-пробка), РФ Под заказ 103.33 р.
240-1003109 Прокладка крышки ГБЦ МТЗ верхняя (паронит 1,5 мм), РФ Под заказ 97.04 р.
28
240-1003108
Прокладка
В узле: 1
240-1003108 прокладка крышки (пробка 2,0 мм) <10 шт. Нет на складе
240-1003108 Прокладка крышки ГБЦ МТЗ нижняя (резино-пробка), РФ Под заказ Нет на складе
240-1003108 Прокладка крышки ГБЦ МТЗ нижняя (паронит 1,5 мм), РФ Под заказ 100.75 р.
60
240-1007020
Манжета
В узле: 8
240-1007020 Манжета уплотнительного клапана, ММЗ Под заказ 74.71 р.
240-1007020 Колпачок МТЗ маслосъёмный, (А) Под заказ 5.12 р.
59
240-1007055
Шайба
В узле: 8
240-1007055 Шайба Д245 пружины клапана верхняя, ММЗ >10 шт. 54.66 р.
31
Д02-063
Гайка
В узле: 8
Д02-063 Гайка МТЗ винта регулировки коромысла, ММЗ <10 шт. 123.49 р.
7
50-1003106
Шайба
В узле: 4
50-1003106 Шайба МТЗ, Д-243, Д-245, Д-260 крепления колпака, ММЗ >10 шт. 54.66 р.
38
240-1007048
Тарелка
В узле: 8
240-1007048 Тарелка Д243,Д245,Д260 пружин клапана головки блока, ММЗ >10 шт. 283.27 р.
37
50-1007175-Б1
Винт регулировочный
В узле: 8
50-1007175-Б1 Винт МТЗ регулировочный рычага(коромысла) клапана, ММЗ Под заказ 131.20 р.
14
240-1002440
Фильтр
В узле: 1
240-1002440 Фильтр МТЗ-82 сапуна, ММЗ >10 шт. 338.96 р.
45
70-8115022-А
Патрубок
В узле: 1
70-8115022-А Патрубок МТЗ головки цилиндров, ММЗ* Под заказ 391.51 р.
70-8115022-А Патрубок МТЗ головки цилиндров, (У) Под заказ 229.49 р.
40
240-1007152-Б
Стойка вторая
В узле: 1
240-1007152-Б Стойка Д243,Д245,Д260 оси коромысел, средняя, ММЗ <10 шт. 521.46 р.
16
240-3707200
Пробка
В узле: 1
240-3707200 Пробка МТЗ, ЗИЛ бачка электрофакельного подогревателя, ММЗ Под заказ 582.46 р.
10
240-1003264-А
Прокладка
В узле: 2
240-1003264-А Прокладка МТЗ паронит 0,5 мм, РФ Под заказ 8.09 р.
240-1003264-А Прокладка МТЗ темсил, РФ <10 шт. 7.31 р.
20
240-1003281
Пробка
В узле: 1
240-1003281 Пробка головки блока цилиндров дв. 242, 243, 245, 260, 265, ММЗ <10 шт. 112.11 р.
34
240-1007151-Б
Стойка передняя
В узле: 1
240-1007151-Б Стойка Д243,Д245,Д260 оси коромысел, передняя ММЗ Под заказ 717.79 р.
11
240-1003260
Труба
В узле: 1
240-1003260 Труба МТЗ воздухоподводящая, ММЗ <10 шт. 1 839.52 р.
72
240-1003226
Пружина
В узле: 1
240-1003226 Пружина валика заслонки МТЗ, Беларусь Под заказ 88.01 р.
63
245-3701069
Шайба
В узле: 6
245-3701069 Шайба Под заказ 43.75 р.
240-1003013
Головка цилиндров в сборе
В узле: 1
240-1003012
Головка цилиндров в сборе
В узле: 1
240-1007152Б-01
Стойка третья
В узле: 1
240-1007151-Б-01
Стойка задняя
В узле: 1
240-1003030-13
Крышка головки
В узле: 1
240-1003220-А-08
Патрубок в сборе
В узле: 1
1
240-1003222-Б-01
Патрубок
В узле: 1
2
Болт М8-6gх35.88.30.019 ГОСТ 7796-70
Болт М8-6gх35.88.30.019 ГОСТ 7796-70
В узле: 6
3
Шайба 8 ГОСТ 6402-70
Шайба 8 ГОСТ 6402-70
В узле: 25
4
240-1003221
Заслонка
В узле: 1
5
240-1003229-01
Заглушка
В узле: 1
8
50-1003104
Гайка колпака
В узле: 4
9
240-3509157
Прокладка
В узле: 1
12
240-1002430-В
Корпус сапуна
В узле: 1
13
Болт М8-6gх16.88.35.019 ГОСТ 7796-70
Болт М8-6gх16.88.35.019 ГОСТ 7796-70
В узле: 4
15
240-1002444-А
Прокладка
В узле: 1
17
240-3707140-А
Бачок
В узле: 1
18
Гайка М8.6.019 ГОСТ 5915-70
Гайка М8.6.019 ГОСТ 5915-70
В узле: 2
19
ХС-61.019
Хомут
В узле: 1
21
36-11047-88
Прокладка
В узле: 1
22
240-1103033-01
Коллектор
В узле: 1
23
240-1003122Б-02
Колпак
В узле: 1
25
240-1003032-01
Крышка головки
В узле: 1
26
50-1007053-А1
Сухарь клапана
В узле: 16
27
240-1007185
Фиксатор
В узле: 1
29
Шайба 10 ГОСТ 6402-70
Шайба 10 ГОСТ 6402-70
В узле: 2
42
Болт М12-6gх85.88.35.019 ГОСТ 7796-70
Болт М12-6gх85.88.35.019 ГОСТ 7796-70
В узле: 1
32
50-1007212
Коромысло
В узле: 8
33
Шайба 12 ГОСТ 6402-70
Шайба 12 ГОСТ 6402-70
В узле: 2
35
50-1007182
Пробка оси коромысел
В узле: 2
36
50-1007183
Шайба пробки
В узле: 2
39
Д02-003-А
Заглушка
В узле: 4
41
50-1007103-А
Пружина оси коромысел
В узле: 3
43
240-1003015
Головка цилиндров
В узле: 1
46
Болт М8-6gх20.88.35.019 ГОСТ 7796-70
Болт М8-6gх20.88.35.019 ГОСТ 7796-70
В узле: 5
47
КГ 3/8"
Пробка
В узле: 2
48
Ф-4.118.3
Кольцо
В узле: 4
50
КГ 3/4"
Пробка
В узле: 2
51
240-1007310
Штанга
В узле: 8
53
240-1007015Б4
Клапан выпускной
В узле: 4
54
240-1007014Б4
Клапан впускной
В узле: 4
55
50-1003103-А
Стакан
В узле: 2
56
50-1003117-А
Заглушка
В узле: 3
57
50-1003020-А2-01
Прокладка
В узле: 1
58
240-1007054
Шайба
В узле: 8
61
240-1007046-А1
Пружина клапана
В узле: 8
62
240-1007045-А1
Пружина клапана
В узле: 8
64
50-1003112
Шпилька
В узле: 4
65
Болт М12-6gх35.88.35.019 ГОСТ 7796-70
Болт М12-6gх35.88.35.019 ГОСТ 7796-70
В узле: 5
66
50-1007102-А
Ось
В узле: 1
67
Гайка М12.6 ГОСТ 5915-70
Гайка М12.6 ГОСТ 5915-70
В узле: 4
68
Болт М8-6х35.88.35.019 ГОСТ 7796-70
Болт М8-6х35.88.35.019 ГОСТ 7796-70
В узле: 8
69
240-1003031-01
Прокладка
В узле: 2
70
Кольцо 009-013-25-2-1 ГОСТ 9833-73
Кольцо 009-013-25-2-1 ГОСТ 9833-73
В узле: 2
71
240-1003240-А
Валик заслонки
В узле: 1
73
Болт М4-6gх10.58.019 ГОСТ 17473-72
Болт М4-6gх10.58.019 ГОСТ 17473-72
В узле: 2
74
240-1003227
Штифт
В узле: 1
75
240-1003229
Заглушка
В узле: 1
76
240-3507115-А
Прокладка
В узле: 4
Содержащиеся в справочниках-каталогах запасные части и детали не предлагаются к продаже, а носят исключительно информационный характер

Ваша заявка была отправлена. В ближайшее время наши специалисты с Вами свяжутся по указанному Вами телефону.

Представьтесь
Поле обязательно для заполнения
Ваш телефон
Введите правильный номер телефона
E-mail
Введите правильный e-mail
Тема
Тема
применяемость финансирование доставка цена, наличие другое сервис и гарантия
Время для звонка
08:00
08:00 09:00 10:00 11:00 12:00 13:00 14:00 15:00 16:00 17:00 18:00 19:00
19:00
08:00 09:00 10:00 11:00 12:00 13:00 14:00 15:00 16:00 17:00 18:00 19:00

Мы постараемся перезвонить в указанное время

Если вы не хотите ждать, то звоните нашим вежливым консультантам:

8 800 100-2-700
Подтвердите, что вы не робот
Подтвердите, что вы не робот
Спасибо!

Ваше сообщение успешно отправлено!

ЗакрытьПовторить попытку