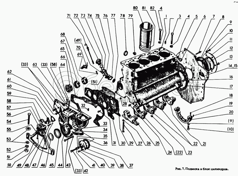
Каталог запасных частей к технике: МТЗ-80. Подвеска и блок цилиндров дизеля

zoom-in zoom-out enlarge shrink circle-right circle-left file-text2 info cart arraw right arraw left zoom out zoom in arraw maximize arraw minimize
1
2
3
4
4
5
6
7
8
9
9
10
10
11
12
13
14
15
16
17
18
19
20
21
22
22
23
24
25
26
27
28
29
30
31
32
33
33
33
33
34
35
36
37
38
39
40
41
42
43
44
45
46
47
48
49
49
50
51
51
52
53
54
55
56
57
58
58
59
60
61
62
63
64
65
66
67
68
69
70
71
72
73
74
75
76
77
78
79
80
81
82
56
240-1001025
Амортизатор
В узле: 1
240-1001025 Амортизатор МТЗ, ЗИЛ, Д-240, Д-245 опоры двигателя передний с ограничителем (подушка), (У) Под заказ 130.19 р.
240-1001025 Амортизатор МТЗ, ЗИЛ, Д-240, Д-245 опоры двигателя передний с ограничителем (подушка), (А) >10 шт. 140.41 р.
8
50-1002316-А2
Прокладка
В узле: 1
50-1002316-А2 Прокладка МТЗ корпуса сальника (паронит 0,5 мм), Беларусь >10 шт. 40.71 р.
3
240-1002047-01
Болт
В узле: 4
240-1002047-01 Болт головки МТЗ, Д243, Д245 коротокий, ММЗ >10 шт. 261.47 р.
240-1002047-01 Болт головки МТЗ, Д243, Д245 коротокий, (А) Под заказ 42.87 р.
82
240-1002047
Болт
В узле: 12
240-1002047 Болт головки МТЗ, Д243, Д245 длинный, ММЗ Под заказ 302.66 р.
240-1002047 Болт головки МТЗ, Д243, Д245 длинный, (А) Под заказ 50.56 р.
4
48-1002318
Шайба
В узле: 16
48-1002318 Шайба МТЗ головки блока, ММЗ >10 шт. 43.75 р.
37
240-1002038
Прокладка
В узле: 1
240-1002038 Прокладка МТЗ паронит 0,5 мм, РФ >10 шт. 8.05 р.
17
240-1002314
Прокладка
В узле: 1
240-1002314 Прокладка Д-243, Д-245 блока двигателя, заднего листа, паронит 0.5 мм, РФ >10 шт. 29.63 р.
240-1002314 Прокладка МАЗ, МТЗ блока двигателя, заднего листа, Беларусь Под заказ 25.27 р.
2
240-1002046
Штифт
В узле: 2
240-1002046 Штифт МТЗ направляющий головки блока цилиндров, ММЗ >10 шт. 103.85 р.
76
240-1002082-А
Прокладка
В узле: 1
240-1002082-А Прокладка МТЗ паронит 0,5 мм, РФ >10 шт. 5.55 р.
78
240-1002328
Заглушка
В узле: 1
240-1002328 Заглушка МТЗ Под заказ 103.85 р.
65
240-1002064
Прокладка
В узле: 1
240-1002064 Прокладка МТЗ (паронит 0,5 мм), РФ <10 шт. 40.65 р.
28
50-1002326-В
Заглушка
В узле: 2
50-1002326-В Заглушка Под заказ 57.41 р.
16
50-1005019
Штифт
В узле: 2
50-1005019 Штифт МТЗ, Д-243, Д-245 установочный блока цилиндров, ММЗ Под заказ 131.20 р.
60
50-1021012
Прокладка
В узле: 6
50-1021012 Прокладка МТЗ маслозаливной горловины (темпсил), РФ >10 шт. 3.93 р.
72
А19.01.001
Пробка
В узле: 1
А19.01.001 Пробка МТЗ маслозаливной горловины, (У) Под заказ 229.49 р.
А19.01.001 Пробка МТЗ маслозаливной горловины, (А) Под заказ 109.42 р.
А19.01.001 Пробка МТЗ маслозаливной горловины Под заказ 378.91 р.
77
240-1002085
Сетка
В узле: 1
240-1002085 Сетка МТЗ маслозаборника, ММЗ <10 шт. 128.53 р.
14
50-1002313-В
Лист
В узле: 1
50-1002313-В Лист задний МТЗ под стартер (А) Под заказ 3 408.69 р.
50-1002313-В Лист задний МТЗ под стартер, ММЗ Под заказ 10 196.59 р.
50-1002313-В Лист задний МТЗ под стартер, РК Под заказ 5 972.50 р.
39
50-1022067
Кольцо уплотнительное
В узле: 3
50-1022067 Кольцо уплотнительное МТЗ форсунки Евро-2,-3, ММЗ Под заказ 41.02 р.
38
240-1002036
Крышка
В узле: 1
240-1002036 Крышка МТЗ люка привода ТНВД, ММЗ <10 шт. 664.42 р.
240-1002036 Крышка МТЗ люка привода ТНВД, (У) Под заказ 475.40 р.
29
240-1002033
Прокладка
В узле: 1
240-1002033 Прокладка МТЗ (паронит 0,5 мм), РФ Под заказ 36.83 р.
30
240-1002030
Щит
В узле: 1
240-1002030 Щит Д243,Д245 распределения двигателя передний, ММЗ <10 шт. 2 956.49 р.
50
240-1001015-А1
Опора
В узле: 1
240-1001015-А1 Опора Д243, Д245 передняя двигателя Под заказ 1 704.28 р.
6
50-1002318-Б
Рым
В узле: 2
50-1002318-Б Рым-болт Под заказ 493.93 р.
79
50-1002327-А
Пробка
В узле: 1
50-1002327-А Пробка МТЗ Под заказ 346.43 р.
24
50-1002034
Штифт
В узле: 2
50-1002034 Штифт МТЗ (d=12мм, l=30мм), ММЗ Под заказ 109.36 р.
7
50-1002340
Фиксатор
В узле: 1
50-1002340 Фиксатор МТЗ Под заказ 193.66 р.
26
50-1005161
Шайба
В узле: 10
50-1005161 Шайба МТЗ Под заказ 43.75 р.
18
240-1002044
Штифт
В узле: 2
240-1002044 Штифт МТЗ,ММЗ крышки распределения блока цилиндров, ММЗ Под заказ 71.03 р.
240-1002115-01
Горловина с кольцом и патрубком в сборе
В узле: 1
240-1002001-Б2-01
Блок цилиндров в сборе
В узле: 1
50-1002045
Опора картера с уплотнением и штифтом в сборе
В узле: 1
50-1002040-Б
Опора картера в сборе со штифтом
В узле: 1
240-1001010-А
Опора в сборе
В узле: 1
А19.01.100-04
Крышка с кольцом и пробкой в сборе
В узле: 1
240-1002060-А-01
Крышка шестерен в сборе
В узле: 1
240-1002035-01
Крышка в сборе
В узле: 1
1
240-1002015-А3
Блок цилиндров
В узле: 1
5
Заглушка 45-019
Заглушка 45-019
В узле: 1
9
Шайба 12 ГОСТ 6402-70
Шайба 12 ГОСТ 6402-70
В узле: 9
10
Болт М12-gх35.88.35.019 ГОСТ 7796-70
Болт М12-gх35.88.35.019 ГОСТ 7796-70
В узле: 9
11
240-1002300-01
Корпус сальника
В узле: 1
12
Манжета 1-100х125-4 ГОСТ 8752-70
Манжета 1-100х125-4 ГОСТ 8752-70
В узле: 1
13
Болт М10-6gх25.88.35.019 ГОСТ 7796-70
Болт М10-6gх25.88.35.019 ГОСТ 7796-70
В узле: 8
15
50Л-1002313
Лист
В узле: 1
19
240-1002043
Уплотнение
В узле: 2
20
50-1002042-Б
Опора картера
В узле: 1
21
50-1005152-В
Крышка
В узле: 1
22
50-1005140-Б
Крышка
В узле: 3
23
240-1002332
Пробка КГ 1/8" ГОСТ 12720-67
В узле: 1
25
50-1005141-Б
Крышка коренного подшипника
В узле: 1
27
50-1005159-Б1
Болт
В узле: 10
31
Болт М10-6gх20.88.35.019 ГОСТ 7796-70
Болт М10-6gх20.88.35.019 ГОСТ 7796-70
В узле: 4
32
Штифт 8hх16 ГОСТ 3128-70
Штифт 8hх16 ГОСТ 3128-70
В узле: 2
33
Шайба 10 ГОСТ 6402-70
Шайба 10 ГОСТ 6402-70
В узле: 22
34
Болт М10-6gх45.88.35.019 ГОСТ 7795-70
Болт М10-6gх45.88.35.019 ГОСТ 7795-70
В узле: 2
35
Шайба 12 ГОСТ 11371-78
Шайба 12 ГОСТ 11371-78
В узле: 1
36
240-1002034
Прокладка
В узле: 1
40
Болт М8-6gх25.88.35.019 ГОСТ 7796-70
Болт М8-6gх25.88.35.019 ГОСТ 7796-70
В узле: 3
41
Гайка М12.6.019 ГОСТ 5915-70
Гайка М12.6.019 ГОСТ 5915-70
В узле: 1
42
240-1002039
Болт
В узле: 1
43
Болт М10-6gх75.88.35.019 ГОСТ 7796-70
Болт М10-6gх75.88.35.019 ГОСТ 7796-70
В узле: 2
44
240-1002065-А
Крышка шестерен
В узле: 1
45
50-1002066
Маслоотражатель
В узле: 1
46
Манжета 2-50х70-4 ГОСТ 8752-70
Манжета 2-50х70-4 ГОСТ 8752-70
В узле: 1
47
Шайба 6 ГОСТ 6402-70
Шайба 6 ГОСТ 6402-70
В узле: 3
48
240-3802005
Болт
В узле: 1
49
Болт М8-6gх20.88.35.019 ГОСТ 7796-70
Болт М8-6gх20.88.35.019 ГОСТ 7796-70
В узле: 6
51
Гайка М16.6Н.6.019 ГОСТ 5915-70
Гайка М16.6Н.6.019 ГОСТ 5915-70
В узле: 2
52
Шайба 16 ГОСТ 6402-70
Шайба 16 ГОСТ 6402-70
В узле: 2
53
Шайба 16 ГОСТ 11371-78
Шайба 16 ГОСТ 11371-78
В узле: 4
54
Болт М16-6gх80.88.35.019 ГОСТ 7796-70
Болт М16-6gх80.88.35.019 ГОСТ 7796-70
В узле: 2
55
Шайба 8 ГОСТ 6402-70
Шайба 8 ГОСТ 6402-70
В узле: 1
57
Болт М6-6gх16.88.35.019 ГОСТ 7796-70
Болт М6-6gх16.88.35.019 ГОСТ 7796-70
В узле: 2
58
240-1001017
Прокладка
В узле: 8
59
ПТ-3802010-09
Привод тахоспидометра
В узле: 1
61
Болт М10-6gх60.88.35.019 ГОСТ 7796-70
Болт М10-6gх60.88.35.019 ГОСТ 7796-70
В узле: 1
62
Болт М10-6gх30.88.35.019 ГОСТ 7796-70
Болт М10-6gх30.88.35.019 ГОСТ 7796-70
В узле: 3
63
Гайка М10-6.019 ГОСТ 5915-70
Гайка М10-6.019 ГОСТ 5915-70
В узле: 1
64
Болт М10-6gх35.88.35.019 ГОСТ 7796-70
Болт М10-6gх35.88.35.019 ГОСТ 7796-70
В узле: 1
66
240-1002069
Втулка
В узле: 1
67
240-1002067
Втулка
В узле: 1
68
240-1002068
Втулка
В узле: 1
69
240-1002323Б
Трубка
В узле: 1
70
Краник Кр2
Краник Кр2
В узле: 1
71
240-1002320-В-а2
Масломер
В узле: 1
73
042-048-30-2-1
Кольцо
В узле: 1
74
А19.01.003
Кольцо
В узле: 1
75
240-1002088-В-01
Патрубок
В узле: 1
80
50-1002021-А4
Гильза цилиндров
В узле: 4
81
50-1002022-01
Кольцо гильзы
В узле: 8
Содержащиеся в справочниках-каталогах запасные части и детали не предлагаются к продаже, а носят исключительно информационный характер

Ваша заявка была отправлена. В ближайшее время наши специалисты с Вами свяжутся по указанному Вами телефону.

Представьтесь
Поле обязательно для заполнения
Ваш телефон
Введите правильный номер телефона
E-mail
Введите правильный e-mail
Тема
Тема
применяемость финансирование доставка цена, наличие другое сервис и гарантия
Время для звонка
08:00
08:00 09:00 10:00 11:00 12:00 13:00 14:00 15:00 16:00 17:00 18:00 19:00
19:00
08:00 09:00 10:00 11:00 12:00 13:00 14:00 15:00 16:00 17:00 18:00 19:00

Мы постараемся перезвонить в указанное время

Если вы не хотите ждать, то звоните нашим вежливым консультантам:

8 800 100-2-700
Подтвердите, что вы не робот
Подтвердите, что вы не робот
Спасибо!

Ваше сообщение успешно отправлено!

ЗакрытьПовторить попытку