Каталог запасных частей к технике: МТЗ-80. Отопитель

zoom-in zoom-out enlarge shrink circle-right circle-left file-text2 info cart arraw right arraw left zoom out zoom in arraw maximize arraw minimize
1
2
3
4
4
5
5
5
5
6
6
7
7
8
9
9
10
11
12
13
14
14
15
16
17
18
19
19
20
21
22
23
24
25
26
27
28
29
30
31
32
33
34
35
36
37
38
39
40
41
42
43
44
35
80-8100012
Заслонка
В узле: 2
80-8100012 Заслонка МТЗ, Беларусь Под заказ 30.27 р.
43
80-8100013
Накладка
В узле: 2
80-8100013 Накладка МТЗ <10 шт. 373.83 р.
34
50-3711038
Опора фары
В узле: 1
50-3711038 Опора МТЗ фары, Беларусь Под заказ 132.61 р.
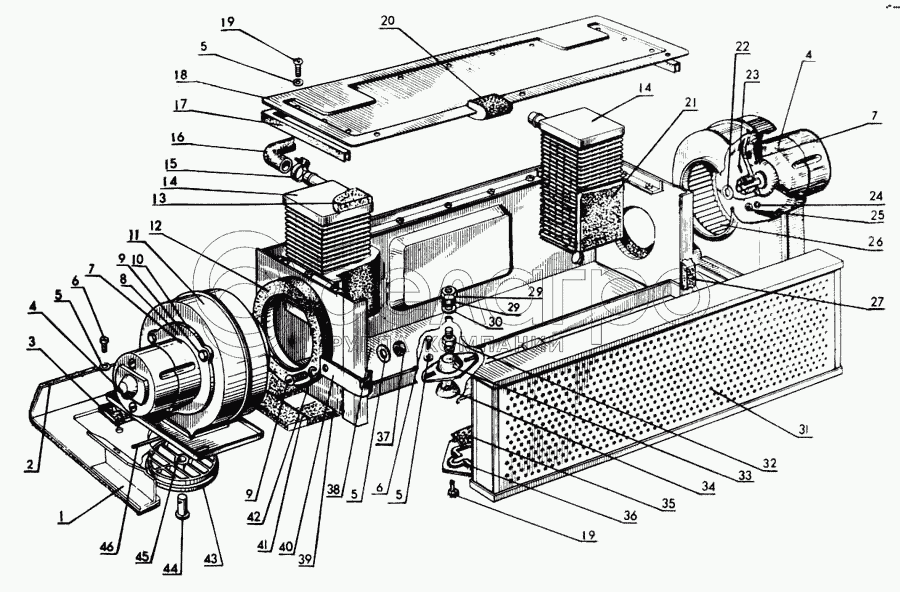
80-8100010
Отопитель в сборе
В узле: 1
1
80-8101020
Панель
В узле: 1
2
80-8100021
Обивка
В узле: 1
3
80-8100017
Прокладка
В узле: 1
4
1937.30000
Электродвигатель
В узле: 1
5
Шайба 6 01.019 ГОСТ 11371-78
Шайба 6 01.019 ГОСТ 11371-78
В узле: 25
6
Болт М6-6gх16.88.35.019 ГОСТ 7796-70
Болт М6-6gх16.88.35.019 ГОСТ 7796-70
В узле: 8
7
50-8104029
Прокладка
В узле: 2
8
70-8115075
Крышка
В узле: 2
9
Болт М6-6gх14.88.35.019 ГОСТ 7796-70
Болт М6-6gх14.88.35.019 ГОСТ 7796-70
В узле: 6
10
70-8115168
Прокладка
В узле: 2
11
80-8103020
Кожух вентилятора
В узле: 2
12
80-8100016-02
Уплотнитель
В узле: 2
13
80-8102019
Уплотнитель
В узле: 2
14
ОТ2.013-010-04
Радиатор
В узле: 2
15
ХС-23
Хомут
В узле: 2
16
80-8102015
Шланг L=700 мм
В узле: 1
17
ПР-035-01
Профиль
В узле: 1
18
80-8102011
Крышка
В узле: 1
19
Винт М6-6gх16.58.019 ГОСТ 17475-80
Винт М6-6gх16.58.019 ГОСТ 17475-80
В узле: 12
20
80-8100016
Уплотнитель
В узле: 2
21
80-8102044
Уплотнитель
В узле: 2
22
70-8115192
Стяжка
В узле: 2
23
Винт М5-6gх10.58.019 ГОСТ 17475-80
Винт М5-6gх10.58.019 ГОСТ 17475-80
В узле: 2
24
Шайба 5Т
Шайба 5Т
В узле: 4
25
Гайка М5-6Н.6.019
Гайка М5-6Н.6.019
В узле: 6
26
70-8115191
Ротор
В узле: 2
27
80-8100016-01
Уплотнитель
В узле: 2
28
Гайка М10.6.6Н.019 ГОСТ 5915-70
Гайка М10.6.6Н.019 ГОСТ 5915-70
В узле: 1
29
Шайба 10.01.019 ГОСТ 11371-78
Шайба 10.01.019 ГОСТ 11371-78
В узле: 1
30
Шайба 10ОТ ГОСТ 6402-70
Шайба 10ОТ ГОСТ 6402-70
В узле: 1
31
80-8101050
Фильтр
В узле: 1
32
70-6700031
Держатель
В узле: 1
33
70-6700116
Накладка
В узле: 1
36
80-8100011
Крышка
В узле: 1
37
Гайка М6.6Н.6.019 ГОСТ 5915-70
Гайка М6.6Н.6.019 ГОСТ 5915-70
В узле: 2
38
80-8102020
Корпус
В узле: 1
39
80-8100033
Уплотнитель
В узле: 2
40
80-8102025
Пружина
В узле: 2
41
80-8100033-01
Уплотнитель
В узле: 2
42
Шайба 6 65Г 06 ГОСТ 6402-70
Шайба 6 65Г 06 ГОСТ 6402-70
В узле: 2
44
Палец 6х8
Палец 6х8
В узле: 2
Содержащиеся в справочниках-каталогах запасные части и детали не предлагаются к продаже, а носят исключительно информационный характер

Ваша заявка была отправлена. В ближайшее время наши специалисты с Вами свяжутся по указанному Вами телефону.

Представьтесь
Поле обязательно для заполнения
Ваш телефон
Введите правильный номер телефона
E-mail
Введите правильный e-mail
Тема
Тема
применяемость финансирование доставка цена, наличие другое сервис и гарантия
Время для звонка
08:00
08:00 09:00 10:00 11:00 12:00 13:00 14:00 15:00 16:00 17:00 18:00 19:00
19:00
08:00 09:00 10:00 11:00 12:00 13:00 14:00 15:00 16:00 17:00 18:00 19:00

Мы постараемся перезвонить в указанное время

Если вы не хотите ждать, то звоните нашим вежливым консультантам:

8 800 100-2-700
Подтвердите, что вы не робот
Подтвердите, что вы не робот
Спасибо!

Ваше сообщение успешно отправлено!

ЗакрытьПовторить попытку