Каталог запасных частей к технике: МТЗ-80. Блок отопления

zoom-in zoom-out enlarge shrink circle-right circle-left file-text2 info cart arraw right arraw left zoom out zoom in arraw maximize arraw minimize
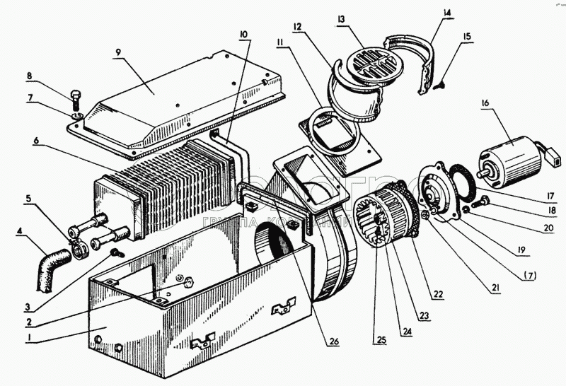
1
2
3
4
5
5
6
7
7
8
9
10
11
12
13
14
15
16
17
18
19
20
21
22
23
24
25
26
1
70-8115400
Корпус
В узле: 1
2
Гайка М5-6Н.6.019
Гайка М5-6Н.6.019
В узле: 4
3
Винт М5-6gх16.58.019
Винт М5-6gх16.58.019
В узле: 4
4
70-8115084
Шланг
В узле: 2
5
ХС-23
Хомут
В узле: 2
5
ХС-26
Хомут
В узле: 2
6
ОТ1.13.010
Радиатор
В узле: 1
7
Шайба 6Т.65Г.06
Шайба 6Т.65Г.06
В узле: 7
8
Болт М6-6gх0.88.34.019
Болт М6-6gх0.88.34.019
В узле: 4
9
70-8115420-Б
Крышка
В узле: 1
10
70-8115300-А1
Стяжка
В узле: 1
11
80-8105052
Основание
В узле: 1
12
80-8105051
Обечайка передняя
В узле: 1
13
150.95.301
Воздухораспределитель
В узле: 1
14
80-8105051-01
Обечайка задняя
В узле: 1
15
Шуруп 4х16.019
Шуруп 4х16.019
В узле: 4
16
19.3730.000
Электродвигатель 12В, 35Вт
В узле: 1
17
50-8104029
Прокладка
В узле: 1
18
Болт М6-6gх16.88.35.019
Болт М6-6gх16.88.35.019
В узле: 3
19
70-8115075
Крышка
В узле: 1
20
Шайба 5Н ОН 025
Шайба 5Н ОН 025
В узле: 2
21
Гайка М5 6Н.6.019
Гайка М5 6Н.6.019
В узле: 2
22
70-8115168
Прокладка
В узле: 1
23
70-8115191
Ротор
В узле: 1
24
70-8115192
Стяжка
В узле: 1
25
Винт М5 6gх12.58.019
Винт М5 6gх12.58.019
В узле: 1
26
ПР-34-01
Профиль резиновый
В узле: 1
Содержащиеся в справочниках-каталогах запасные части и детали не предлагаются к продаже, а носят исключительно информационный характер

Ваша заявка была отправлена. В ближайшее время наши специалисты с Вами свяжутся по указанному Вами телефону.

Представьтесь
Поле обязательно для заполнения
Ваш телефон
Введите правильный номер телефона
E-mail
Введите правильный e-mail
Тема
Тема
применяемость финансирование доставка цена, наличие другое сервис и гарантия
Время для звонка
08:00
08:00 09:00 10:00 11:00 12:00 13:00 14:00 15:00 16:00 17:00 18:00 19:00
19:00
08:00 09:00 10:00 11:00 12:00 13:00 14:00 15:00 16:00 17:00 18:00 19:00

Мы постараемся перезвонить в указанное время

Если вы не хотите ждать, то звоните нашим вежливым консультантам:

8 800 100-2-700
Подтвердите, что вы не робот
Подтвердите, что вы не робот
Спасибо!

Ваше сообщение успешно отправлено!

ЗакрытьПовторить попытку