Каталог запасных частей к технике: МТЗ-80. Сиденье водителя

zoom-in zoom-out enlarge shrink circle-right circle-left file-text2 info cart arraw right arraw left zoom out zoom in arraw maximize arraw minimize
1
2
3
4
5
5
6
7
8
9
9
10
11
12
13
14
15
16
17
18
19
19
19
19
20
20
21
22
23
24
25
26
26
26
26
26
26
27
27
27
27
28
28
29
29
29
30
31
32
33
33
34
34
35
36
37
38
39
40
41
41
42
42
43
44
45
46
47
48
49
50
51
52
53
54
55
56
57
58
59
60
61
62
63
64
65
66
67
68
69
70
71
72
73
74
74
75
76
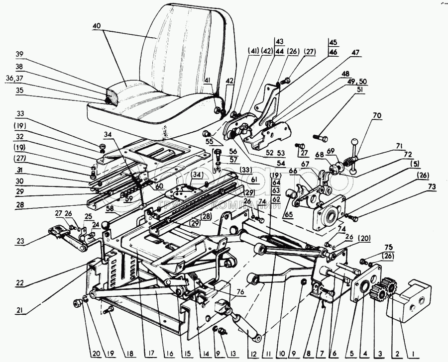
70-6800000-А
Сиденье в сборе
В узле: 1
70-6800000-А Сиденье для малогабаритных тракторов >10 шт. 5 482.60 р.
40
70-6803010
Подушка в сборе
В узле: 2
70-6803010 Подушка сиденья МТЗ, (А) <10 шт. 1 062.17 р.
25
70-6804011
Держатель
В узле: 4
70-6804011 Держатель МТЗ, БЗТДиА Под заказ 69.61 р.
70-6800015-01
Замок в сборе
В узле: 1
70-6801315
Блок в сборе
В узле: 1
70-6800010-01
Сиденье в сборе
В узле: 1
70-6801010
Подвеска в сборе
В узле: 1
70-6804400
Механизм в сборе
В узле: 1
70-6804010
Механизм в сборе
В узле: 1
70-6804390
Механизм в сборе
В узле: 1
70-6800020-01
Замок в сборе
В узле: 1
Кольцо 010-015-30-2-3 ГОСТ 9833-73
Кольцо 010-015-30-2-3 ГОСТ 9833-73
В узле: 4
1
85-6801340
Корпус
В узле: 1
2
Ролик 3х15,8Ш ГОСТ 6870-72
Ролик 3х15,8Ш ГОСТ 6870-72
В узле: 64
3
70-6801303-Б
Соединитель
В узле: 2
4
70-6801305
Втулка
В узле: 2
5
85-6801330
Опора
В узле: 2
6
70-6801304
Торсион
В узле: 2
7
70-6801310
Корпус
В узле: 1
8
70-6801372
Палец
В узле: 2
9
70-6801307
Шайба
В узле: 3
10
85-6801320
Стабилизатор
В узле: 1
11
70-6801360
Рычаг
В узле: 2
12
АС20-050.00.000
Амортизатор
В узле: 1
20
70-6801006
Палец
В узле: 10
14
150-20-212
Пружина
В узле: 2
15
70-6804050-А
Опора левая
В узле: 1
16
70-6804030
Рама
В узле: 1
17
70-6804090
Основание
В узле: 1
18
Болт М10-6gх20.88.35.019 ГОСТ 7796-70
Болт М10-6gх20.88.35.019 ГОСТ 7796-70
В узле: 4
19
Шайба 10ОТ 65Г 06 ГОСТ 6402-70
Шайба 10ОТ 65Г 06 ГОСТ 6402-70
В узле: 18
21
70-6804050-А01
Опора правая
В узле: 1
22
70-6801350-Б
Остов
В узле: 1
23
70-6706111
Накладка
В узле: 2
24
70-6804013
Обойма
В узле: 4
26
Шайба 8Т 65Г 06 ГОСТ 6402-70
Шайба 8Т 65Г 06 ГОСТ 6402-70
В узле: 27
27
Болт М8-6gх16.88.35.019 ГОСТ 7796-70
Болт М8-6gх16.88.35.019 ГОСТ 7796-70
В узле: 18
28
70-6804420
Направляющая
В узле: 2
29
70-6804391
Ролик
В узле: 4
30
70-6804415
Направляющая
В узле: 1
31
70-6804394
Пруток
В узле: 2
32
70-6804014-А
Кронштейн
В узле: 1
33
Гайка М8.6Н.6.019 ГОСТ 5915-70
Гайка М8.6Н.6.019 ГОСТ 5915-70
В узле: 11
34
70-6804393
Пружина
В узле: 2
35
70-6803060
Основание
В узле: 2
36
Заклепка 4х10х12 ОСТ 37.001.159-75
Заклепка 4х10х12 ОСТ 37.001.159-75
В узле: 18
37
Шайба 5.01.019 ГОСТ 11371-78
Шайба 5.01.019 ГОСТ 11371-78
В узле: 18
38
70-6803011
Подушка
В узле: 2
39
70-6803020
Чехол
В узле: 2
41
Гайка М12.6Н.019 ГОСТ 5915-70
Гайка М12.6Н.019 ГОСТ 5915-70
В узле: 4
42
Шайба 12ОТ 65Г 06 ГОСТ 6402-70
Шайба 12ОТ 65Г 06 ГОСТ 6402-70
В узле: 2
43
70-6800011
Корпус правый
В узле: 1
44
70-6800011-01
Корпус левый
В узле: 1
45
70-6800014
Кронштейн правый
В узле: 1
46
70-6800021
Кронштейн левый
В узле: 1
47
20.01.019 ГОСТ 11371-78
Шайба
В узле: 2
48
70-6800013
Втулка
В узле: 2
49
70-6800030-01
Кронштейн правый
В узле: 1
50
70-6800040-01
Кронштейн левый
В узле: 1
51
Болт М12-6gх45.88.35.019 ГОСТ 7796-70
Болт М12-6gх45.88.35.019 ГОСТ 7796-70
В узле: 2
52
70-6800012
Защелка левая
В узле: 1
53
70-6800012-01
Защелка правая
В узле: 1
54
А35-6105008
Пружина
В узле: 2
55
70-6804017
Палец
В узле: 2
56
70-6804392
Ось
В узле: 2
57
Шайба 8.01.019 ГОСТ 11371-78
Шайба 8.01.019 ГОСТ 11371-78
В узле: 2
58
70-6804430
Стопор
В узле: 1
59
70-6804305-01
Стяжка
В узле: 1
60
70-6804432
Стопор
В узле: 1
61
70-6804410
Направляющая
В узле: 1
62
Болт М8-6gх40.88.35.019 ГОСТ 7795-70
Болт М8-6gх40.88.35.019 ГОСТ 7795-70
В узле: 1
63
ПР-41-01
Амортизатор
В узле: 1
64
Болт М8-6gх55.88.35.019 ГОСТ 7798-70
Болт М8-6gх55.88.35.019 ГОСТ 7798-70
В узле: 3
65
70-6801008
Гайка
В узле: 1
66
70-6801301
Крышка
В узле: 1
67
70-6801302
Рычаг
В узле: 1
68
70-6801011
Сухарь
В узле: 1
69
70-6801013
Шайба
В узле: 1
70
70-6801080
Винт
В узле: 1
71
130-3520057-Б
Пружина
В узле: 1
72
Шарик 5,0-100
Шарик 5,0-100
В узле: 11
73
Болт М8-6gх25.88.35.019 ГОСТ 7796-70
Болт М8-6gх25.88.35.019 ГОСТ 7796-70
В узле: 2
74
Шайба 10Т 65Г.06 ГОСТ 6402-70
Шайба 10Т 65Г.06 ГОСТ 6402-70
В узле: 3
75
Болт М8-6gх35.88.35.019 ГОСТ 7798-70
Болт М8-6gх35.88.35.019 ГОСТ 7798-70
В узле: 2
76
70-6804012
Зацеп
В узле: 1
Содержащиеся в справочниках-каталогах запасные части и детали не предлагаются к продаже, а носят исключительно информационный характер

Ваша заявка была отправлена. В ближайшее время наши специалисты с Вами свяжутся по указанному Вами телефону.

Представьтесь
Поле обязательно для заполнения
Ваш телефон
Введите правильный номер телефона
E-mail
Введите правильный e-mail
Тема
Тема
применяемость финансирование доставка цена, наличие другое сервис и гарантия
Время для звонка
08:00
08:00 09:00 10:00 11:00 12:00 13:00 14:00 15:00 16:00 17:00 18:00 19:00
19:00
08:00 09:00 10:00 11:00 12:00 13:00 14:00 15:00 16:00 17:00 18:00 19:00

Мы постараемся перезвонить в указанное время

Если вы не хотите ждать, то звоните нашим вежливым консультантам:

8 800 100-2-700
Подтвердите, что вы не робот
Подтвердите, что вы не робот
Спасибо!

Ваше сообщение успешно отправлено!

ЗакрытьПовторить попытку