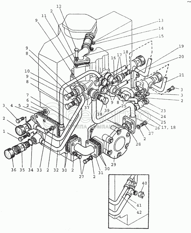
Каталог запасных частей к технике: МТЗ-80 (2002). 4607 Арматура корпуса гидроагрегатов
1
2
2
2
2
2
2
2
2
3
3
3
4
5
6
7
8
8
8
9
9
9
9
10
11
12
13
14
15
16
17
17
18
18
19
20
21
22
23
24
25
25
25
26
27
27
28
29
29
30
30
31
32
33
34
35
36
37
38
39
40
41
42
|
35
3057-4616330-А
Клапан запорного устройства
В узле: 4
|
|||||||||||||||||||||||||||||||||||||||||||||||||||||||||||||||||||||||||||||||||||||||
| 3057-4616330-А Клапан МТЗ полумуфта БРС резьбовая, папа, БЗТДиА |
|
>10 шт. | 640.50 р. | ||||||||||||||||||||||||||||||||||||||||||||||||||||||||||||||||||||||||||||||||||||
|
8
40-4607032
Болт
В узле: 6
|
|||||||||||||||||||||||||||||||||||||||||||||||||||||||||||||||||||||||||||||||||||||||
| 40-4607032 Болт МТЗ, БЗТДиА |
|
<10 шт. | 547.29 р. | ||||||||||||||||||||||||||||||||||||||||||||||||||||||||||||||||||||||||||||||||||||
|
38
40-4607037
Болт
В узле: 1
|
|||||||||||||||||||||||||||||||||||||||||||||||||||||||||||||||||||||||||||||||||||||||
| 40-4607037 Болт МТЗ, БЗТДиА |
|
Под заказ | 728.28 р. | ||||||||||||||||||||||||||||||||||||||||||||||||||||||||||||||||||||||||||||||||||||
|
50-4607096-А
Патрубок
В узле: 1
|
|||||||||||||||||||||||||||||||||||||||||||||||||||||||||||||||||||||||||||||||||||||||
| 50-4607096-А Патрубок МТЗ к НШ32М-3, Беларусь |
|
Под заказ | 545.74 р. | ||||||||||||||||||||||||||||||||||||||||||||||||||||||||||||||||||||||||||||||||||||
| 50-4607096-А Патрубок (У) |
|
Под заказ | Нет на складе | ||||||||||||||||||||||||||||||||||||||||||||||||||||||||||||||||||||||||||||||||||||
|
10
80-4607165
Труба
В узле: 1
|
|||||||||||||||||||||||||||||||||||||||||||||||||||||||||||||||||||||||||||||||||||||||
| 80-4607165 Маслопровод МТЗ, Беларусь |
|
Под заказ | 2 072.91 р. | ||||||||||||||||||||||||||||||||||||||||||||||||||||||||||||||||||||||||||||||||||||
| 80-4607165 Маслопровод МТЗ |
|
<10 шт. | 1 288.19 р. | ||||||||||||||||||||||||||||||||||||||||||||||||||||||||||||||||||||||||||||||||||||
|
41
80-4607130-Б
Трубопровод
В узле: 1
|
|||||||||||||||||||||||||||||||||||||||||||||||||||||||||||||||||||||||||||||||||||||||
| 80-4607130-Б Маслопровод МТЗ трубопровод |
|
Под заказ | 3 262.28 р. | ||||||||||||||||||||||||||||||||||||||||||||||||||||||||||||||||||||||||||||||||||||
|
22
80-4607115
Труба
В узле: 1
|
|||||||||||||||||||||||||||||||||||||||||||||||||||||||||||||||||||||||||||||||||||||||
| 80-4607115 Трубка МТЗ |
|
<10 шт. | 1 572.15 р. | ||||||||||||||||||||||||||||||||||||||||||||||||||||||||||||||||||||||||||||||||||||
|
42
80-4607120-Б
Трубопровод
В узле: 1
|
|||||||||||||||||||||||||||||||||||||||||||||||||||||||||||||||||||||||||||||||||||||||
| 80-4607120-Б Маслопровод МТЗ трубопровод |
|
<10 шт. | 3 220.78 р. | ||||||||||||||||||||||||||||||||||||||||||||||||||||||||||||||||||||||||||||||||||||
|
23
80-4607175
Труба
В узле: 1
|
|||||||||||||||||||||||||||||||||||||||||||||||||||||||||||||||||||||||||||||||||||||||
| 80-4607175 Маслопровод МТЗ гидросистемы |
|
Под заказ | 1 372.49 р. | ||||||||||||||||||||||||||||||||||||||||||||||||||||||||||||||||||||||||||||||||||||
|
32
80Х-4607130
Труба
В узле: 1
|
|||||||||||||||||||||||||||||||||||||||||||||||||||||||||||||||||||||||||||||||||||||||
| 80Х-4607130 Маслопровод МТЗ |
|
<10 шт. | 3 809.32 р. | ||||||||||||||||||||||||||||||||||||||||||||||||||||||||||||||||||||||||||||||||||||
|
15
85-4607425
Угольник
В узле: 1
|
|||||||||||||||||||||||||||||||||||||||||||||||||||||||||||||||||||||||||||||||||||||||
| 85-4607425 Угольник МТЗ со штуцером |
|
<10 шт. | 1 308.77 р. | ||||||||||||||||||||||||||||||||||||||||||||||||||||||||||||||||||||||||||||||||||||
|
21
80-4607115-Б
Труба
В узле: 1
|
|||||||||||||||||||||||||||||||||||||||||||||||||||||||||||||||||||||||||||||||||||||||
| 80-4607115-Б Маслопровод МТЗ |
|
Под заказ | 1 499.28 р. | ||||||||||||||||||||||||||||||||||||||||||||||||||||||||||||||||||||||||||||||||||||
|
20
80-4607110
Труба
В узле: 1
|
|||||||||||||||||||||||||||||||||||||||||||||||||||||||||||||||||||||||||||||||||||||||
| 80-4607110 Маслопровод МТЗ трубка арматуры гидроагрегатов |
|
Под заказ | 1 594.70 р. | ||||||||||||||||||||||||||||||||||||||||||||||||||||||||||||||||||||||||||||||||||||
|
19
80-4607119
Кронштейн
В узле: 1
|
|||||||||||||||||||||||||||||||||||||||||||||||||||||||||||||||||||||||||||||||||||||||
| 80-4607119 Кронштейн |
|
Под заказ | 214.63 р. | ||||||||||||||||||||||||||||||||||||||||||||||||||||||||||||||||||||||||||||||||||||
|
16
80-4607142
Штуцер
В узле: 1
|
|||||||||||||||||||||||||||||||||||||||||||||||||||||||||||||||||||||||||||||||||||||||
| 80-4607142 Штуцер МТЗ |
|
Под заказ | 110.51 р. | ||||||||||||||||||||||||||||||||||||||||||||||||||||||||||||||||||||||||||||||||||||
|
25
80-4607310-А
Труба
В узле: 1
|
|||||||||||||||||||||||||||||||||||||||||||||||||||||||||||||||||||||||||||||||||||||||
| 80-4607310-А Трубка МТЗ |
|
Под заказ | 1 043.73 р. | ||||||||||||||||||||||||||||||||||||||||||||||||||||||||||||||||||||||||||||||||||||
|
14
85-4607063
Шланг
В узле: 1
|
|||||||||||||||||||||||||||||||||||||||||||||||||||||||||||||||||||||||||||||||||||||||
| 85-4607063 Труба МТЗ |
|
Под заказ | 145.95 р. | ||||||||||||||||||||||||||||||||||||||||||||||||||||||||||||||||||||||||||||||||||||
Содержащиеся в справочниках-каталогах запасные части и детали не предлагаются к продаже, а носят исключительно информационный характер