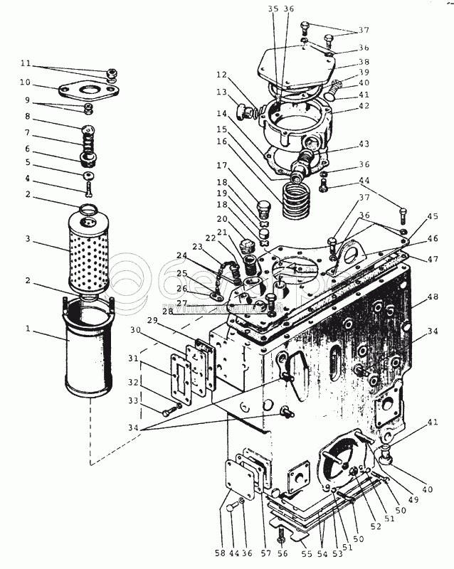
Каталог запасных частей к технике: МТЗ-80 (2002). 4608 Корпус гидроагрегатов и фильтр
1
2
2
3
4
5
6
7
8
9
10
11
12
13
14
15
16
17
18
18
19
20
21
22
23
24
25
26
27
28
29
30
31
32
33
34
34
35
36
36
36
36
36
37
37
38
39
40
40
41
41
42
43
44
44
45
46
47
48
49
50
50
51
51
52
53
54
55
56
57
58
|
29
85-4608086-А
Прокладка
В узле: 1
|
|||||||||||||||||||||||||||||||||||||||||||||||||||||||||||||||||||||||||||||||||||||||
| 85-4608086-А Прокладка (паронит 0,8мм) |
|
>10 шт. | 6.54 р. | ||||||||||||||||||||||||||||||||||||||||||||||||||||||||||||||||||||||||||||||||||||
|
40
50-4608027-В
Пробка
В узле: 1
|
|||||||||||||||||||||||||||||||||||||||||||||||||||||||||||||||||||||||||||||||||||||||
| 50-4608027-В Пробка МТЗ сливная бака гидросистемы , САЗ |
|
<10 шт. | 70.20 р. | ||||||||||||||||||||||||||||||||||||||||||||||||||||||||||||||||||||||||||||||||||||
|
13
85-4608021
Пробка
В узле: 1
|
|||||||||||||||||||||||||||||||||||||||||||||||||||||||||||||||||||||||||||||||||||||||
| 85-4608021 пробка (РБ) |
|
<10 шт. | 106.77 р. | ||||||||||||||||||||||||||||||||||||||||||||||||||||||||||||||||||||||||||||||||||||
|
17
50-4608059
Пробка сапуна
В узле: 1
|
|||||||||||||||||||||||||||||||||||||||||||||||||||||||||||||||||||||||||||||||||||||||
| 50-4608059 Пробка МТЗ сапуна , САЗ |
|
<10 шт. | 133.53 р. | ||||||||||||||||||||||||||||||||||||||||||||||||||||||||||||||||||||||||||||||||||||
|
16
85-4608057
Пружина
В узле: 1
|
|||||||||||||||||||||||||||||||||||||||||||||||||||||||||||||||||||||||||||||||||||||||
| 85-4608057 Пружина МТЗ, Беларусь |
|
Под заказ | 346.43 р. | ||||||||||||||||||||||||||||||||||||||||||||||||||||||||||||||||||||||||||||||||||||
|
А28.04.10.000
Клапан 8.20.004 в сборе
В узле: 1
|
|||||||||||||||||||||||||||||||||||||||||||||||||||||||||||||||||||||||||||||||||||||||
| А28.04.10.000 Клапан МТЗ масляного фильтра |
|
<10 шт. | 1 327.07 р. | ||||||||||||||||||||||||||||||||||||||||||||||||||||||||||||||||||||||||||||||||||||
|
38
85-4608022
Крышка
В узле: 1
|
|||||||||||||||||||||||||||||||||||||||||||||||||||||||||||||||||||||||||||||||||||||||
| 85-4608022 Крышка гидробака МТЗ |
|
Под заказ | 658.47 р. | ||||||||||||||||||||||||||||||||||||||||||||||||||||||||||||||||||||||||||||||||||||
|
10
А28.04.00.001
Ограничитель
В узле: 1
|
|||||||||||||||||||||||||||||||||||||||||||||||||||||||||||||||||||||||||||||||||||||||
| А28.04.00.001 Ограничитель корпуса МТЗ масляного фильтра |
|
<10 шт. | 75.13 р. | ||||||||||||||||||||||||||||||||||||||||||||||||||||||||||||||||||||||||||||||||||||
|
85-4608090
Клапан 85-4608091 в сборе
В узле: 1
|
|||||||||||||||||||||||||||||||||||||||||||||||||||||||||||||||||||||||||||||||||||||||
| 85-4608090 Клапан МТЗ гидробака в сб. |
|
Под заказ | 504.37 р. | ||||||||||||||||||||||||||||||||||||||||||||||||||||||||||||||||||||||||||||||||||||
|
19
50-4608063
Фильтр
В узле: 1
|
|||||||||||||||||||||||||||||||||||||||||||||||||||||||||||||||||||||||||||||||||||||||
| 50-4608063 Фильтр МТЗ |
|
Под заказ | 9.20 р. | ||||||||||||||||||||||||||||||||||||||||||||||||||||||||||||||||||||||||||||||||||||
|
15
С80-4607034
Штуцер
В узле: 1
|
|||||||||||||||||||||||||||||||||||||||||||||||||||||||||||||||||||||||||||||||||||||||
| С80-4607034 Штуцер |
|
<10 шт. | 725.14 р. | ||||||||||||||||||||||||||||||||||||||||||||||||||||||||||||||||||||||||||||||||||||
|
55
70-4607168
Пластина
В узле: 2
|
|||||||||||||||||||||||||||||||||||||||||||||||||||||||||||||||||||||||||||||||||||||||
| 70-4607168 Пластина МТЗ корпуса гидросистемы |
|
Под заказ | 39.74 р. | ||||||||||||||||||||||||||||||||||||||||||||||||||||||||||||||||||||||||||||||||||||
|
18
50-4608062
Шайба сапуна
В узле: 2
|
|||||||||||||||||||||||||||||||||||||||||||||||||||||||||||||||||||||||||||||||||||||||
| 50-4608062 Шайба МТЗ сапуна |
|
Под заказ | 14.07 р. | ||||||||||||||||||||||||||||||||||||||||||||||||||||||||||||||||||||||||||||||||||||
|
53
70-4608072
Пластина
В узле: 1
|
|||||||||||||||||||||||||||||||||||||||||||||||||||||||||||||||||||||||||||||||||||||||
| 70-4608072 Пластина МТЗ гидросистемы |
|
Под заказ | 920.22 р. | ||||||||||||||||||||||||||||||||||||||||||||||||||||||||||||||||||||||||||||||||||||
|
48
85-4608016-А
Корпус гидросистемы
В узле: 1
|
|||||||||||||||||||||||||||||||||||||||||||||||||||||||||||||||||||||||||||||||||||||||
| 85-4608016-А Корпус гидросистемы МТЗ |
|
Под заказ | 28 366.01 р. | ||||||||||||||||||||||||||||||||||||||||||||||||||||||||||||||||||||||||||||||||||||
Содержащиеся в справочниках-каталогах запасные части и детали не предлагаются к продаже, а носят исключительно информационный характер