Каталог запасных частей к технике: МТЗ-80 (2009). Основание, приборы

zoom-in zoom-out enlarge shrink circle-right circle-left file-text2 info cart arraw right arraw left zoom out zoom in arraw maximize arraw minimize
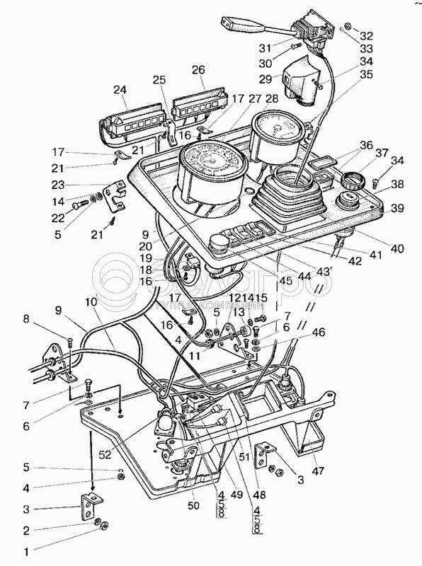
80-3805010-Д1
1
2
3
3
4
4
4
4
5
5
5
5
5
6
6
7
7
8
8
8
9
9
10
10
11
12
13
14
14
15
16
16
16
17
17
17
18
19
20
21
21
21
22
23
24
25
26
27
28
29
29
30
31
31
31
31
32
33
34
34
35
36
37
38
39
40
41
41
42
43
44
45
46
47
48
49
50
51
52
29
80-3709023-В
Кожух
В узле: 1
80-3709023-В Кожух МТЗ переключателя ПКП, Беларусь >10 шт. 50.39 р.
31
ПКП-1
Переключатель подрулевой
В узле: 1
ПКП-1 переключатель поворота МТЗ (3912.3769-03) Под заказ 1 582.14 р.
ПКП-1 Переключатель поворота МТЗ, SPILE Под заказ 338.86 р.
ПКП-1 переключатель (3912.3769-01) н/о Под заказ 1 582.14 р.
39
80-3805021-Б
Щиток
В узле: 1
80-3805021-Б Щиток приборов МТЗ, Беларусь Под заказ 494.26 р.
40
80-3805012-Б
Уплотнитель
В узле: 1
80-3805012-Б Уплотнитель МТЗ щитка приборов (чехол), Беларусь Под заказ 544.29 р.
29
80-3709023
Кожух
В узле: 1
80-3709023 Кожух МТЗ переключателя ПКП-1, Беларусь Под заказ 52.41 р.
41
80-3801327
Заглушка
В узле: 1
80-3801327 Заглушка МТЗ Под заказ 84.80 р.
37
80-3805014
Гайка
В узле: 1
80-3805014 Гайка МТЗ Под заказ 9.56 р.
10
80-3724512-В1
Жгут
В узле: 1
80-3724512-В1 Жгут пусковой МТЗ щитка, Беларусь Под заказ 925.82 р.
80-3805010-Д1
Щиток приборов
В узле: 1
1
М10
Гайка
В узле: 2
2
ШП10
Шайба
В узле: 2
3
80-3805030
Кронштейн
В узле: 2
4
М6
Гайка
В узле: 11
5
ШП6
Шайба
В узле: 13
6
ШП8
Шайба
В узле: 2
7
М8х16
Болт
В узле: 2
34
ВМ6х12
Винт
В узле: 4
9
80-3724395-Г
Жгут
В узле: 1
10
82П-3724317
Жгут
В узле: 1
11
70-3723042-01
Втулка
В узле: 1
12
80-3805043
Кронштейн
В узле: 1
13
3747.15
Реле лампы ручного тормоза
В узле: 1
14
ШЧ6
Шайба
В узле: 6
15
М6х16
Винт
В узле: 4
16
4x10
Винт
В узле: 4
17
80-3723026
Скоба
В узле: 4
18
ШЧ5
Шайба
В узле: 1
19
3747.20
Реле-сигнализатор
В узле: 1
20
80-3805064
Заглушка
В узле: 1
21
4x16
Шуруп
В узле: 7
22
ВМ6х18
Винт
В узле: 2
23
80-3805035-01
Кронштейн левый
В узле: 1
24
3808.15
Блок контрольных ламп
В узле: 1
25
80-3805015
Кронштейн
В узле: 1
26
3803.10
Блок контрольных ламп
В узле: 1
27
3801.15
Комбинация приборов
В узле: 1
28
3813.10
Тахоспидометр
В узле: 1
30
ВМ5х12
Винт
В узле: 2
31
ПКП-1А
Переключатель подрулевой
В узле: 1
31
3912.3769
Переключатель подрулевой
В узле: 1
31
3912.3769-1
Переключатель подрулевой
В узле: 1
32
М5
Гайка
В узле: 2
33
ШП5
Шайба
В узле: 2
35
80-3805035
Кронштейн правый
В узле: 1
36
3813.15
Пульт управления
В узле: 1
38
3710.45
Выключатель стартера и приборов
В узле: 1
41
3710.55
Выключатель «массы»
В узле: 1
43
3710.50
Выключатель средств облегчения пуска
В узле: 1
44
3709.20
Переключатель света
В узле: 1
45
3710.10
Выключатель аварийной сигнализации
В узле: 1
46
ШЧ8
Шайба
В узле: 1
47
80-3805050-Б1-02
Основание
В узле: 1
48
50-4607064
Втулка
В узле: 1
49
3741.20
Сопротивление добавочное
В узле: 1
50
80-3723036
Скоба
В узле: 1
51
3747.50
Реле на замыкание
В узле: 2
52
80-3724610-Б
Жгут
В узле: 1
Содержащиеся в справочниках-каталогах запасные части и детали не предлагаются к продаже, а носят исключительно информационный характер

Ваша заявка была отправлена. В ближайшее время наши специалисты с Вами свяжутся по указанному Вами телефону.

Представьтесь
Поле обязательно для заполнения
Ваш телефон
Введите правильный номер телефона
E-mail
Введите правильный e-mail
Тема
Тема
применяемость финансирование доставка цена, наличие другое сервис и гарантия
Время для звонка
08:00
08:00 09:00 10:00 11:00 12:00 13:00 14:00 15:00 16:00 17:00 18:00 19:00
19:00
08:00 09:00 10:00 11:00 12:00 13:00 14:00 15:00 16:00 17:00 18:00 19:00

Мы постараемся перезвонить в указанное время

Если вы не хотите ждать, то звоните нашим вежливым консультантам:

8 800 100-2-700
Подтвердите, что вы не робот
Подтвердите, что вы не робот
Спасибо!

Ваше сообщение успешно отправлено!

ЗакрытьПовторить попытку