Каталог запасных частей к технике: МТЗ-900. Регулятор частоты вращения

zoom-in zoom-out enlarge shrink circle-right circle-left file-text2 info cart arraw right arraw left zoom out zoom in arraw maximize arraw minimize
2
3
3
3
4
4
5
6
7
8
9
10
11
12
13
14
14
14
15
15
16
17
18
19
19
19
20
21
22
23
24
25
26
27
28
29
30
31
32
33
34
34
35
36
36
37
38
39
40
41
42
43
44
45
46
47
48
50
51
52
53
54
55
56
57
УТН-5-1110240-И
Ступица в сборе
В узле: 1
УТН5-1110240-И Ступица МТЗ,ЗИЛ грузов с грузами, РФ <10 шт. 7 577.30 р.
27
17-004А
Сальник
В узле: 1
17-004А Сальник валика Под заказ 127 р.
УТН-5-1110160-Е
Груз со втулкой в сборе
В узле: 4
УТН-5-1110320-В
Втулка с сальником и обоймой в сборе
В узле: 1
УТН-5-1110290-А
Рычаг УТН-5-1110274-А со втулкой в сборе
В узле: 1
УТН-5-1110200-В
Рычаг УТН-5-1110195-К со втулкой в сборе
В узле: 1
УТН-5-1110230-В3
Корректор в сборе
В узле: 1
4УТНМ-Т-1110020
Корпус в сборе
В узле: 1
4УТНМ-Т-1110010-01
Регулятор в сборе
В узле: 1
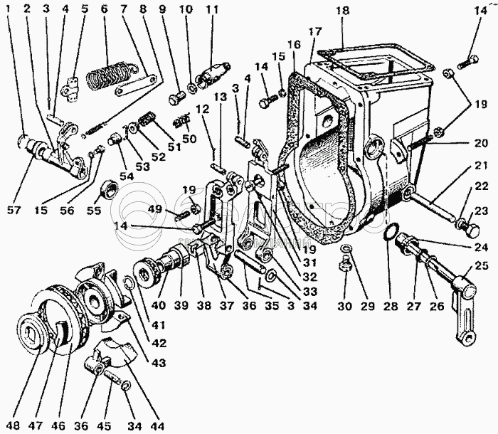
1
Заглушка 17-071
Заглушка 17-071
В узле: 2
2
УТН-5-1110155Г5
Рычаг
В узле: 4
3
Шплинт 2х10
Шплинт 2х10
В узле: 6
4
ОНМ-087
Палец
В узле: 2
5
УТН-3-1110171-Г
Серьга
В узле: 1
6
УТН-5-1110187-Д
Пружина
В узле: 1
7
УТН-5-1110304
Тяга
В узле: 1
8
УТН-5-1110193
Пружина
В узле: 1
9
УТН-5-1110233-Б2
Шток
В узле: 1
10
УТН-1110232
Прокладка
В узле: ---
11
УТН-5-1110231-Б
Корпус
В узле: 1
12
Шплинт 2х16
Шплинт 2х16
В узле: 1
13
УТН-5-1110403
Палец
В узле: 1
14
Болт М6х20
Болт М6х20
В узле: 12
15
Шайба ШП6
Шайба ШП6
В узле: 11
16
УТН-5-1110303
Прокладка
В узле: 1
17
4УТНМ-Т-1110025
Корпус
В узле: 1
18
УТН-5-1110302-А
Прокладка
В узле: 1
19
Гайка М6
Гайка М6
В узле: 4
20
УТН-5-1110401-Б3
Винт
В узле: 1
21
Д40-1110365-Б
Ось
В узле: 1
22
Д40-1110386-А
Прокладка
В узле: 1
23
УТН-5-1110409
Заглушка
В узле: 1
24
УТН-5-1110321-Б1
Втулка
В узле: 1
25
УТН-5-1110308-Д
Рычаг управления
В узле: 1
26
УТН-5-1110323-Б
Обойма
В узле: 1
28
Кольцо 16-240
Кольцо 16-240
В узле: 1
29
ОНМ-086-1
Прокладка
В узле: 1
30
ОНМ-019-2
Болт
В узле: 1
31
УТН-5-1110274-А
Рычаг
В узле: 1
32
УТН-3-1110026
Упор
В узле: 1
33
ОНМ-170
Втулка
В узле: 2
34
УТН-5-1110242
Шайба
В узле: 8
35
УТН-5-П10191
Ось ролика
В узле: 1
36
УТН-5-1110166
Втулка
В узле: 5
37
УТН-5-1110195-К
Рычаг
В узле: 1
38
УТН-5-1110153-Г2
Пята
В узле: 1
39
УТН-3-1110144-Б
Муфта
В узле: 1
40
УТН-3-1110145
Втулка
В узле: 1
41
17-031-1А
Подшипник 8202У
В узле: 1
42
УТН-3-1110311-Е
Кольцо
В узле: 1
43
УТН-5-1110132-М3
Ступица
В узле: 1
44
УТН-5-1110165-Е
Груз
В узле: 4
45
УТН-5-1110241
Ось грузов
В узле: 4
46
8110
Шарикоподшипник ГОСТ 6874-75
В узле: 1
47
236-1110517-Б2
Сухарь
В узле: 4
48
УТН-5-1110251-Г2
Шайба
В узле: 1
50
4УТНМ-1110446
Пружина
В узле: 2
51
УТН-5-1110234-Д
Пружина
В узле: 1
52
УТН-5-1110238-А1
Тарелка
В узле: 1
53
УТН-5-1110237
Скоба
В узле: 1
54
УТН-5-1110235-Б2
Винт
В узле: 1
55
УТН-5-1110281-Б
Втулка
В узле: 1
56
Болт М6х12
Болт М6х12
В узле: 1
57
4УТНМ-1110021
Втулка
В узле: 1
Содержащиеся в справочниках-каталогах запасные части и детали не предлагаются к продаже, а носят исключительно информационный характер

Ваша заявка была отправлена. В ближайшее время наши специалисты с Вами свяжутся по указанному Вами телефону.

Представьтесь
Поле обязательно для заполнения
Ваш телефон
Введите правильный номер телефона
E-mail
Введите правильный e-mail
Тема
Тема
применяемость финансирование доставка цена, наличие другое сервис и гарантия
Время для звонка
08:00
08:00 09:00 10:00 11:00 12:00 13:00 14:00 15:00 16:00 17:00 18:00 19:00
19:00
08:00 09:00 10:00 11:00 12:00 13:00 14:00 15:00 16:00 17:00 18:00 19:00

Мы постараемся перезвонить в указанное время

Если вы не хотите ждать, то звоните нашим вежливым консультантам:

8 800 100-2-700
Подтвердите, что вы не робот
Подтвердите, что вы не робот
Спасибо!

Ваше сообщение успешно отправлено!

ЗакрытьПовторить попытку