Каталог запасных частей к технике: МТЗ-900. Насос топливный высокого давления

zoom-in zoom-out enlarge shrink circle-right circle-left file-text2 info cart arraw right arraw left zoom out zoom in arraw maximize arraw minimize
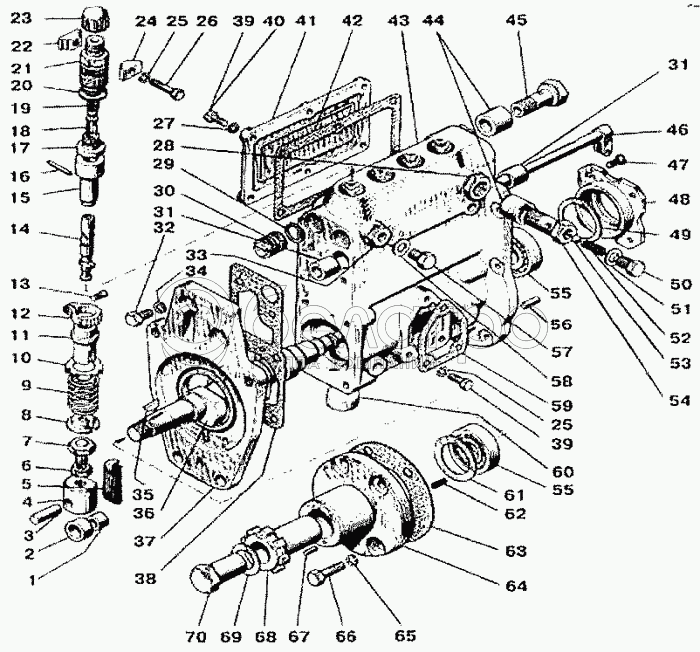
1
2
3
4
5
6
7
8
9
10
11
12
13
14
15
16
17
18
19
20
21
22
23
24
25
25
26
27
28
29
30
31
31
32
33
34
35
36
37
38
39
39
40
41
42
43
44
45
46
47
48
49
50
51
52
53
54
55
55
56
57
58
59
60
61
62
63
64
65
66
67
68
69
70
19
16-068-А
Пружина
В узле: 4
16-068-А Пружина МТЗ топливного насоса 4УТНМ, Беларусь Под заказ 38.65 р.
16-С13-1Б
Клапан перепускной в сборе
В узле: 1
УТН-5-1111220
Клапан с седлом в сборе
В узле: 4
4УТНМ-1111090-01
Толкатель в сборе
В узле: 4
4УТНМ-1111410-02
Плунжерная пара в сборе
В узле: 4
4УТНМ-Т-1111010-30
Насос топливный
В узле: 1
4УТНМ-Т-1111005-20
Насос топливный
В узле: 1
1
УТН-3-1111264
Втулка
В узле: 4
2
УТН-3-1111263
Ролик
В узле: 4
3
4УТНМ-1111266
Ось
В узле: 4
4
4УТНМ-1111262-01
Корпус толкателя
В узле: 4
5
4УТНМ-11114.26
Фиксатор
В узле: 2
6
УТН-5-1111267
Контргайка
В узле: 4
7
4УТНМ-1111265
Болт
В узле: 4
8
4УТНМ-1111472
Тарелка
В узле: 4
9
УТН-5-1111138
Пружина
В узле: 4
10
УТН-5-1111473-А
Тарелка
В узле: 4
11
УТН-5-1111431-Б
Втулка
В узле: 4
12
4УТНМ-1111432-01
Венец
В узле: 4
13
УТН-5-1111433-А
Винт
В узле: 4
14
4УТНМ-1111422-02
Плунжер
В узле: 4
15
4УТНМ-1111425-01
Втулка
В узле: 4
16
УТН-3-1111489
Штифт
В узле: 4
17
УТН-5-1111226
Седло
В узле: 4
18
УТН-5-1111224
Клапан
В узле: 4
20
16-212
Прокладка
В узле: 4
21
УТН-3-11П485
Штуцер
В узле: 4
22
УТН-3-1111478-А2
Зажим
В узле: 2
23
119-73-В
Колпачок (деталь технологическая)
В узле: 4
24
УТН-3-1111477-А2
Зажим
В узле: 2
25
Шайба ШП6
Шайба ШП6
В узле: 11
26
Болт М6х30
Болт М6х30
В узле: 2
27
УТН-3-1111488-01
Шайба
В узле: 6
28
УТН-3-1111028-В2
Футорка
В узле: 1
29
УТН-5-1111519
Кольцо
В узле: 4
30
УТН-5-1111023-А
Пробка
В узле: 4
31
УТН-5-1111029
Втулка
В узле: 2
32
Болт М8х16
Болт М8х16
В узле: 2
33
УТН-3-1111022-Б
Футорка
В узле: 1
34
УТН-5-1110242
Шайба
В узле: 2
35
УТН-5-11111155
Шпонка
В узле: 1
36
4УТНМ-1111152-В
Вал кулачковый
В узле: 1
37
4УТНМ-1111082
Плита
В узле: 1
38
4УТНМ-1111483
Прокладка
В узле: 1
39
Болт М6х20
Болт М6х20
В узле: 14
40
Болт 3М6х20
Болт 3М6х20
В узле: 1
41
УТН-5-1111475-А6
Крышка
В узле: 1
42
УТН-5-1111476-А5
Прокладка
В узле: 1
43
4УТНМ-1111025-20
Корпус
В узле: 1
44
119-85-1
Втулка (деталь технологическая)
В узле: 2
45
А12.01.003-03
Болт
В узле: 1
46
УТН-5-1111350
Рейка
В узле: 1
47
ВМ6-6qх12
Винт
В узле: 4
48
УТН-5-1111451-И
Стакан
В узле: 1
49
4УТНМ-1111213
Прокладка регулировочная
В узле: ---
50
16-218
Пробка
В узле: 1
51
16-219
Прокладка
В узле: 1
52
16-057
Пружина
В узле: 1
53
16-262
Шарик
В узле: 1
54
16-216-1
Корпус
В узле: 1
55
Подшипник 7204Л
Подшипник 7204Л
В узле: 2
56
Д40-1110026
Штифт
В узле: 2
57
ОНМ-019-2
Болт
В узле: 1
58
ОНМ-086-1
Прокладка
В узле: 1
59
16-148-Б
Прокладка
В узле: 1
60
УТН-3-111026-А2
Пробка
В узле: 4
61
4УТНМ-1111244
Пластина опорная
В узле: 1
62
4УТНМ-1111243-10
Пружина
В узле: 6
63
4УТНМ-1111493
Прокладка
В узле: 1
64
4УТНМ-1111162-10
Фланец
В узле: 1
65
Шайба ШП8
Шайба ШП8
В узле: 4
66
Болт М8х30
Болт М8х30
В узле: 4
67
УТН-5-1111163
Заглушка
В узле: 1
68
УТН-3-1111165
Втулка
В узле: 1
69
16-091
Шайба
В узле: 1
70
УТН-5-1111471
Гайка
В узле: 1
Содержащиеся в справочниках-каталогах запасные части и детали не предлагаются к продаже, а носят исключительно информационный характер

Ваша заявка была отправлена. В ближайшее время наши специалисты с Вами свяжутся по указанному Вами телефону.

Представьтесь
Поле обязательно для заполнения
Ваш телефон
Введите правильный номер телефона
E-mail
Введите правильный e-mail
Тема
Тема
применяемость финансирование доставка цена, наличие другое сервис и гарантия
Время для звонка
08:00
08:00 09:00 10:00 11:00 12:00 13:00 14:00 15:00 16:00 17:00 18:00 19:00
19:00
08:00 09:00 10:00 11:00 12:00 13:00 14:00 15:00 16:00 17:00 18:00 19:00

Мы постараемся перезвонить в указанное время

Если вы не хотите ждать, то звоните нашим вежливым консультантам:

8 800 100-2-700
Подтвердите, что вы не робот
Подтвердите, что вы не робот
Спасибо!

Ваше сообщение успешно отправлено!

ЗакрытьПовторить попытку