Каталог запасных частей к технике: МТЗ-900. Топливные трубопроводы. Установка топливной аппаратуры

zoom-in zoom-out enlarge shrink circle-right circle-left file-text2 info cart arraw right arraw left zoom out zoom in arraw maximize arraw minimize
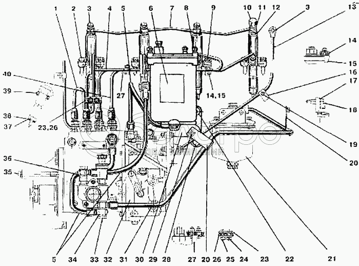
1
2
3
3
4
5
5
6
7
8
9
10
11
12
13
14
14
15
15
16
17
18
19
20
20
21
22
23
23
24
25
26
26
27
27
28
29
30
31
32
33
34
35
36
37
38
39
40
5
240-1104160-02
Трубка
В узле: 3
240-1104160-02 Трубка МТЗ, Д-240, ЗИЛ L=350 >10 шт. 322.43 р.
240-1104160-02 Трубка МТЗ, Д-240, ЗИЛ L=350, (А) >10 шт. 42.07 р.
10
240-1111112
Штуцер
В узле: 1
240-1111112 Штуцер МТЗ форсунки, ММЗ <10 шт. 271.17 р.
240-1111112 Штуцер МТЗ форсунки, (А) >10 шт. 28.50 р.
3
36-1104787
Болт
В узле: 4
36-1104787 Болт МТЗ М10х1.0х22 обратки форсунки, САЗ* >10 шт. 55.36 р.
36-1104787 Болт МТЗ М10х1.0х22 обратки форсунки, (А) Под заказ 5.43 р.
1
240-1104300-01
Трубка первая
В узле: 1
240-1104300-01 Топливопровод МТЗ, ЗИЛ, Д-240 первой форсунки, ММЗ Под заказ 776.01 р.
240-1104300-01 Топливопровод МТЗ, ЗИЛ, Д-240 первой форсунки, (А) >10 шт. 106.12 р.
4
240-1104300-02
Трубка вторая
В узле: 1
240-1104300-02 Топливопровод МТЗ, ЗИЛ, Д-240 второй форсунки, ММЗ Под заказ 776.01 р.
240-1104300-02 Топливопровод МТЗ, ЗИЛ, Д-240 второй форсунки, (А) >10 шт. 105.25 р.
33
240-1111103-А
Болт
В узле: 1
240-1111103-А Болт МТЗ поворотного угольника, длинный, 2 отверстия, ММЗ <10 шт. 213.04 р.
240-1111103-А Болт МТЗ поворотного угольника, длинный, 2 отверстия, (А) Под заказ 17.20 р.
9
240-1104300-03
Трубка третья
В узле: 1
240-1104300-03 Топливопровод МТЗ, ЗИЛ, Д-240 третьей форсунки, ММЗ Под заказ 776.01 р.
240-1104300-03 Топливопровод МТЗ, ЗИЛ, Д-240 третьей форсунки, (А) Под заказ 89.27 р.
40
240-1104300-04
Трубка четвертая
В узле: 1
240-1104300-04 Топливопровод МТЗ, ЗИЛ, Д-240 четвертой форсунки, ММЗ Под заказ 776.01 р.
240-1104300-04 Топливопровод МТЗ, ЗИЛ, Д-240 четвертой форсунки, (А) Под заказ 89.79 р.
11
36-1104788
Прокладка
В узле: 6
36-1104788 Шайба 10.0х16.0х1.5 Д-240, Д-245 уплотнительная медная, (А) Под заказ 4.48 р.
7
240-1104320-А2-02
Топливопровод
В узле: 1
240-1104320-А2-02 Топливопровод дренажный Под заказ 787.90 р.
13
245-1104330
Трубка пневмокорректора
В узле: 1
245-1104330 Трубка пневмокорректора* Под заказ 573.20 р.
6
240-1117010-А-01
Фильтр топливный
В узле: 1
240-1117010-А-01 Фильтр топливный тонкой очистки ММЗ Под заказ 4 579.50 р.
Шайба ШП8
Шайба ШП8
В узле: 1
240-1111107
Колодка
В узле: 1
2
Болт М10х35
Болт М10х35
В узле: 10
8
145-1112010-01
Форсунка ФД-22 М
В узле: 4
12
36-1104788-01
Прокладка
В узле: 6
14
240-1111114
Колодка
В узле: 1
15
240-1111125-Б
Кронштейн
В узле: 1
16
245-1111104
Хомутик
В узле: 1
17
Шайба ШП10
Шайба ШП10
В узле: 8
18
Болт М10х25
Болт М10х25
В узле: 2
19
Болт М8х20
Болт М8х20
В узле: 1
20
50-1111101-Б1
Хомутик
В узле: 2
21
А23.30.000-01-10
Фильтр-отстойник в сборе
В узле: 1
22
245-1117062
Шпилька
В узле: 3
23
50-111107В
Хомутик
В узле: 2
24
Шайба ШП6
Шайба ШП6
В узле: 6
25
Гайка М6
Гайка М6
В узле: 6
26
240-1111106
Колодка
В узле: 2
27
240-1111115-Б
Кронштейн
В узле: 1
28
Болт М10х30
Болт М10х30
В узле: 3
29
М10
Гайка
В узле: 3
30
245-1117061
Кронштейн
В узле: 1
31
240-1104160
Трубка
В узле: 1
32
4УТНМ-Т-1111005-20
Насос топливный
В узле: 1
34
Д18-055А
Кольцо
В узле: 3
35
Болт М10х120
Болт М10х120
В узле: 2
36
Д18-055А-01
Кольцо уплотнительное
В узле: 4
37
245-1111022-А
Прокладка
В узле: 4
38
245-1111021
Обойма
В узле: 4
39
240-1111036-Б
Кольцо защитное форсунки
В узле: 4
Содержащиеся в справочниках-каталогах запасные части и детали не предлагаются к продаже, а носят исключительно информационный характер

Ваша заявка была отправлена. В ближайшее время наши специалисты с Вами свяжутся по указанному Вами телефону.

Представьтесь
Поле обязательно для заполнения
Ваш телефон
Введите правильный номер телефона
E-mail
Введите правильный e-mail
Тема
Тема
применяемость финансирование доставка цена, наличие другое сервис и гарантия
Время для звонка
08:00
08:00 09:00 10:00 11:00 12:00 13:00 14:00 15:00 16:00 17:00 18:00 19:00
19:00
08:00 09:00 10:00 11:00 12:00 13:00 14:00 15:00 16:00 17:00 18:00 19:00

Мы постараемся перезвонить в указанное время

Если вы не хотите ждать, то звоните нашим вежливым консультантам:

8 800 100-2-700
Подтвердите, что вы не робот
Подтвердите, что вы не робот
Спасибо!

Ваше сообщение успешно отправлено!

ЗакрытьПовторить попытку