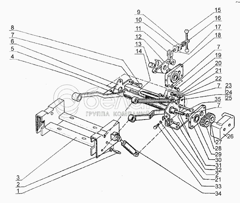
Каталог запасных частей к технике: МТЗ-90/92. Сиденье. Механизм регулировки

zoom-in zoom-out enlarge shrink circle-right circle-left file-text2 info cart arraw right arraw left zoom out zoom in arraw maximize arraw minimize
1
2
2
3
4
5
6
7
7
7
7
8
9
10
11
12
13
14
15
16
17
18
19
20
21
21
22
23
24
25
26
27
28
29
30
31
32
33
34
35
1
85-6801012
Палец
В узле: 1
2
70-6801307
Шайба
В узле: 3
3
70-6801410
Остов
В узле: 1
4
85-6801360А
Рычаг
В узле: 1
5
85-6801320А
Стабилизатор
В узле: 1
6
85-6801310
Корпус
В узле: 1
7
ШП8
Шайба
В узле: 7
8
М8х40
Болт
В узле: 2
9
70-6801013
Шайба
В узле: 1
10
70-6801011
Сухарь
В узле: 1
11
70-6801302
Рычаг
В узле: 1
12
70-6801301
Крышка
В узле: 1
13
70-6801008
Гайка
В узле: 1
14
ПР-41
Амортизатор
В узле: 1
15
70-6801080
Винт
В узле: 1
16
130-3520057-Б
Пружина
В узле: 1
17
5.0-100
Шарик
В узле: 11
18
85-6801330
Опора
В узле: 1
19
М8х25
Болт
В узле: 1
20
М10x35
Болт
В узле: 6
21
ШП 10
Шайба
В узле: 10
22
М8х55
Болт
В узле: 2
23
85-6801006
Втулка
В узле: 6
24
85-6801309
Шайба
В узле: 2
25
М10
Гайка
В узле: 1
26
85-6801340
Корпус
В узле: 1
27
3х15,8АЗ
Ролик
В узле: 1
28
70-6801303-Б
Соединитель
В узле: 2
29
85-6801305
Втулка
В узле: 2
30
85-6801330
Опора
В узле: 1
31
70-6801304
Торсион
В узле: 2
32
85-6801012-01
Палец
В узле: 1
33
М10х18
Болт
В узле: 2
34
80-6809100
Амортизатор
В узле: 1
35
М8х35
Болт
В узле: 2
Содержащиеся в справочниках-каталогах запасные части и детали не предлагаются к продаже, а носят исключительно информационный характер

Ваша заявка была отправлена. В ближайшее время наши специалисты с Вами свяжутся по указанному Вами телефону.

Представьтесь
Поле обязательно для заполнения
Ваш телефон
Введите правильный номер телефона
E-mail
Введите правильный e-mail
Тема
Тема
применяемость финансирование доставка цена, наличие другое сервис и гарантия
Время для звонка
08:00
08:00 09:00 10:00 11:00 12:00 13:00 14:00 15:00 16:00 17:00 18:00 19:00
19:00
08:00 09:00 10:00 11:00 12:00 13:00 14:00 15:00 16:00 17:00 18:00 19:00

Мы постараемся перезвонить в указанное время

Если вы не хотите ждать, то звоните нашим вежливым консультантам:

8 800 100-2-700
Подтвердите, что вы не робот
Подтвердите, что вы не робот
Спасибо!

Ваше сообщение успешно отправлено!

ЗакрытьПовторить попытку