Каталог запасных частей к технике: МТЗ-90/92. Сиденье оператора

zoom-in zoom-out enlarge shrink circle-right circle-left file-text2 info cart arraw right arraw left zoom out zoom in arraw maximize arraw minimize
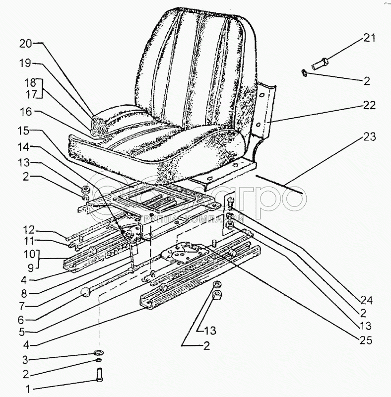
1
2
2
2
2
2
3
4
4
5
6
7
8
9
10
11
12
13
13
13
14
15
16
17
18
19
20
21
22
23
24
25
19
80В-6804007
Подушка
В узле: 2
80В-6804007 Подушка сиденья МТЗ нижняя (ОЗАА) Под заказ 1 407.31 р.
1
М8х35
Болт
В узле: 4
2
ШП8
Шайба
В узле: 22
3
ШЧ8
Шайба
В узле: 2
4
70-6804420
Направляющая
В узле: 2
5
70-6804410
Направляющая
В узле: 1
6
70-6804430
Стопор
В узле: 1
7
70-6804305
Стяжка
В узле: 1
8
70-6804432
Стопор
В узле: 1
9
010-015-30-2-2
Кольцо
В узле: 4
10
70-6804391
Ролик
В узле: 4
11
70-6804415
Направляющая
В узле: 1
12
70-6804394-Б
Пруток
В узле: 4
13
М8
Гайка
В узле: 7
25
70-6804393
Пружина
В узле: 1
15
70-6804014-А
Кронштейн
В узле: 1
16
70-6803060
Основание
В узле: 2
17
ШЧ5
Шайба
В узле: 18
18
80-6809041
Заклепка
В узле: 9
20
70-6803020
Чехол
В узле: 2
21
М8х16
Болт
В узле: 4
22
50-6800030
Остов
В узле: 1
23
70-6803012
Ось
В узле: 2
24
70-6804392
Ось
В узле: 1
Содержащиеся в справочниках-каталогах запасные части и детали не предлагаются к продаже, а носят исключительно информационный характер

Ваша заявка была отправлена. В ближайшее время наши специалисты с Вами свяжутся по указанному Вами телефону.

Представьтесь
Поле обязательно для заполнения
Ваш телефон
Введите правильный номер телефона
E-mail
Введите правильный e-mail
Тема
Тема
применяемость финансирование доставка цена, наличие другое сервис и гарантия
Время для звонка
08:00
08:00 09:00 10:00 11:00 12:00 13:00 14:00 15:00 16:00 17:00 18:00 19:00
19:00
08:00 09:00 10:00 11:00 12:00 13:00 14:00 15:00 16:00 17:00 18:00 19:00

Мы постараемся перезвонить в указанное время

Если вы не хотите ждать, то звоните нашим вежливым консультантам:

8 800 100-2-700
Подтвердите, что вы не робот
Подтвердите, что вы не робот
Спасибо!

Ваше сообщение успешно отправлено!

ЗакрытьПовторить попытку