Каталог запасных частей к технике: ВгТЗ ДТ-75Н. Оборудование кабины. Омыватель переднего стекла

zoom-in zoom-out enlarge shrink circle-right circle-left file-text2 info cart arraw right arraw left zoom out zoom in arraw maximize arraw minimize
78.46.332.01
78.46.332
10.01
8.01
8.65Г
8.65Г
88.47.285-01
78.46.331
78.46.325
М8.6gх16
78.46.329
78.46.068
77.48.116
78.46.322
78.46.330
78.46.326
78.46.323
М8.6gх25
78.46.069
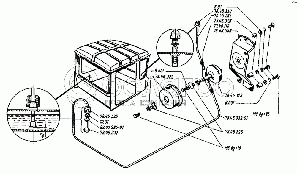
Омыватель С0203
В узле: 1
78.46.332.01
Шланг
В узле: 1
78.46.332
Шланг
В узле: 1
10.01
Шайба ГОСТ 11371-78
В узле: 1
8.01
Шайба
В узле: 3
8.65Г
Шайба ГОСТ 6402-70
В узле: 5
88.47.285-01
Шайба
В узле: 1
78.46.331
Фильтр
В узле: 1
78.46.325
Ушко
В узле: 2
М8.6gх16
Болт
В узле: 2
78.46.329
Насос
В узле: 1
78.46.068
Кронштейн
В узле: 1
77.48.116
Кольцо
В узле: 2
78.46.322
Колпак
В узле: 1
78.46.330
Головка
В узле: 1
78.46.326
Гайка
В узле: 1
78.46.323
Втулка
В узле: 3
М8.6gх25
Болт
В узле: 3
Содержащиеся в справочниках-каталогах запасные части и детали не предлагаются к продаже, а носят исключительно информационный характер

Ваша заявка была отправлена. В ближайшее время наши специалисты с Вами свяжутся по указанному Вами телефону.

Представьтесь
Поле обязательно для заполнения
Ваш телефон
Введите правильный номер телефона
E-mail
Введите правильный e-mail
Тема
Тема
применяемость финансирование доставка цена, наличие другое сервис и гарантия
Время для звонка
08:00
08:00 09:00 10:00 11:00 12:00 13:00 14:00 15:00 16:00 17:00 18:00 19:00
19:00
08:00 09:00 10:00 11:00 12:00 13:00 14:00 15:00 16:00 17:00 18:00 19:00

Мы постараемся перезвонить в указанное время

Если вы не хотите ждать, то звоните нашим вежливым консультантам:

8 800 100-2-700
Подтвердите, что вы не робот
Подтвердите, что вы не робот
Спасибо!

Ваше сообщение успешно отправлено!

ЗакрытьПовторить попытку