Каталог запасных частей к технике: ВгТЗ ДТ-75Н. Тент

zoom-in zoom-out enlarge shrink circle-right circle-left file-text2 info cart arraw right arraw left zoom out zoom in arraw maximize arraw minimize
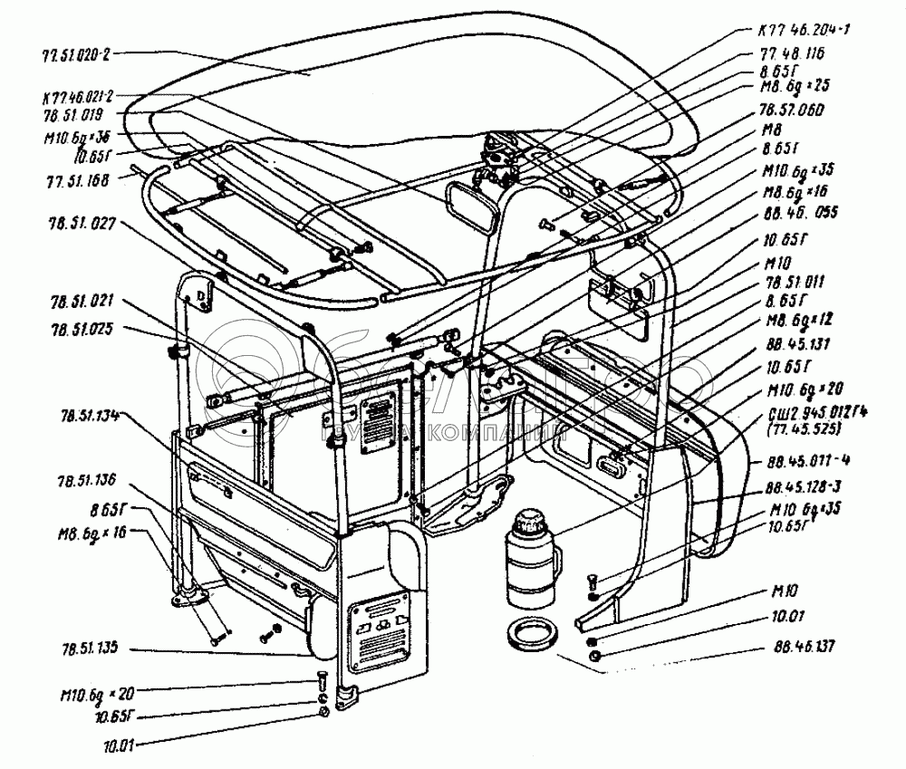
78.51.021
77.51.168
88.45.128-3
78.51.136
78.51.135
78.51.025
88.45.011-4
78.51.027
78.51.011
СШ2.945.012Г4
88.46.137
8.65Г
8.65Г
8.65Г
8.65Г
10.65Г
10.65Г
10.65Г
10.65Г
10.65Г
10.01
10.01
77.45.525
45 9412 1135
М8
М8.6gх25
М10.6gх20
М10.6gх20
М10.6gх35
М10.6gх35
М10.6gх35
К77.46.204-1
М8.6gх16
М8.6gх16
М10
М10
К77.46.021-2
78.51.019
88.46.055
77.48.116
78.51.134
78.57.060
88.45.131
77.51.020-2
78.51.021
Труба
В узле: 1
77.51.168
Пруток
В узле: 4
88.45.128-3
Рейка
В узле: 1
78.51.136
Связь левая
В узле: 1
78.51.135
Связь правая
В узле: 1
78.51.025
Стенка левая
В узле: 1
88.45.011-4
Стенка передняя в сборе
В узле: 1
78.51.027
Стойка задняя
В узле: 1
78.51.011
Стойка передняя
В узле: 1
78.51.001
Тент
В узле: ---
СШ2.945.012Г4
Термос
В узле: 1
88.46.137
Прокладка термоса
В узле: 1
78.46.320
Футляр аптечки
В узле: 1
5.65Г
Шайба ГОСТ 6402-70
В узле: 2
8.65Г
Шайба ГОСТ 6402-70
В узле: 24
10.65Г
Шайба ГОСТ 6402-70
В узле: 35
5.01
Шайба
В узле: 2
8.01
Шайба
В узле: 15
8.04
Шайба
В узле: 11
10.01
Шайба ГОСТ 11371-78
В узле: 30
77.45.525
Термос
В узле: ---
45 9412 1135
Болт М8.6gх12
В узле: ---
М8
Гайка
В узле: 2
М8.6gх20
Болт
В узле: 1
М8.6gх25
Болт
В узле: 3
М10.6gх20
Болт
В узле: 17
М10.6gх30
Болт
В узле: 6
М10.6gх35
Болт
В узле: 10
М10.6gх65
Болт
В узле: 2
В1М5.6gх12
Винт
В узле: 2
В1М5.6gх14
Винт
В узле: 2
К77.46.204-1
Втулка
В узле: 3
М5
Гайка
В узле: 2
М8.6gх16
Болт
В узле: 23
М10
Гайка ГОСТ 5915-70
В узле: 13
К77.46.021-2
Зеркало заднего виде
В узле: 1
78.51.019
Каркас крыши
В узле: 1
88.46.055
Козырек снегозащитный
В узле: 1
77.48.116
Кольцо
В узле: 3
78.51.134
Кронштейн
В узле: 1
78.57.060
Маховичок
В узле: 1
88.45.131
Окантовка
В узле: 1
77.51.020-2
Полотнище в сборе
В узле: 1
Содержащиеся в справочниках-каталогах запасные части и детали не предлагаются к продаже, а носят исключительно информационный характер

Ваша заявка была отправлена. В ближайшее время наши специалисты с Вами свяжутся по указанному Вами телефону.

Представьтесь
Поле обязательно для заполнения
Ваш телефон
Введите правильный номер телефона
E-mail
Введите правильный e-mail
Тема
Тема
применяемость финансирование доставка цена, наличие другое сервис и гарантия
Время для звонка
08:00
08:00 09:00 10:00 11:00 12:00 13:00 14:00 15:00 16:00 17:00 18:00 19:00
19:00
08:00 09:00 10:00 11:00 12:00 13:00 14:00 15:00 16:00 17:00 18:00 19:00

Мы постараемся перезвонить в указанное время

Если вы не хотите ждать, то звоните нашим вежливым консультантам:

8 800 100-2-700
Подтвердите, что вы не робот
Подтвердите, что вы не робот
Спасибо!

Ваше сообщение успешно отправлено!

ЗакрытьПовторить попытку