Каталог запасных частей к технике: ВгТЗ ДТ-75Н. Цилиндр основной

zoom-in zoom-out enlarge shrink circle-right circle-left file-text2 info cart arraw right arraw left zoom out zoom in arraw maximize arraw minimize
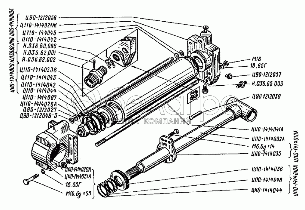
Ц90-1212027
Ц110-1414035
Ц110-1414026-А
Ц90-1212030
Ц110-1414009
Ц110-1414023-В
Ц110-1414048
Ц110-1414036
Ц110-1414021-Ж
16.65Г
18.65Г
Н.036.60.006
Ц110-1414041
Н.036.62.001
Ц110-1414002-А
Н.036.05.003
М18
Ц110-1414043
М6.6gх14
М16.6gх65
Ц110-1414051А
Ц110-1414007
Ц90-1212057
Ц90-1212056
Н.036.62.040-01
Ц110-1414042
Ц110-1414042
Ц110-1414044-3
Ц110-1414044-3
Ц110-1414045-3
Ц90-1212046
Н.036.62.002
Ц110-1414020-А
Ц110-1414010-А
Ц110-1414010-А
Ц110-1414010-А
Ц90-1212027
Шайба
В узле: 2
Ц110-1414035
Крышка чистиков
В узле: 1
Ц110-1414026-А
Маслопровод
В узле: 1
Ц90-1212030
Палец упора
В узле: 1
Ц110-1414009
Поршень в сборе
В узле: 1
Ц110-1414023-В
Поршень
В узле: 1
Ц110-1414048
Прокладка
В узле: 2
Ц110-1414001А
Цилиндр в сборе
В узле: 1
77.59.001
Цилиндр основной
В узле: 1
Ц110-1414036
Чистик
В узле: 16
Ц110-1414021-Ж
Крышка передняя
В узле: 1
16.65Г
Шайба ГОСТ 6402-70
В узле: 4
18.65Г
Шайба ГОСТ 6402-70
В узле: 8
Н.036.60.006
Шайба клапана
В узле: 1
Ц110-1414041
Шпилька
В узле: 4
Н.036.62.001
Штифт
В узле: 3
Ц110-1414002-А
Шток
В узле: 1
Н.036.05.003
Штуцер ввертной
В узле: 1
М18
Гайка
В узле: ---
Ц110-1414043
Кольцо
В узле: 1
М6.6gх14
Болт
В узле: 5
М16.6gх65
Болт
В узле: 4
Ц110-1414051А
Бугель
В узле: 1
Ц110-1414007
Гайка в сборе
В узле: 1
М18.6Н
Гайка
В узле: 8
Ц90-1212057
Заглушка 1/2
В узле: 4
Ц90-1212056
Заглушка 1/4
В узле: 3
Н.036.62.040-01
Клапан замедлительный
В узле: 1
Ц110-1414042
Прокладка
В узле: 2
Ц110-1414044-3
Кольцо
В узле: 2
Ц110-1414045-3
Кольцо
В узле: 2
Ц90-1212046
Кольцо
В узле: 3
Ц110-1414022
Корпус
В узле: 1
Н.036.62.002
Корпус замедлительного клапана
В узле: 1
Ц110-1414008-А
Крышка задняя в сборе
В узле: 1
Ц110-1414020-А
Крышка задняя
В узле: 1
Ц110-1414010-А
Крышка передняя
В узле: 1
Содержащиеся в справочниках-каталогах запасные части и детали не предлагаются к продаже, а носят исключительно информационный характер

Ваша заявка была отправлена. В ближайшее время наши специалисты с Вами свяжутся по указанному Вами телефону.

Представьтесь
Поле обязательно для заполнения
Ваш телефон
Введите правильный номер телефона
E-mail
Введите правильный e-mail
Тема
Тема
применяемость финансирование доставка цена, наличие другое сервис и гарантия
Время для звонка
08:00
08:00 09:00 10:00 11:00 12:00 13:00 14:00 15:00 16:00 17:00 18:00 19:00
19:00
08:00 09:00 10:00 11:00 12:00 13:00 14:00 15:00 16:00 17:00 18:00 19:00

Мы постараемся перезвонить в указанное время

Если вы не хотите ждать, то звоните нашим вежливым консультантам:

8 800 100-2-700
Подтвердите, что вы не робот
Подтвердите, что вы не робот
Спасибо!

Ваше сообщение успешно отправлено!

ЗакрытьПовторить попытку