Каталог запасных частей к технике: ВгТЗ ДТ-75Н. Цилиндр выносной

zoom-in zoom-out enlarge shrink circle-right circle-left file-text2 info cart arraw right arraw left zoom out zoom in arraw maximize arraw minimize
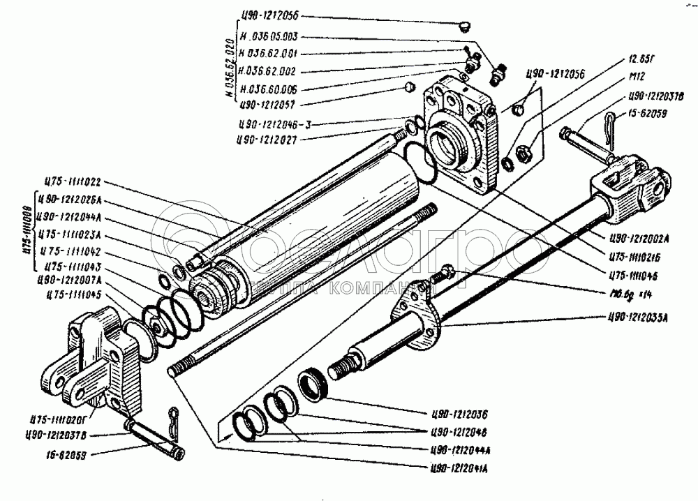
Ц75-1111009
Ц75-1111023А
Ц75-1111042
Ц90-1212048
Ц90-1212036
Ц90-1212027
Ц90-1212037В
Ц90-1212037В
12.65Г
Ц90-1212041А
15-62059
15-62059
Н.036.62.001
Ц90-1212002-А
Н.036.05.003
Н.036.60.006
Ц90-1212046-3
Ц90-1212007-А
М12
Ц90-1212057
Ц90-1212056
Ц90-1212056
Н.036.62.020
Ц75-1111043
Ц75-1111045
Ц75-1111045
Ц90-1212044А
Ц90-1212044А
М6.6gх14
Ц75-1111С22
Н.036.62.002
Ц75-1111020-Г
Ц75-1111021-Б
Ц90-1212035А
Ц90-1212026А
Ц90-1212044А
Кольцо
В узле: 2
Ц90-1212044А Кольцо (29,4-5,0) >10 шт. 1.35 р.
Ц75-1111043
Кольцо
В узле: 1
Ц75-1111043 Кольцо (66.0-5.0) >10 шт. 1.51 р.
6.65Г
Шайба ГОСТ 6402-70
В узле: 1
Ц75-1111009
Поршень в сборе
В узле: 1
Ц75-1111023А
Поршень
В узле: 1
Ц75-1111042
Прокладка
В узле: 2
Ц90-1212048
Прокладка
В узле: 2
Ц75-1111001-А
Цилиндр в сборе
В узле: 2
54.60.001А
Цилиндр выносной
В узле: 2
Ц90-1212036
Чистик
В узле: 18
Ц90-1212027
Шайба
В узле: 2
Ц90-1212037В
Палец
В узле: 2
12.65Г
Шайба ГОСТ 6402-70
В узле: 4
Ц90-1212041А
Шпилька
В узле: 4
15-62059
Шплинт пружинный
В узле: 4
Н.036.62.001
Штифт
В узле: 6
Ц90-1212002-А
Шток
В узле: 1
Н.036.05.003
Штуцер ввертной
В узле: 2
Н.036.60.006
Шайба клапана
В узле: ---
Ц90-1212046-3
Кольцо уплотнительное
В узле: 1
Ц90-1212007-А
Гайка в сборе
В узле: 1
М12
Гайка ГОСТ 5915-70
В узле: 4
Ц90-1212057
Заглушка 1/2
В узле: 4
Ц90-1212056
Заглушка 1/4
В узле: 2
Н.036.62.020
Клапан замедлительный
В узле: 2
Ц75-1111045
Кольцо
В узле: 2
М6.6gх14
Болт
В узле: 3
Ц75-1111С22
Корпус
В узле: 1
Н.036.62.002
Корпус замедлительного клапана
В узле: 2
Ц75-1111020-Г
Крышка задняя
В узле: 1
Ц75-1111010-А
Крышка передняя в сборе
В узле: 1
Ц75-1111021-Б
Крышка передняя
В узле: 1
Ц90-1212035А
Крышка чистиков
В узле: 1
Ц90-1212026А
Маслопровод
В узле: 1
Содержащиеся в справочниках-каталогах запасные части и детали не предлагаются к продаже, а носят исключительно информационный характер

Ваша заявка была отправлена. В ближайшее время наши специалисты с Вами свяжутся по указанному Вами телефону.

Представьтесь
Поле обязательно для заполнения
Ваш телефон
Введите правильный номер телефона
E-mail
Введите правильный e-mail
Тема
Тема
применяемость финансирование доставка цена, наличие другое сервис и гарантия
Время для звонка
08:00
08:00 09:00 10:00 11:00 12:00 13:00 14:00 15:00 16:00 17:00 18:00 19:00
19:00
08:00 09:00 10:00 11:00 12:00 13:00 14:00 15:00 16:00 17:00 18:00 19:00

Мы постараемся перезвонить в указанное время

Если вы не хотите ждать, то звоните нашим вежливым консультантам:

8 800 100-2-700
Подтвердите, что вы не робот
Подтвердите, что вы не робот
Спасибо!

Ваше сообщение успешно отправлено!

ЗакрытьПовторить попытку