Каталог запасных частей к технике: ВгТЗ ДТ-75В, ДТ-75БВ, ДТ75Н. Блок-картер

zoom-in zoom-out enlarge shrink circle-right circle-left file-text2 info cart arraw right arraw left zoom out zoom in arraw maximize arraw minimize
1
1
1
1
1
2
2
2
2
2
2
2
2
3
3
4
5
5
6
7
8
9
9
10
12
13
14
14
15
16
17
18
19
20
21
22
23
24
25
26
27
28
29
30
31
32
32
33
34
35
35
36
36
37
38
38
39
40
41
42
43
44
15
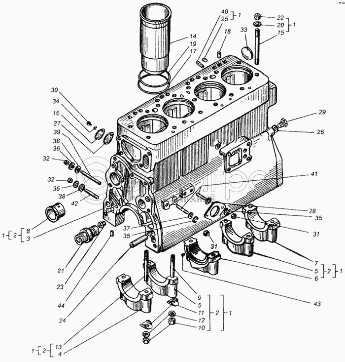
14-0116
Шпилька крепления головки
В узле: 17
14-0116 Шпилька (блока) крепления головки СМД <10 шт. 1 974.67 р.
18Н-01С1
Блок-картер
В узле: 1
IVМТСХМ
Пробка КГ 3/8"
В узле: 1
43
5b8х10
Штифт ГОСТ 3128-70
В узле: 4
22-0151
Втулка
В узле: 1
22-0150
Шайба стопорная
В узле: 1
22-0149
Гайка специальная
В узле: 1
22-0148
Кольцо уплотнительное
В узле: 1
22-0147
Фиксатор
В узле: 1
22-01С7-А
Форсунка
В узле: 1
22-01С6-А
Форсунка
В узле: 4
22-0136
Подшипник распред. вала задний
В узле: 1
22-0135
Подшипник распред. вала средний
В узле: 1
14-01С1-1А
Блок-картер
В узле: 1
1
14-01С13-А
Блок-картер
В узле: 1
2
14-01С2-2А
Блок-картер
В узле: 1
2
22-01С2-А
Блок-картер
В узле: 1
3
14-0101-21
Блок-картер
В узле: 1
3
22-0101-А
Блок-картер
В узле: 1
4
14-0104-2А
Крышка первого коренного подшипника
В узле: 1
5
14-0105-3А
Крышка второго и четвертого коренных подшипников
В узле: 2
6
14-0106-3А
Крышка третьего коренного подшипника
В узле: 1
7
14-0107-3А
Крышка пятого коренного подшипника
В узле: 1
8
СМД14-0109
Подшипник распределительного вала передний
В узле: 1
9
22-0117
Шпилька коренных подшипников
В узле: 8
9
14-0117-1
Шпилька коренных подшипников
В узле: 8
10
СМД1-0118
Гайка коренных подшипников
В узле: 10
12
СМД7-0168
Шайба специальная
В узле: 10
13
14-0185
Шпилька коренных подшипников
В узле: 2
14
14-0102
Гильза цилиндра
В узле: 4
14
18Н-0102
Гильза цилиндра
В узле: 4
16
14-0120
Крышка фланца
В узле: 1
17
СМД9-0128-А
Кольцо уплотняющее
В узле: 4
18
СМД1-0130
Заглушка
В узле: 1
19
14-0141
Кольцо
В узле: 4
20
14-0150
Шайба
В узле: 17
21
14-01С18-А
Палец
В узле: 1
22
14-0163
Гайка
В узле: 17
23
СМД7-0164
Пробка
В узле: 1
24
СМД7-0166
Втулка направляющая
В узле: 2
25
14-0196
Пробка
В узле: 1
26
14-0684
Шайба
В узле: 1
27
17К-2827
Прокладка
В узле: 1
37
10х1,5.04.05
Шайба ГОСТ 10450-78
В узле: 2
29
Н-5885
Пробка резьбовая
В узле: 1
30
М8-6gх16.56.016
Болт ГОСТ 7796-70
В узле: 2
31
М10-6Н.6.016
Гайка ГОСТ 2524-70
В узле: 4
32
М12-6Н.6.016
Гайка ГОСТ 2524-70
В узле: 4
33
60-08кп.кдз.хр.81
Заглушка
В узле: 1
34
8.65Г.05
Шайба ГОСТ 6402-70
В узле: 2
35
10.65Г.05
Шайба ГОСТ 6402-70
В узле: 4
36
12.65Г.05
Шайба ГОСТ 6402-70
В узле: 4
38
12х2.04.05
Шайба ГОСТ 11371-78
В узле: 4
39
М12-То3/6gх115.56.016
Шпилька ГОСТ 22034-76
В узле: 2
40
М8-То3/6gх20.56.016
Шпилька ГОСТ 22036-76
В узле: 2
41
М10-То3/6gх22.56.016
Шпилька ГОСТ 22036-76
В узле: 4
42
М12-То3/6gх40.56.016
Шпилька ГОСТ 22036-76
В узле: 2
44
8b8х10
Штифт ГОСТ 3128-70
В узле: 2
Содержащиеся в справочниках-каталогах запасные части и детали не предлагаются к продаже, а носят исключительно информационный характер

Ваша заявка была отправлена. В ближайшее время наши специалисты с Вами свяжутся по указанному Вами телефону.

Представьтесь
Поле обязательно для заполнения
Ваш телефон
Введите правильный номер телефона
E-mail
Введите правильный e-mail
Тема
Тема
применяемость финансирование доставка цена, наличие другое сервис и гарантия
Время для звонка
08:00
08:00 09:00 10:00 11:00 12:00 13:00 14:00 15:00 16:00 17:00 18:00 19:00
19:00
08:00 09:00 10:00 11:00 12:00 13:00 14:00 15:00 16:00 17:00 18:00 19:00

Мы постараемся перезвонить в указанное время

Если вы не хотите ждать, то звоните нашим вежливым консультантам:

8 800 100-2-700
Подтвердите, что вы не робот
Подтвердите, что вы не робот
Спасибо!

Ваше сообщение успешно отправлено!

ЗакрытьПовторить попытку