Каталог запасных частей к технике: ВгТЗ ДТ-75В, ДТ-75БВ, ДТ75Н. Обшивка

zoom-in zoom-out enlarge shrink circle-right circle-left file-text2 info cart arraw right arraw left zoom out zoom in arraw maximize arraw minimize
1
2
2
2
2
2
2
2
2
2
3
3
3
3
3
4
5
6
7
7
8
9
10
11
11
11
12
12
12
13
13
13
13
13
13
13
13
14
14
14
15
15
16
16
17
17
17
18
19
20
21
22
23
23
23
23
24
24
25
25
25
26
27
28
28
28
29
30
31
32
33
34
34
35
36
36
36
37
37
37
37
38
39
40
41
42
44
45
46
47
48
49
51
52
54
55
56
56
56
57
58
59
60
62
63
64
65
66
67
68
69
69
70
71
72
73
74
75
76
77
78
79
81
82
83
84
85
86
87
38
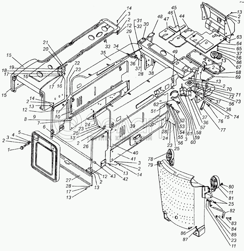
88.47.241-2
Щиток правый
В узле: 1
88.47.241-2 Щиток правый <10 шт. 33.66 р.
48
88.47.057-2
Стойка правая
В узле: 1
88.47.057-2 Стойка правая <10 шт. 789.41 р.
75
88.47.058-2
Стойка левая
В узле: ---
88.47.058-2 Стойка левая <10 шт. 1 013.17 р.
69
88.47.054-2
Пол передний
В узле: 1
88.47.054-2 Пол передний <10 шт. 2 385.83 р.
68
88.47.055-1
Пол задний
В узле: 1
88.47.055-1 Пол задний <10 шт. 812.26 р.
Б78.47.003
Обшивка
В узле: 1
79.47.001
Обшивка
В узле: 1
79.47.011
Щит
В узле: 1
88.47.226-5
Коврик
В узле: 1
78.47.003
Обшивка
В узле: 1
88.47.382
Раскос
В узле: ---
16.01
Шайба ГОСТ 11371-68
В узле: 10
М16х1,5
Гайка
В узле: 6
1
88.47.082
Винт
В узле: 2
2
10.65Г.05
Шайба ГОСТ 6402-70
В узле: 34
3
10.01
Шайба ГОСТ 11371-78
В узле: 16
4
88.47.285
Шайба
В узле: 2
5
88.47.059-1
Решетка
В узле: 1
6
88.47.251
Стяжка нижняя
В узле: 1
7
Б78.47.110-1
Лист передний левый
В узле: 1
7
Б78.47.109-1
Лист передний правый
В узле: 1
8
88.47.246-1
Лист боковой передний правый
В узле: 1
9
88.47.060-1
Боковина правая
В узле: 1
10
88.47.093
Боковина правая
В узле: 1
11
М12.6.016
Гайка ГОСТ 5915-70
В узле: 6
12
М10.6.016
Гайка ГОСТ 5915-70
В узле: 10
13
М10.6gх20.58.016
Болт ГОСТ 7796-70
В узле: 27
14
М10.6gх25.58.016
Болт ГОСТ 7796-70
В узле: 22
15
78.47.022
Щит
В узле: 1
16
М6.6.016
Гайка ГОСТ 5915-70
В узле: 24
17
6.65Г.05
Шайба ГОСТ 6402-70
В узле: 24
18
88.47.092
Петля
В узле: 6
19
М6.6gх16.58.016
Винт ГОСТ 17473-72
В узле: 12
20
М6.6gх18.58.016
Винт ГОСТ 17473-72
В узле: 8
21
88.47.345
Фиксатор
В узле: 2
22
М12.6gх30.88.35.016
Болт ГОСТ 7796-70
В узле: 2
23
12.65Г.05
Шайба ГОСТ 6402-70
В узле: 34
24
12.01
Шайба ГОСТ 11371-68
В узле: 18
25
М12.6gх25.88.35.016
Болт ГОСТ 7796-70
В узле: 28
26
88.47.078
Кронштейн усилителя
В узле: 2
27
Б78.47.111-1
Крышка передняя
В узле: 1
28
М8.6.016
Гайка ГОСТ 5915-70
В узле: 11
29
88.47.248-2
Крючок задний правый
В узле: 1
30
88.47.081
Опора
В узле: 1
31
88.85.030
Кронштейн правый
В узле: 1
32
88.47.245-2
Опора левая
В узле: 1
33
88.47.331
Подкладка
В узле: 10
34
88.47.370
Буфер
В узле: 16
34
88.47.371
Буфер
В узле: 20
35
78.47.023
Боковина верхняя правая
В узле: 1
36
М8.6gх20.88.35.016
Болт ГОСТ 7796-70
В узле: 18
37
8.65Г.05
Шайба ГОСТ 6402-70
В узле: 26
39
78.47.024
Боковина верхняя левая
В узле: 1
40
88.47.094
Боковина левая
В узле: 1
41
88.47.247-1
Лист боковой передний левый
В узле: 1
42
88.47.061-1
Боковина левая
В узле: 1
44
88.47.307-1
Подкладка
В узле: 1
45
88.47.306-1
Подкладка
В узле: 1
46
88.47.305-1
Подкладка
В узле: 1
47
88.47.304-1
Подкладка
В узле: 1
49
77.47.017-1А
Защелка
В узле: 4
50
88.47.249-2
Крючок задний левый
В узле: 1
51
Шплинт 2х20-001 ГОСТ 397-79
Шплинт 2х20-001 ГОСТ 397-79
В узле: 4
52
88.47.083
Ручка в сборе
В узле: 4
54
77.36.131
Пружина внутренняя
В узле: 4
55
88.47.324
Захват
В узле: 4
56
8.01
Шайба
В узле: 9
57
88.85.032
Стойка правая
В узле: 1
58
Заклепка 8х30.01 ГОСТ 10299-68
Заклепка 8х30.01 ГОСТ 10299-68
В узле: 3
59
88.85.150
Стяжка
В узле: 1
60
88.85.149
Стяжка
В узле: 1
62
А30.06.101
Винт-серьга
В узле: 1
63
88.47.022-4
Крышка задняя
В узле: 1
64
Б78.47.226-2
Коврик
В узле: 1
65
М8.6gх 16.88.35.016
Болт ГОСТ 7796-70
В узле: 7
66
88.47.315
Колпак
В узле: 1
67
К77.47.317
Уплотнение
В узле: 1
69
Б78.47.014-1
Пол передний
В узле: 1
70
88.47.088
Крышка
В узле: 1
71
88.47.242-2
Щиток левый
В узле: 1
72
88.47.243-2
Опора правая
В узле: 1
73
88.47.380
Лапка захвата
В узле: 2
74
М8.6gх25.88.35.016
Болт ГОСТ 7796-70
В узле: 2
76
88.47.294
Болт
В узле: 4
77
88.47.291
Пластина
В узле: 2
78
Б78.47.022
Ограждение фары правое
В узле: 1
79
Б7847.021
Щит ограждения
В узле: 1
81
Б78.47.023
Ограждение фары левое
В узле: 1
82
Б77.47.022-1
Кронштейн щита ограждения
В узле: 2
83
М20х1,5х45.66.40.016
Болт ГОСТ 7796-70
В узле: 4
84
20.65Г
Шайба ГОСТ 6402-70
В узле: 4
85
20.01
Шайба ГОСТ 11371-78
В узле: 4
86
М14.6gх35.88.35.016
Болт ГОСТ 7796-70
В узле: 4
87
14.65Г.05
Шайба ГОСТ 6402-70
В узле: 4
Содержащиеся в справочниках-каталогах запасные части и детали не предлагаются к продаже, а носят исключительно информационный характер

Ваша заявка была отправлена. В ближайшее время наши специалисты с Вами свяжутся по указанному Вами телефону.

Представьтесь
Поле обязательно для заполнения
Ваш телефон
Введите правильный номер телефона
E-mail
Введите правильный e-mail
Тема
Тема
применяемость финансирование доставка цена, наличие другое сервис и гарантия
Время для звонка
08:00
08:00 09:00 10:00 11:00 12:00 13:00 14:00 15:00 16:00 17:00 18:00 19:00
19:00
08:00 09:00 10:00 11:00 12:00 13:00 14:00 15:00 16:00 17:00 18:00 19:00

Мы постараемся перезвонить в указанное время

Если вы не хотите ждать, то звоните нашим вежливым консультантам:

8 800 100-2-700
Подтвердите, что вы не робот
Подтвердите, что вы не робот
Спасибо!

Ваше сообщение успешно отправлено!

ЗакрытьПовторить попытку