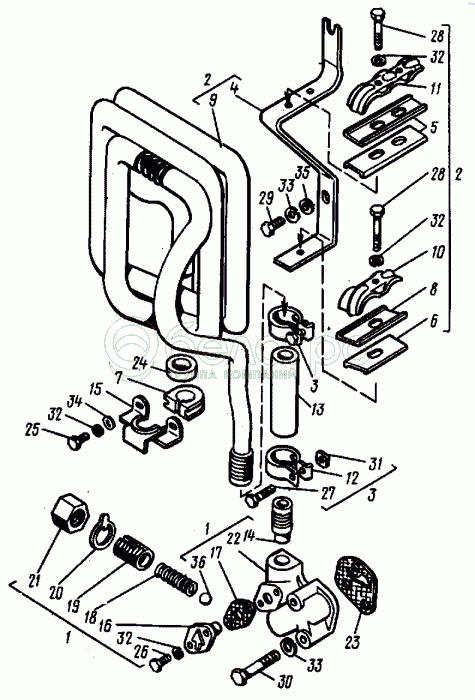
Каталог запасных частей к технике: ВТЗ Т-30A-80. Масляный радиатор

zoom-in zoom-out enlarge shrink circle-right circle-left file-text2 info cart arraw right arraw left zoom out zoom in arraw maximize arraw minimize
1
1
2
2
3
3
3
4
5
6
7
8
9
10
11
12
12
13
14
15
16
17
18
19
20
21
22
23
24
25
26
27
28
28
29
30
31
32
32
32
32
33
33
34
35
36
1
Д120-1403360-03
Редукционный клапан
В узле: 1
2
Д120-1405020-03
Радиатор
В узле: 1
3
Д120-1405070-10
Хомут
В узле: 2
3
Д120-1405070
Хомут
В узле: 2
4
Д120-1405012-03
Кронштейн радиатора
В узле: 1
5
Д120-1405016
Прокладка
В узле: 2
6
Д120-1405027
Прокладка
В узле: 1
7
Д120-1405045-03
Муфта
В узле: 1
8
Д120-1405047
Прокладка
В узле: 1
9
Д120-1405054
Труба радиатора
В узле: 1
10
Д120-1405063-03
Планка малая
В узле: 1
11
Д120-1405068-03
Планка верхняя
В узле: 1
12
Д120-1405071
Хомут
В узле: 2
12
Д120-1405071-10
Хомут
В узле: 2
13
Д37Е-1405092-03
Трубка
В узле: 1
14
Д120-1405093
Трубка
В узле: 1
15
Д120-1405235-03
Кожух
В узле: 1
16
Д120-1405252
Переключатель
В узле: 1
17
Д120-1405254-03
Прокладка
В узле: 1
18
Д37А-1403368Б
Пружина
В узле: 1
19
Д30-1403385А
Пробка
В узле: 1
20
Д30-1403386А
Прокладка
В узле: 1
21
Д30-1403388А2
Гайка
В узле: 1
22
Д120-1403392
Корпус
В узле: 1
23
Д120-1403394-03
Прокладка
В узле: 1
24
Д30-1007399
Кольцо
В узле: 1
25
М6.6gx12.88.35.019
Болт
В узле: 2
26
М6.6gх14.88.35.019
Болт
В узле: 2
27
M6.6gx25.88.35.019
Болт
В узле: 4
28
М6.6gx40.88.35.019
Болт
В узле: 3
29
4H8.6gx16.88.35.019
Болт
В узле: 1
30
4M8.6gx50.88.35.019
Болт
В узле: 2
31
M6.6H.6.019
Гайка
В узле: 4
32
6Т.65Г.06
Шайба
В узле: 7
33
8Т.65Г.06
Шайба
В узле: 3
34
6.02.019
Шайба
В узле: 2
35
8.02.019
Шайба
В узле: 1
36
14.288-200
Шарик
В узле: 1
Содержащиеся в справочниках-каталогах запасные части и детали не предлагаются к продаже, а носят исключительно информационный характер

Ваша заявка была отправлена. В ближайшее время наши специалисты с Вами свяжутся по указанному Вами телефону.

Представьтесь
Поле обязательно для заполнения
Ваш телефон
Введите правильный номер телефона
E-mail
Введите правильный e-mail
Тема
Тема
применяемость финансирование доставка цена, наличие другое сервис и гарантия
Время для звонка
08:00
08:00 09:00 10:00 11:00 12:00 13:00 14:00 15:00 16:00 17:00 18:00 19:00
19:00
08:00 09:00 10:00 11:00 12:00 13:00 14:00 15:00 16:00 17:00 18:00 19:00

Мы постараемся перезвонить в указанное время

Если вы не хотите ждать, то звоните нашим вежливым консультантам:

8 800 100-2-700
Подтвердите, что вы не робот
Подтвердите, что вы не робот
Спасибо!

Ваше сообщение успешно отправлено!

ЗакрытьПовторить попытку