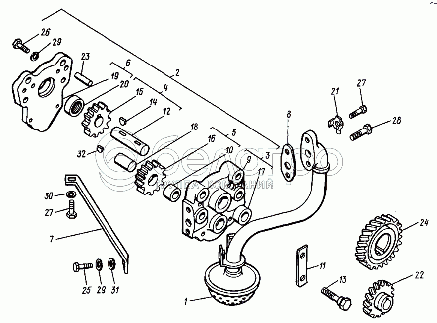
Каталог запасных частей к технике: ВТЗ Т-30A-80. Приемник масляного насоса. Насос масляный

zoom-in zoom-out enlarge shrink circle-right circle-left file-text2 info cart arraw right arraw left zoom out zoom in arraw maximize arraw minimize
1
2
3
4
5
6
7
8
9
10
11
12
13
14
15
16
17
18
19
20
21
22
23
24
25
26
27
27
28
29
29
30
31
32
1
Д120-1402010
Приемник
В узле: 1
2
Д21-1403010Б2-02
Насос
В узле: 1
3
Д21-1403020А
Корпус
В узле: 1
4
Д21-1403050Б
Валик
В узле: 1
5
Д21-1403110
Шестерня в сборе
В узле: 1
6
Д37М-1403150
Крышка в сборе
В узле: 1
7
Д120-1402013
Растяжка
В узле: 2
8
Д37М-1402183Б-03
Прокладка
В узле: 1
9
Д21-1403025А
Корпус
В узле: 1
10
Д30-1403028
Втулка
В узле: 1
11
Д37М-1403032
Пластина
В узле: 2
12
Д21-1403052Б2
Валик
В узле: 1
13
Д37М-1403056
Болт
В узле: 4
14
Д21-1403058
Шпонка
В узле: 1
15
Д21-1403075
Шестерня
В узле: 1
16
Д21-1403115
Шестерня
В узле: 1
17
Д37М-1403118
Втулка
В узле: 1
18
Д21-1403125
Ось
В узле: 1
19
Д37М-1403155А
Крышка
В узле: 1
20
Д37М-1403156
Втулка
В узле: 1
21
Д37М-1002176
Шайба стопорная
В узле: 2
22
Д144-1403228
Шестерня
В узле: 1
23
Д30-1403268
Штифт
В узле: 2
24
Д144-1403312
Шестерня
В узле: 1
25
М6.6gx14.88.35.019
Болт
В узле: 2
26
М6.6gx20.88.35.019
Болт
В узле: 4
27
4M8.6gx16.88.35.019
Болт
В узле: 3
28
4M8.6gх30.88.35.019
Болт
В узле: 1
29
6Т.65Г.06
Шайба
В узле: 2
30
8Т.65Г.06
Шайба
В узле: 2
31
6.02.019
Шайба
В узле: 2
32
3x5
Шпонка
В узле: 1
Содержащиеся в справочниках-каталогах запасные части и детали не предлагаются к продаже, а носят исключительно информационный характер

Ваша заявка была отправлена. В ближайшее время наши специалисты с Вами свяжутся по указанному Вами телефону.

Представьтесь
Поле обязательно для заполнения
Ваш телефон
Введите правильный номер телефона
E-mail
Введите правильный e-mail
Тема
Тема
применяемость финансирование доставка цена, наличие другое сервис и гарантия
Время для звонка
08:00
08:00 09:00 10:00 11:00 12:00 13:00 14:00 15:00 16:00 17:00 18:00 19:00
19:00
08:00 09:00 10:00 11:00 12:00 13:00 14:00 15:00 16:00 17:00 18:00 19:00

Мы постараемся перезвонить в указанное время

Если вы не хотите ждать, то звоните нашим вежливым консультантам:

8 800 100-2-700
Подтвердите, что вы не робот
Подтвердите, что вы не робот
Спасибо!

Ваше сообщение успешно отправлено!

ЗакрытьПовторить попытку