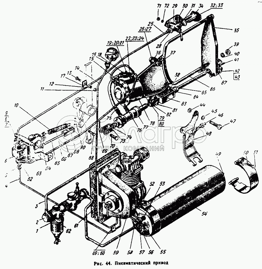
Каталог запасных частей к технике: ЮМЗ-6Л. Пневматический привод

zoom-in zoom-out enlarge shrink circle-right circle-left file-text2 info cart arraw right arraw left zoom out zoom in arraw maximize arraw minimize
1
2
3
4
5
6
7
8
9
10
11
12
13
14
15
16
17
18
19
20
21
22
23
24
25
26
27
28
29
30
31
32
33
34
35
36
37
38
39
40
41
42
43
44
45
46
47
48
49
50
51
52
52
53
54
55
56
57
58
59
60
61
62
63
64
65
66
67
68
69
70
71
72
73
74
75
76
77
78
79
80
81
82
83
84
85
86
87
88
89
90
90
84
50-1602032
Пружина
В узле: 1
50-1602032 Пружина МТЗ педали сцепления, Беларусь Под заказ 133.33 р.
80
Шайба 12
Шайба 12
В узле: 2
Шайба пружинная 12 <10 шт. 174.51 р.
72
Шайба 10
Шайба 10
В узле: 1
Шайба 10 ОТ (ОСТ 37.001.115-75) (916 011), МТЗ Под заказ 3.89 р.
45-3513005
Баллон
В узле: 1
45-3513005 СБ
Баллон
В узле: 1
45-3512020
Головка с краном и крон штейном
В узле: 1
45-3521020 СБ
Головка с краном и кронштейном
В узле: 1
45-3505050 СБ
Клапан усилителя с вилками и штуцерами
В узле: 1
45-3522050 СБ
Кран тормозной
В узле: 1
ПГК-12Х32
Палец 12Х32
В узле: ---
45-3505015 СБ
Пневмопривод к тормозам прицепа
В узле: 1
787-3505092
Пружина фиксатора
В узле: 1
787-3505088-А
Седло
В узле: 1
787-3505086 СБ
Седло и фиксатор главного цилиндра тормоза
В узле: 1
43-3504030 СБ
Седло с планкой
В узле: 1
45-3504030 СБ
Седло с планкой
В узле: 1
45-3505020 СБ
Толкатель поршня
В узле: 1
45-3505090 СБ
Трубопровод клапан тормозная камера
В узле: 1
45-3505080-Б1 СБ
Трубопровод тормозной кран-клапан
В узле: 1
45-3522060 СБ
Тяга
В узле: 1
45-3522000 СБ
Установка тормозного крана
В узле: 1
45-3505091
Штифт
В узле: 1
1
45-3512010
Регулятор давления со стаканом отбора воздуха
В узле: 1
2
45-3506004
Болт специальный
В узле: 2
3
45-3506100 СБ
Трубопровод
В узле: 1
4
45-3506070-Б СБ
Трубопровод
В узле: 1
5
45-3506007
Штуцер
В узле: 1
6
7916-300-0000 СБ
Кран тормозной
В узле: 1
7
БП-10Х100
Болт М10Х100
В узле: 2
8
ГПШ-М10
Гайка М10
В узле: 2
9
ШП-10
Шайба 10
В узле: 2
10
45-3522001
Пружина
В узле: 1
67
Гайка М8
Гайка М8
В узле: 1
21
Шайба 8
Шайба 8
В узле: 1
13
Болт М8Х16
Болт М8Х16
В узле: 1
14
45-3506050 СБ
Трубопровод манометра воздуха
В узле: 1
15
45-3505081
Шланг соединительный
В узле: 1
16
40-3723062
Прокладка
В узле: 3
17
ХПО-14Х27Х10
Хомут 14Х27Х10
В узле: 1
18
ХС-18
Хомутик стяжной универсальный
В узле: ---
19
Болт М8Х30
Болт М8Х30
В узле: 1
22
45-3505042
Кронштейн шлангов
В узле: 1
23
45-3505043
Прижим
В узле: 1
24
Болт 3М14Х5
Болт 3М14Х5
В узле: 4
25
45-3506080-Б СБ
Трубопровод
В узле: 1
26
45-3505041
Ось
В узле: 1
27
ТШУ-1/8"Х90
Масленка II-А-90
В узле: 1
28
45-3521023
Ниппель конечный
В узле: 1
29
200-3520010
Кран разобщительный
В узле: 1
30
45-3521030
Кронштейн
В узле: 1
31
45-3521028
Штуцер
В узле: 1
32
Шайба 22
Шайба 22
В узле: 1
33
Гайка М22
Гайка М22
В узле: 2
34
200-3521010-Г
Головка соединительная
В узле: 1
35
40-3508019-А
Планка
В узле: 1
36
45-3505044-Б
Рычаг
В узле: 1
37
Гайка М20
Гайка М20
В узле: 1
38
45-3504023
Стакан пружины
В узле: 1
85
Гайка М16
Гайка М16
В узле: 1
40
Шайба 16
Шайба 16
В узле: 2
41
45-3505022
Толкатель поршня
В узле: 1
42
Болт М10Х30
Болт М10Х30
В узле: 2
44
45-3506013
Шайба
В узле: 4
45
Шайба 14
Шайба 14
В узле: 2
46
45-3506016
Палец
В узле: 2
47
Болт М14Х65
Болт М14Х65
В узле: 2
48
45-3506110 СБ
Кронштейн задний
В узле: 1
49
Пробка КГ 3/8"
Пробка КГ 3/8"
В узле: 1
50
Болт М10Х75
Болт М10Х75
В узле: 2
51
45-3506130 СБ
Лента стяжная
В узле: 2
52
45-3506120 СБ
Кронштейн передний
В узле: 1
53
45-3506002
Штуцер
В узле: 1
54
45-3513010 СБ
Баллон
В узле: 1
55
Д18-055А
Кольцо уплотнительное
В узле: 3
56
Кран КР 21/4"
Кран КР 21/4"
В узле: 1
57
45-3506005
Штуцер
В узле: 1
58
45-3506015
Болт специальный
В узле: 1
59
45-3509010 СБ
Компрессор с механизмом отклонения
В узле: 1
60
45-3506006
Хомут
В узле: 1
61
36-1701455
Прокладка крышки люка
В узле: 2
62
45-3512013
Шайба
В узле: 6
63
45-3522051
Кронштейн
В узле: 1
64
Шплинт 2Х16
Шплинт 2Х16
В узле: 1
65
45-3522061
Тяга
В узле: 1
66
45-3505085-Б1 СБ
Трубопровод
В узле: 1
68
45-1108042
Вилка
В узле: 1
90
Ш-3,2Х20
Шплинт 3,2Х20
В узле: 2
70
Нормаль МТЗ-ОГК
Нормаль МТЗ-ОГК
В узле: 1
71
Гайка М10
Гайка М10
В узле: 2
73
36-3503036-А
Вилка тяги регулировочная
В узле: 1
74
Гайка М12
Гайка М12
В узле: 2
75
45-3505082 СБ
Трубопровод
В узле: 1
76
45-3505053
Ниппель
В узле: 2
77
45-3505060 СБ
Клапан усилителя
В узле: 1
78
45-3519010 СБ
Камера тормозная
В узле: 1
79
Болт М12Х45
Болт М12Х45
В узле: 2
81
45-3522013
Ось
В узле: 1
82
45-3505051
Вилка клапана
В узле: 1
83
45-3504024
Упор
В узле: 1
86
45-3505070 СБ
Кронштейн
В узле: 1
87
787-3505090-А
Фиксатор
В узле: 1
88
ПГК-8Х22
Палец 8Х22 нормаль МТЗ ОГК
В узле: 1
89
36-1104014
Трубка изоляционная
В узле: 2
90
Шплинт 3,2Х20
Шплинт 3,2Х20
В узле: 1
Содержащиеся в справочниках-каталогах запасные части и детали не предлагаются к продаже, а носят исключительно информационный характер

Ваша заявка была отправлена. В ближайшее время наши специалисты с Вами свяжутся по указанному Вами телефону.

Представьтесь
Поле обязательно для заполнения
Ваш телефон
Введите правильный номер телефона
E-mail
Введите правильный e-mail
Тема
Тема
применяемость финансирование доставка цена, наличие другое сервис и гарантия
Время для звонка
08:00
08:00 09:00 10:00 11:00 12:00 13:00 14:00 15:00 16:00 17:00 18:00 19:00
19:00
08:00 09:00 10:00 11:00 12:00 13:00 14:00 15:00 16:00 17:00 18:00 19:00

Мы постараемся перезвонить в указанное время

Если вы не хотите ждать, то звоните нашим вежливым консультантам:

8 800 100-2-700
Подтвердите, что вы не робот
Подтвердите, что вы не робот
Спасибо!

Ваше сообщение успешно отправлено!

ЗакрытьПовторить попытку