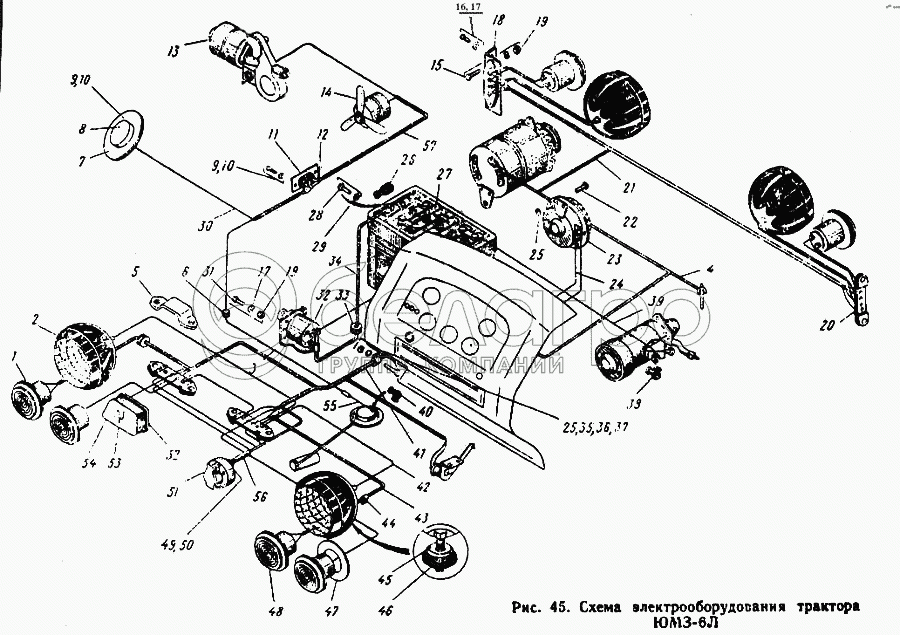
Каталог запасных частей к технике: ЮМЗ-6Л. Схема электрооборудования трактора ЮМЗ-6Л

zoom-in zoom-out enlarge shrink circle-right circle-left file-text2 info cart arraw right arraw left zoom out zoom in arraw maximize arraw minimize
1
2
3
4
5
6
6
7
8
9
9
10
10
11
12
13
14
15
16
17
17
18
19
19
20
21
22
23
24
25
25
26
27
28
29
30
31
32
33
34
35
36
37
38
39
40
41
42
42
43
44
45
46
47
48
49
50
51
52
53
54
55
56
57
7
ПК-201
Плафон
В узле: 1
ПК-201 Плафон освещения кабины с/о (ПК-3) <10 шт. 133.33 р.
145-3700020-Б СБ
Установка электрооборудования кабины
В узле: 1
45-3700100 СБ
Установка плафона
В узле: 1
45А-3700010 СБ
Установка электрооборудования трактора ЮМЗ-6Л
В узле: 1
45-3700020-Б СБ
Установка электрооборудования кабины
В узле: 1
45-3700045 СБ
Установка электрооборудования на заднем листе
В узле: 1
1
ФП-100-Б
Фонарь задний
В узле: 2
2
ФГ-304
Фара тракторная
В узле: 2
3
45-3710011-А
Кронштейн включателя «массы»
В узле: 1
4
45-3724027
Провод указатель температуры воды-датчик
В узле: 1
5
45-3700004
Колпачок
В узле: 1
6
36-3723024-Б
Втулка провода
В узле: 4
53
Лампа А12-3 ГОСТ 2023-66
Лампа А12-3 ГОСТ 2023-66
В узле: 1
9
Винт М4Х8
Винт М4Х8
В узле: 5
10
Шайба 4
Шайба 4
В узле: 5
11
ППН-45
Переключатель
В узле: 1
12
45-3724025
Провод кабины
В узле: 1
13
СЛ-230
Стеклоочиститель
В узле: 1
14
45-8104010-А
Вентилятор кабины
В узле: 1
15
Болт М6Х25
Болт М6Х25
В узле: 4
16
Винт М6Х12
Винт М6Х12
В узле: 2
17
Шайба 6
Шайба 6
В узле: 21
18
45-3700080
Кронштейн
В узле: 1
19
Гайка М6
Гайка М6
В узле: 17
20
ПС-2-А2
Панель соединительная
В узле: 3
21
45А-3724085-Д
Жгут к генератору
В узле: 1
22
Болт М8Х16
Болт М8Х16
В узле: 2
23
С-311
Сигнал звуковой безрупорный
В узле: 1
24
45А-3724043
Провод звуковой сигнал-соединительная панель
В узле: 1
35
Шайба 8
Шайба 8
В узле: 2
26
45-3700005
Колпачок защитный
В узле: 1
27
6ТСТ-50ЭМС
Батарея аккумуляторная
В узле: 1
28
Болт М8Х30
Болт М8Х30
В узле: 1
29
Гайка М8
Гайка М8
В узле: 5
30
45-3724026
Провод плафон-переключатель
В узле: 1
31
Болт М6Х16
Болт М6Х16
В узле: 3
32
ВК-318-Б
Включатель «массы»
В узле: 1
33
45-3700003
Втулка
В узле: 6
34
45А-3700090
Провод «массы» в сборе
В узле: 1
36
Болт М8Х20
Болт М8Х20
В узле: 3
37
ХПО-16Х27Х8
Хомутик подвесной одноместный
В узле: 2
38
45-3700001
Наконечник изоляционный
В узле: 2
39
45А-3724039
Провод аккумуляторная батарея-стартер
В узле: 1
40
45-3700002
Наконечник изоляционный
В узле: 3
41
45-3724081-Б
Жгут задних фонарей
В узле: 1
42
45-3724058
Провод соединительная панель-задняя фара
В узле: 1
42
45-3724055
Провод соединительная панель-задняя фара
В узле: 1
43
45-3724091-Б
Жгут к правым фонарям
В узле: 1
44
СХ-8Х22Х6
Скоба
В узле: 2
45
36-3711037-А
Чашка
В узле: 2
46
40-3711036
Прокладка
В узле: 2
47
45-3700029
Прокладка
В узле: 4
48
УП-5-Ж
Фонарь указателя поворота
В узле: 2
49
Винт М5Х35
Винт М5Х35
В узле: 3
50
Шайба 5
Шайба 5
В узле: 3
51
ПС-300А-100
Розетка штепсельная
В узле: 1
52
50-3716011
Прокладка
В узле: 1
54
ФП-200-А
Фонарь номерного знака тракторный
В узле: 1
55
46-3724054-А
Провод датчик-штепсельная клемма датчика
В узле: 1
56
45-3724082-В
Жгут к розетке
В узле: 1
57
45-3724095-Г
Жгут к стеклоочистителю
В узле: 1
Содержащиеся в справочниках-каталогах запасные части и детали не предлагаются к продаже, а носят исключительно информационный характер

Ваша заявка была отправлена. В ближайшее время наши специалисты с Вами свяжутся по указанному Вами телефону.

Представьтесь
Поле обязательно для заполнения
Ваш телефон
Введите правильный номер телефона
E-mail
Введите правильный e-mail
Тема
Тема
применяемость финансирование доставка цена, наличие другое сервис и гарантия
Время для звонка
08:00
08:00 09:00 10:00 11:00 12:00 13:00 14:00 15:00 16:00 17:00 18:00 19:00
19:00
08:00 09:00 10:00 11:00 12:00 13:00 14:00 15:00 16:00 17:00 18:00 19:00

Мы постараемся перезвонить в указанное время

Если вы не хотите ждать, то звоните нашим вежливым консультантам:

8 800 100-2-700
Подтвердите, что вы не робот
Подтвердите, что вы не робот
Спасибо!

Ваше сообщение успешно отправлено!

ЗакрытьПовторить попытку