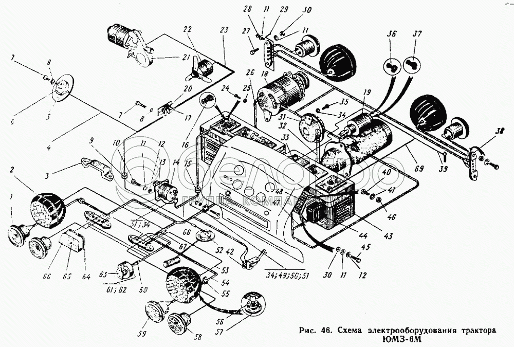
Каталог запасных частей к технике: ЮМЗ-6Л. Схема электрооборудования трактора ЮМЗ-6М

zoom-in zoom-out enlarge shrink circle-right circle-left file-text2 info cart arraw right arraw left zoom out zoom in arraw maximize arraw minimize
1
2
3
4
5
6
7
7
8
8
9
9
10
11
11
11
11
12
12
13
14
15
16
17
18
19
20
21
22
23
24
25
26
27
28
29
30
30
31
32
33
34
34
34
35
36
37
38
39
40
41
42
43
44
45
46
47
48
49
50
51
51
52
53
53
54
55
56
57
58
59
60
61
62
63
64
65
66
67
68
69
5
ПК-201
Плафон
В узле: 1
ПК-201 Плафон освещения кабины с/о (ПК-3) <10 шт. 133.33 р.
41
Шайба 10
Шайба 10
В узле: 1
Шайба 10 ОТ (ОСТ 37.001.115-75) (916 011), МТЗ Под заказ 3.89 р.
45-3700100 СБ
Установка плафона
В узле: 1
45-3700100
Установка плафона
В узле: 1
45-3700045 СБ
Установка электрооборудования на заднем листе
В узле: 1
45-3700010 СБ
Установка электрооборудования трактора ЮМЗ-6М
В узле: 1
45-3700020-Б СБ
Установка электрооборудования кабины
В узле: 1
1
ФП-100-Б
Фонарь задний
В узле: 2
2
ФГ-304
Фара тракторная
В узле: 2
3
45-3700004
Колпачок
В узле: 1
4
45-3724026
Провод плафон-переключатель
В узле: 1
65
Лампа А12-3 ГОСТ 2023-66
Лампа А12-3 ГОСТ 2023-66
В узле: 1
7
Винт М4Х8
Винт М4Х8
В узле: 5
8
Шайба 4
Шайба 4
В узле: 5
9
36-3723024-А
Втулка
В узле: 1
9
36-3723024-Б
Втулка провода
В узле: 4
10
Болт М6Х16
Болт М6Х16
В узле: 3
12
Шайба 6
Шайба 6
В узле: 3
13
45-3710011-А
Кронштейн включателя «массы»
В узле: 1
14
ВК-318-Б
Включатель «массы»
В узле: 1
15
45-3700003
Втулка
В узле: 6
16
45-3700005
Колпачок защитный
В узле: 1
17
45-3724025
Провод кабины
В узле: 1
18
Г-306-А
Генератор
В узле: 1
19
СТ-212-Р1
Стартер
В узле: 1
20
ППН-45
Переключатель
В узле: 1
21
СП-230
Стеклоочиститель
В узле: 1
22
45-8104010-А
Вентилятор кабины
В узле: 1
23
45-3724095-Г
Жгут к стеклоочистителю
В узле: 1
24
Болт М8Х25
Болт М8Х25
В узле: 3
25
Гайка М8
Гайка М8
В узле: 4
26
45А-3724085-Д
Жгут к генератору
В узле: 1
27
Болт М6Х25
Болт М6Х25
В узле: 6
28
Винт М6Х12
Винт М6Х12
В узле: 2
29
45-3700080
Кронштейн
В узле: 1
30
Гайка М6
Гайка М6
В узле: 20
31
С-311
Сигнал звуковой безрупорный
В узле: 1
32
45-3724044
Провод к звуковому сигналу
В узле: 1
33
45-3700060
Перемычка аккумуляторных батарей в сборе
В узле: 1
34
Шайба 8
Шайба 8
В узле: 4
35
Болт М8Х16
Болт М8Х16
В узле: 2
36
45-3700001
Наконечник изоляционный
В узле: 1
37
45-3700002
Наконечник изоляционный
В узле: 6
38
ПС-2-А2
Панель соединительная
В узле: 3
39
45-3724027
Провод указатель температуры воды-датчик
В узле: 1
40
Болт М10Х20
Болт М10Х20
В узле: 1
42
45-3710010 СБ
Включатель «Стоп» в сборе
В узле: 1
43
3СТ-215-ЭМ
Батарея аккумуляторная
В узле: 2
44
РБ-1
Реле блокировки
В узле: 1
45
Болт М6Х20
Болт М6Х20
В узле: 3
46
Гайка М10
Гайка М10
В узле: 1
47
45-3724077-А1
Жгут к реле блокировки
В узле: 1
48
45-3700011
Кронштейн
В узле: 1
49
ХПО-16Х27-8.01
Шайба 8
В узле: 1
50
Хомутик подвесной одноместный нормаль МТ
Хомутик подвесной одноместный нормаль МТЗ ОГК
В узле: 1
51
Болт М8Х20
Болт М8Х20
В узле: 1
52
45-3724054-А
Провод датчик-штепсельная клемма датчика
В узле: 1
53
45-3724058
Провод соединительная панель-задняя фара
В узле: 1
53
45-3724055
Провод соединительная панель-задняя фара
В узле: 1
54
45-3724091-Б
Жгут к правым фонарям
В узле: 1
55
СХ-8Х22Х6
Скоба
В узле: 2
56
36-3711037-А
Чашка
В узле: 2
57
40-3711036
Прокладка
В узле: 2
58
45-3700029
Прокладка
В узле: 4
59
УП-5-Ж
Фонарь указателя поворота
В узле: 2
60
45-3724082-В
Жгут к розетке
В узле: 1
61
Винт М5Х35
Винт М5Х35
В узле: 3
62
Шайба 5
Шайба 5
В узле: 3
63
ПО300А-100
Розетка штепсельная
В узле: 1
64
50-3716011
Прокладка
В узле: 1
66
ФП-200-А
Фонарь номерного знака тракторный
В узле: 1
67
45-3724081-Б
Жгут задних фонарей
В узле: 1
68
45-3700090
Провод «массы» в сборе
В узле: 1
69
40-3724003-БЮ
Провод стартер-аккумуляторная батарея
В узле: 1
Содержащиеся в справочниках-каталогах запасные части и детали не предлагаются к продаже, а носят исключительно информационный характер

Ваша заявка была отправлена. В ближайшее время наши специалисты с Вами свяжутся по указанному Вами телефону.

Представьтесь
Поле обязательно для заполнения
Ваш телефон
Введите правильный номер телефона
E-mail
Введите правильный e-mail
Тема
Тема
применяемость финансирование доставка цена, наличие другое сервис и гарантия
Время для звонка
08:00
08:00 09:00 10:00 11:00 12:00 13:00 14:00 15:00 16:00 17:00 18:00 19:00
19:00
08:00 09:00 10:00 11:00 12:00 13:00 14:00 15:00 16:00 17:00 18:00 19:00

Мы постараемся перезвонить в указанное время

Если вы не хотите ждать, то звоните нашим вежливым консультантам:

8 800 100-2-700
Подтвердите, что вы не робот
Подтвердите, что вы не робот
Спасибо!

Ваше сообщение успешно отправлено!

ЗакрытьПовторить попытку