Каталог запасных частей к технике: ЧТЗ Бульдозер Б12. Установка бортовых редукторов

zoom-in zoom-out enlarge shrink circle-right circle-left file-text2 info cart arraw right arraw left zoom out zoom in arraw maximize arraw minimize
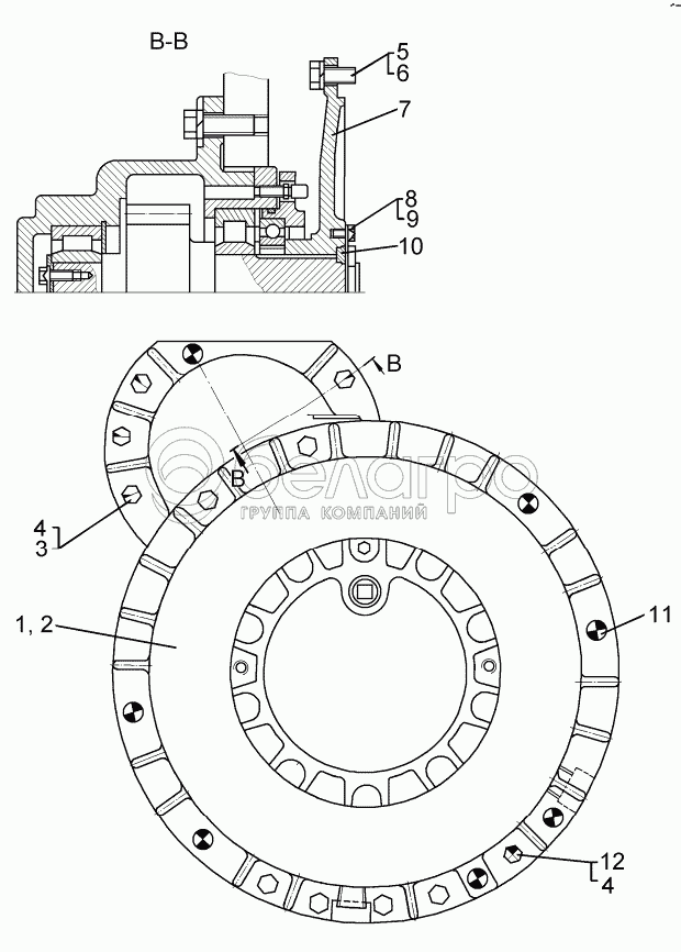
1
2
3
3
4
4
5
6
7
8
9
10
11
12
12
1
64-19-116-01СП
Редуктор бортовой
В узле: 1
2
64-19-116-03СП
Редуктор бортовой
В узле: 1
3
700-28-2691
Болт
В узле: 8
3
700-28-2691-01
Болт
В узле: 8
4
Шайба20ОТ65Г09
Шайба
В узле: 46
5
700-28-2621
Болт
В узле: 16
6
Шайба16ОТ65Г09
Шайба
В узле: 16
7
50-19-144
Фланец
В узле: 2
8
БолтМ8-6gх16.88.35.019
Болт
В узле: 4
9
50-19-154
Фиксатор
В узле: 2
10
700-40-7108
Кольцо
В узле: 2
11
700-40-9453
Пробка
В узле: 12
12
700-28-2691-02
Болт
В узле: 38
12
700-28-2691-03
Болт
В узле: 38
Содержащиеся в справочниках-каталогах запасные части и детали не предлагаются к продаже, а носят исключительно информационный характер

Ваша заявка была отправлена. В ближайшее время наши специалисты с Вами свяжутся по указанному Вами телефону.

Представьтесь
Поле обязательно для заполнения
Ваш телефон
Введите правильный номер телефона
E-mail
Введите правильный e-mail
Тема
Тема
применяемость финансирование доставка цена, наличие другое сервис и гарантия
Время для звонка
08:00
08:00 09:00 10:00 11:00 12:00 13:00 14:00 15:00 16:00 17:00 18:00 19:00
19:00
08:00 09:00 10:00 11:00 12:00 13:00 14:00 15:00 16:00 17:00 18:00 19:00

Мы постараемся перезвонить в указанное время

Если вы не хотите ждать, то звоните нашим вежливым консультантам:

8 800 100-2-700
Подтвердите, что вы не робот
Подтвердите, что вы не робот
Спасибо!

Ваше сообщение успешно отправлено!

ЗакрытьПовторить попытку