Каталог запасных частей к технике: ЧТЗ ДЭТ-250М2. Четырехзвенник

zoom-in zoom-out enlarge shrink circle-right circle-left file-text2 info cart arraw right arraw left zoom out zoom in arraw maximize arraw minimize
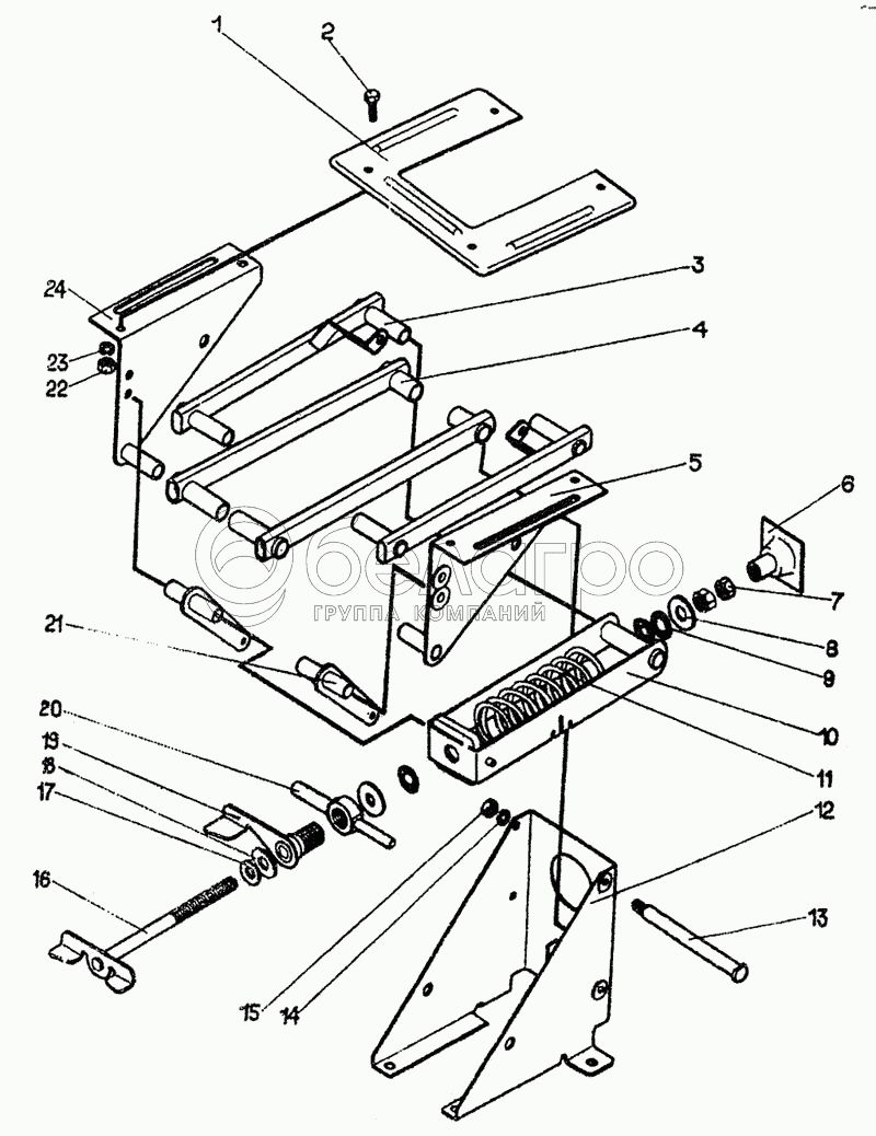
1
2
3
4
5
6
7
8
9
10
11
12
13
14
15
16
17
17
18
19
20
21
22
23
24
1
50-23-257
Панель
В узле: ---
2
БолтМ8х16.58.019 [ГОСТ 7796-70]
БолтМ8х16.58.019
В узле: ---
3
50-23-211СП
Звено
В узле: ---
4
50-23-171СП
Звено
В узле: ---
5
50-23-204СП
Опора левая
В узле: ---
6
50-23-210СП
Вставка
В узле: ---
7
3013
Гайка
В узле: ---
8
50-23-196
Накладка
В узле: ---
9
А31.00.109-01
Упор
В узле: ---
10
50-23-209СП
Вилка
В узле: ---
11
А31.00.110
Пружина
В узле: ---
12
50-23-203СП
Кронштейн
В узле: ---
13
50-23-193СП
Тяга
В узле: ---
14
Шайба 12 ОТ 65Г 09 [ГОСТ 6402-70]
Шайба 12 ОТ 65Г 09
В узле: ---
15
Гайка М12.6.019 [ГОСТ 5915-70]
Гайка М12.6.019
В узле: ---
16
50-23-206СП
Тяга
В узле: ---
17
Подшипник 8103 [ГОСТ 7872-89]
Подшипник 8103
В узле: ---
17
Подшипник 8103 [ГОСТ 7872-89]
Подшипник 8103
В узле: ---
18
31477-01
Шайба
В узле: ---
19
50-23-174СП
Втулка
В узле: ---
20
50-23-193
Ось
В узле: ---
21
50-23-180СП
3вено
В узле: ---
22
Гайка М8.6.019 [ГОСТ 5915-70]
Гайка М8.6.019
В узле: ---
23
Шайба 8Т 65Г 09 [ГОСТ 6402-70]
Шайба 8Т 65Г 09
В узле: ---
24
50-23-205СП
Опора правая
В узле: ---
Содержащиеся в справочниках-каталогах запасные части и детали не предлагаются к продаже, а носят исключительно информационный характер

Ваша заявка была отправлена. В ближайшее время наши специалисты с Вами свяжутся по указанному Вами телефону.

Представьтесь
Поле обязательно для заполнения
Ваш телефон
Введите правильный номер телефона
E-mail
Введите правильный e-mail
Тема
Тема
применяемость финансирование доставка цена, наличие другое сервис и гарантия
Время для звонка
08:00
08:00 09:00 10:00 11:00 12:00 13:00 14:00 15:00 16:00 17:00 18:00 19:00
19:00
08:00 09:00 10:00 11:00 12:00 13:00 14:00 15:00 16:00 17:00 18:00 19:00

Мы постараемся перезвонить в указанное время

Если вы не хотите ждать, то звоните нашим вежливым консультантам:

8 800 100-2-700
Подтвердите, что вы не робот
Подтвердите, что вы не робот
Спасибо!

Ваше сообщение успешно отправлено!

ЗакрытьПовторить попытку