Каталог запасных частей к технике: ЧТЗ ДЭТ-250М2. Обогреватель кабины

zoom-in zoom-out enlarge shrink circle-right circle-left file-text2 info cart arraw right arraw left zoom out zoom in arraw maximize arraw minimize
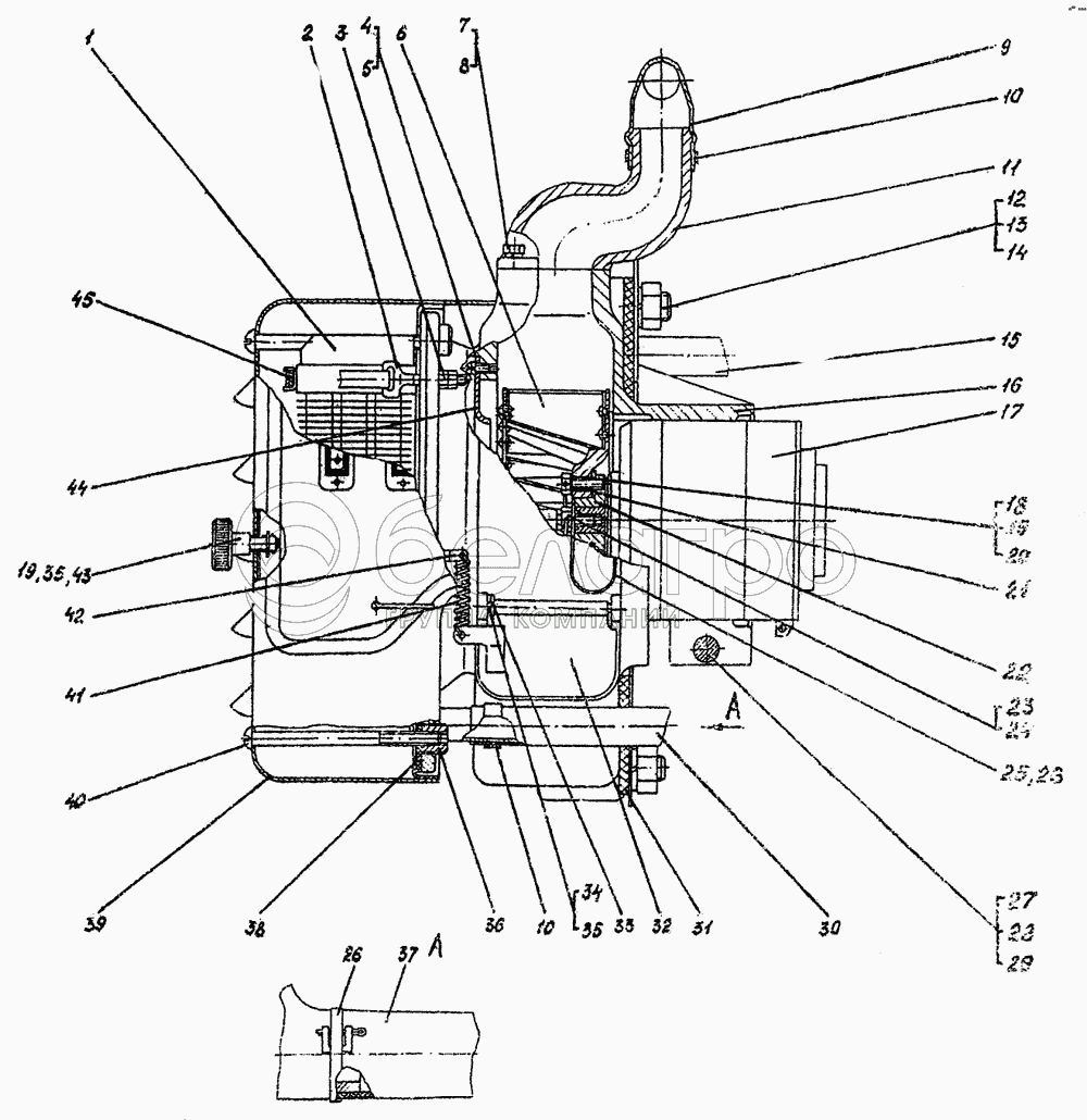
1
2
3
4
5
6
7
8
9
10
10
10
11
12
13
14
15
16
17
18
19
19
19
20
21
22
23
24
25
26
26
26
27
28
29
30
31
32
33
34
35
35
35
36
37
38
39
40
41
42
43
44
45
1
748-44-196СП
Радиатор водяной
В узле: ---
2
748-44-199СП
Стяжка
В узле: ---
3
Гайка М6-7Н.6.019 [ГОСТ 5915-70]
Гайка М6-7Н.6.019
В узле: ---
4
Винт ВМ5-6gх10.58.019 [ГОСТ 17473-80]
Винт ВМ5-6gх10.58.019
В узле: ---
5
Шайба 5Т 65Г 06 [ГОСТ 6402-70]
Шайба 5Т 65Г 06
В узле: ---
6
748-44-113СП
Ротор вентилятора
В узле: ---
7
Болт М6-6gх16.88.35.019 [ГОСТ 7798-70]
Болт М6-6gх16.88.35.019
В узле: ---
8
Шайба 6Т 65Г 09 [ГОСТ 6402-70]
Шайба 6Т 65Г 09
В узле: ---
9
748-44-77
Тройник
В узле: ---
10
700-41-2235-07СП
Хомут
В узле: ---
10
700-41-2235-07СП
Хомут
В узле: ---
11
748-44-78
Патрубок
В узле: ---
12
Гайка М14-7Н.6.019 [ГОСТ 5927-70]
Гайка М14-7Н.6.019
В узле: ---
13
Шайба 14 ОТ 65Г 09 [ГОСТ 6402-70]
Шайба 14 ОТ 65Г 09
В узле: ---
14
700-29-278
Шпилька
В узле: ---
15
700-40-3486
Рукав
В узле: ---
16
748-44-280
Корпус
В узле: ---
17
Электродвигатель МВ-42
Электродвигатель МВ-42
В узле: ---
18
Болт 3М6-6gх20.88.35.019 [ГОСТ 7798-70]
Болт 3М6-6gх20.88.35.019
В узле: ---
19
Шайба 6.01.019 [ГОСТ 11371-78]
Шайба 6.01.019
В узле: ---
19
Шайба 6.01.019 [ГОСТ 11371-78]
Шайба 6.01.019
В узле: ---
20
Проволока КО 1 [ГОСТ 792-67]
Проволока КО 1
В узле: ---
21
701-71-105
Шайба
В узле: ---
22
748-44-283
Фланец
В узле: ---
23
700-28-946
Болт
В узле: ---
24
Шайба 6.02.019 [ГОСТ 6958-78]
Шайба 6.02.019
В узле: ---
25
748-44-82
Шланг
В узле: ---
26
700-41-2235-25СП
Хомут
В узле: ---
26
700-41-2235-25СП
Хомут
В узле: ---
27
700-31-944-03
Шайба отгибная
В узле: ---
28
Болт М12-8gх70.46.05 [ГОСТ 7795-70]
Болт М12-8gх70.46.05
В узле: ---
29
Гайка М12-7Н.6.019 [ГОСТ 5915-70]
Гайка М12-7Н.6.019
В узле: ---
30
700-40-3487
Рукав
В узле: ---
31
700-40-6887
Прокладка
В узле: ---
32
748-44-197СП
Заслонка
В узле: ---
33
700-31-631
Шайба
В узле: ---
34
748-44-80
Ось
В узле: ---
35
Шплинт 2х12.019 [ГОСТ 397-79]
Шплинт 2х12.019
В узле: ---
35
Шплинт 2х12.019 [ГОСТ 397-79]
Шплинт 2х12.019
В узле: ---
36
748-44-85
Ввертыш
В узле: ---
37
700-40-6885
Шланг
В узле: ---
38
700-40-6886
Прокладка
В узле: ---
39
748-44-198СП
Кожух
В узле: ---
40
748-44-277
Винт
В узле: ---
41
38334
Пружина
В узле: ---
42
748-44-282
Ушко
В узле: ---
43
748-44-93
Ручка
В узле: ---
44
748-44-153
Диффузор
В узле: ---
45
748-44-105
Амортизатор
В узле: ---
Содержащиеся в справочниках-каталогах запасные части и детали не предлагаются к продаже, а носят исключительно информационный характер

Ваша заявка была отправлена. В ближайшее время наши специалисты с Вами свяжутся по указанному Вами телефону.

Представьтесь
Поле обязательно для заполнения
Ваш телефон
Введите правильный номер телефона
E-mail
Введите правильный e-mail
Тема
Тема
применяемость финансирование доставка цена, наличие другое сервис и гарантия
Время для звонка
08:00
08:00 09:00 10:00 11:00 12:00 13:00 14:00 15:00 16:00 17:00 18:00 19:00
19:00
08:00 09:00 10:00 11:00 12:00 13:00 14:00 15:00 16:00 17:00 18:00 19:00

Мы постараемся перезвонить в указанное время

Если вы не хотите ждать, то звоните нашим вежливым консультантам:

8 800 100-2-700
Подтвердите, что вы не робот
Подтвердите, что вы не робот
Спасибо!

Ваше сообщение успешно отправлено!

ЗакрытьПовторить попытку