Каталог запасных частей к технике: ЧТЗ Т-10М. Капот-продолжение

zoom-in zoom-out enlarge shrink circle-right circle-left file-text2 info cart arraw right arraw left zoom out zoom in arraw maximize arraw minimize
1
2
3
4
4
5
5
6
6
6
6
6
6
6
7
7
7
7
8
8
9
9
9
10
10
11
11
11
12
12
12
12
13
13
13
14
15
15
15
15
15
16
16
16
17
18
19
20
20
21
22
23
24
25
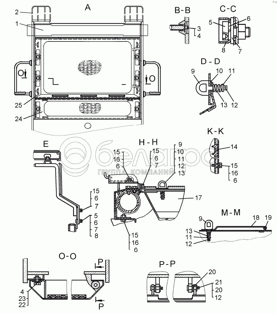
64-55-32-01СП
Капот
В узле: 2
64-55-32СП
Капот
В узле: 1
64-55-32-08СП
Капот
В узле: 8
64-55-32-07СП
Капот
В узле: 7
64-55-32-06СП
Капот
В узле: 6
64-55-32-05СП
Капот
В узле: 5
64-55-32-03СП
Капот
В узле: 4
64-55-32-02СП
Капот
В узле: 3
1
64-55-216СП
Лобовина
В узле: 1
2
64-55-245СП
Защита фары
В узле: 2
3
ГайкаМ12-7Н.6,019
Гайка М12-7Н.6,019
В узле: 4
4
31372
Шайба
В узле: 14
5
64-55-556
Болт
В узле: 16
6
Шайба10.ОТ.65Г.09
Шайба 10.ОТ.65Г.09
В узле: 49
7
3197
Шайба
В узле: 28
8
64-55-557
Кольцо
В узле: 16
9
18-25-32
Упор
В узле: 11
10
700-40-3667
Кольцо
В узле: 8
11
18-25-31
Шайба-колпачок
В узле: 11
12
Шплинт3,2x18
Шплинт 3,2x18
В узле: 11
13
38385
Пружина
В узле: 11
14
591044
Амортизатор
В узле: 4
15
БолтМ10-6gx25.58.019
Болт
В узле: 33
16
31308-1
Шайба
В узле: 21
17
64-55-229СП
Балка
В узле: 1
18
700-42-2771
Крышка
В узле: 1
19
50-55-370-01
Стержень
В узле: 1
20
3135-1
Шайба
В узле: 14
21
17317
Палец
В узле: 2
22
БолтМ12-6gx30.58.019
Болт
В узле: 10
23
Шайба12.ОТ.65Г.09
Шайба 12.ОТ.65Г.09
В узле: 6
24
64-55-265СП
Облицовка
В узле: 1
25
64-55-266СП
Облицовка
В узле: 1
Содержащиеся в справочниках-каталогах запасные части и детали не предлагаются к продаже, а носят исключительно информационный характер

Ваша заявка была отправлена. В ближайшее время наши специалисты с Вами свяжутся по указанному Вами телефону.

Представьтесь
Поле обязательно для заполнения
Ваш телефон
Введите правильный номер телефона
E-mail
Введите правильный e-mail
Тема
Тема
применяемость финансирование доставка цена, наличие другое сервис и гарантия
Время для звонка
08:00
08:00 09:00 10:00 11:00 12:00 13:00 14:00 15:00 16:00 17:00 18:00 19:00
19:00
08:00 09:00 10:00 11:00 12:00 13:00 14:00 15:00 16:00 17:00 18:00 19:00

Мы постараемся перезвонить в указанное время

Если вы не хотите ждать, то звоните нашим вежливым консультантам:

8 800 100-2-700
Подтвердите, что вы не робот
Подтвердите, что вы не робот
Спасибо!

Ваше сообщение успешно отправлено!

ЗакрытьПовторить попытку