Каталог запасных частей к технике: ЧТЗ Т-10М. Кожух

zoom-in zoom-out enlarge shrink circle-right circle-left file-text2 info cart arraw right arraw left zoom out zoom in arraw maximize arraw minimize
1
2
3
4
5
5
6
6
6
7
8
9
9
10
11
12
12
13
14
15
16
17
17
18
19
20
21
22
23
23
24
24
25
25
26
27
28
29
30
31
32
1
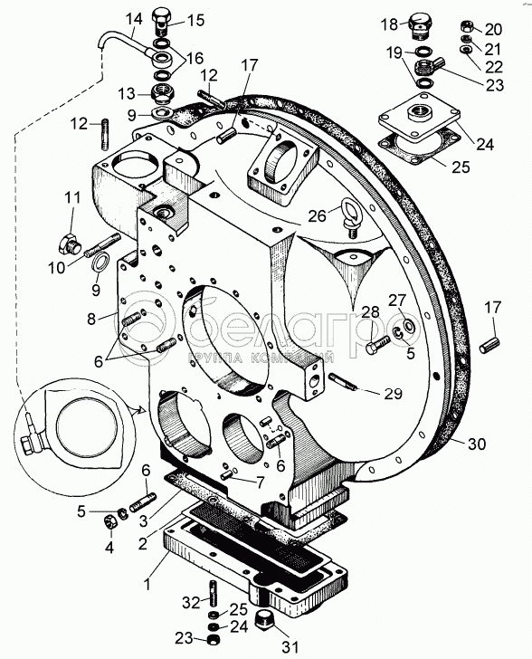
64-14-25
Поддон
В узле: 1
2
64-14-113СП
Заборник
В узле: 1
3
700-40-7193
Прокладка
В узле: 1
4
ГайкаМ12x1,25-7Н.6.019
Гайка
В узле: 24
5
Шайба12.ОТ.65Г.09
Шайба 12.ОТ.65Г.09
В узле: 35
6
700-29-2476
Шпилька
В узле: 20
7
700-32-2198
Штифт
В узле: 2
8
64-14-20
Корпус
В узле: 1
9
Кольцо27x35
Кольцо
В узле: 2
10
700-29-2477
Шпилька
В узле: 4
11
700-37-2154
Пробка
В узле: 1
12
700-29-2474
Шпилька
В узле: 8
13
64-14-61
Пробка
В узле: 1
14
64-14-121СП
Трубка
В узле: 1
15
700-41-2716
Штуцер
В узле: 2
16
Кольцо14x20
Кольцо
В узле: 4
17
700-32-2206
Штифт
В узле: 2
18
700-41-3306
Болт полый
В узле: 1
19
Кольцо22x30
Кольцо 22x30
В узле: 2
20
ГайкаМ10x1,25-6Н.6.019
Гайка М10x1,25-6Н.6.019
В узле: 21
21
Шайба10.ОТ.65Г.09
Шайба 10.ОТ.65Г.09
В узле: 35
22
31308-1
Шайба
В узле: 13
23
64-14-179СП
Трубка
В узле: 1
24
64-14-341
Крышка
В узле: 1
25
700-40-7257
Прокладка
В узле: 1
26
700-28-2224
Рым-болт
В узле: 2
27
3135-1
Шайба
В узле: 17
28
БолтМ12x40.58.019
Болт М12x40.58.019
В узле: 11
29
700-29-2135
Шпилька
В узле: 2
30
700-40-6160
Прокладка
В узле: 1
31
37104-1
Пробка коническая
В узле: 2
32
700-29-2475
Шпилька
В узле: 9
Содержащиеся в справочниках-каталогах запасные части и детали не предлагаются к продаже, а носят исключительно информационный характер

Ваша заявка была отправлена. В ближайшее время наши специалисты с Вами свяжутся по указанному Вами телефону.

Представьтесь
Поле обязательно для заполнения
Ваш телефон
Введите правильный номер телефона
E-mail
Введите правильный e-mail
Тема
Тема
применяемость финансирование доставка цена, наличие другое сервис и гарантия
Время для звонка
08:00
08:00 09:00 10:00 11:00 12:00 13:00 14:00 15:00 16:00 17:00 18:00 19:00
19:00
08:00 09:00 10:00 11:00 12:00 13:00 14:00 15:00 16:00 17:00 18:00 19:00

Мы постараемся перезвонить в указанное время

Если вы не хотите ждать, то звоните нашим вежливым консультантам:

8 800 100-2-700
Подтвердите, что вы не робот
Подтвердите, что вы не робот
Спасибо!

Ваше сообщение успешно отправлено!

ЗакрытьПовторить попытку