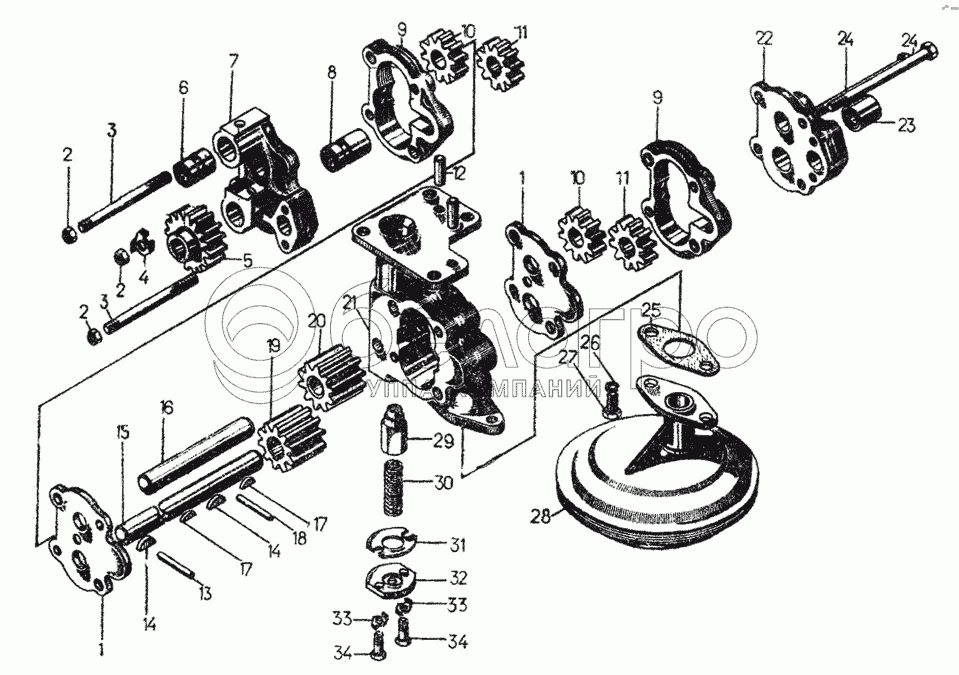
Каталог запасных частей к технике: ЧТЗ Т-130. Масляный насос комплект 29-09-124СП

zoom-in zoom-out enlarge shrink circle-right circle-left file-text2 info cart arraw right arraw left zoom out zoom in arraw maximize arraw minimize
1
1
2
2
2
3
3
4
5
6
7
8
9
9
10
10
11
11
12
13
14
14
15
16
17
17
18
19
20
21
22
23
24
24
25
26
27
28
29
30
31
32
33
33
34
34
29-09-125СП
Крышка
В узле: 1
16-09-163СП
Валик
В узле: 1
16-09- 150СП
Крышка
В узле: 1
1
23649
Плита
В узле: 2
2
700-30-2099
Гайка
В узле: 4
3
700-29-2098
Шпилька
В узле: 2
4
3137
Шайба
В узле: 4
5
16-09-142
Шестерня
В узле: 1
6
16-09-99
Втулка
В узле: 1
7
16-09-98
Крышка
В узле: 1
8
29-09-62
Втулка
В узле: 1
9
23283
Корпус
В узле: 1
10
9217
Шестерня
В узле: 2
11
9216
Шестерня
В узле: 2
12
32211
Штифт
В узле: 2
13
32268
Штифт
В узле: 1
14
700-34-2031
Шпонка
В узле: 1
15
16-09-140
Валик
В узле: 1
16
21822
Ось
В узле: 1
17
700-34-2021
Шпонка
В узле: 2
18
700-32-2125
Штифт
В узле: 1
19
16-09-146
Шестерня
В узле: 1
20
16-09-145
Шестерня
В узле: 1
21
22188
Корпус
В узле: 1
22
21092
Крышка
В узле: 1
23
21457
Втулка
В узле: 1
24
700-28-2087СП
Болт
В узле: 2
25
700-40-2886
Прокладка
В узле: 1
26
Шайба 10.ОТ.65Г.06
Шайба 10.ОТ.65Г.06
В узле: 2
27
Болт М10х20.46.019
Болт М10х20.46.019
В узле: 2
28
51-09-150СП
Маслоприемник
В узле: 1
29
09205
Клапан
В узле: 1
30
700-38-2191
Пружина
В узле: 1
31
16-09-147
Прокладка
В узле: 4
32
29-09-117
Фланец
В узле: 1
33
700-31-2087
Шайба стопорная
В узле: 9
34
Болт М6х25.46.019
Болт М6х25.46.019
В узле: 2
Содержащиеся в справочниках-каталогах запасные части и детали не предлагаются к продаже, а носят исключительно информационный характер

Ваша заявка была отправлена. В ближайшее время наши специалисты с Вами свяжутся по указанному Вами телефону.

Представьтесь
Поле обязательно для заполнения
Ваш телефон
Введите правильный номер телефона
E-mail
Введите правильный e-mail
Тема
Тема
применяемость финансирование доставка цена, наличие другое сервис и гарантия
Время для звонка
08:00
08:00 09:00 10:00 11:00 12:00 13:00 14:00 15:00 16:00 17:00 18:00 19:00
19:00
08:00 09:00 10:00 11:00 12:00 13:00 14:00 15:00 16:00 17:00 18:00 19:00

Мы постараемся перезвонить в указанное время

Если вы не хотите ждать, то звоните нашим вежливым консультантам:

8 800 100-2-700
Подтвердите, что вы не робот
Подтвердите, что вы не робот
Спасибо!

Ваше сообщение успешно отправлено!

ЗакрытьПовторить попытку