Каталог запасных частей к технике: ЧТЗ Т-130. Система смазки 51-09-2СП

zoom-in zoom-out enlarge shrink circle-right circle-left file-text2 info cart arraw right arraw left zoom out zoom in arraw maximize arraw minimize
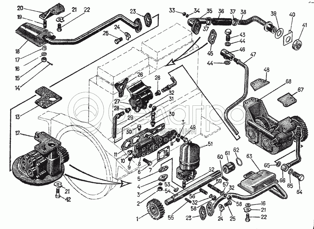
1
2
3
3
4
5
6
7
8
9
9
10
11
12
13
14
15
16
16
17
18
19
20
21
21
21
22
22
23
23
24
24
25
25
26
27
28
28
29
30
31
32
32
32
33
34
35
36
37
37
38
39
40
41
42
43
44
44
45
46
47
48
49
50
51
52
53
54
55
56
57
58
58
59
60
61
62
63
64
65
65
66
67
51-09-122СП
Валик привода насоса
В узле: 1
1
51-09-53
Шестерня
В узле: 1
2
700-30-2099
Гайка
В узле: 4
3
Шайба 10.ОТ.65Г.06
Шайба 10.ОТ.65Г.06
В узле: 2
4
16-09-139
Фланец
В узле: 2
5
700-40-4892
Прокладка
В узле: 2
6
Болт М10х55.58.019
Болт М10х55.58.019
В узле: 5
7
700-40-4746
Прокладка
В узле: 1
8
16-09-135
Плита маслораспределительная
В узле: 1
9
375
Пробка
В узле: 2
10
379
Пробка
В узле: 1
11
700-40-4747
Прокладка
В узле: 1
12
29-09-124СП
Насос масляный
В узле: 1
13
700-40-2905
Прокладка
В узле: 1
14
Шплинт 2x20
Шплинт 2x20
В узле: 1
15
700-30-2263
Гайка
В узле: 1
16
31308
Шайба
В узле: 2
17
38307
Пружина
В узле: 1
18
29-09-134СП
Маслоприемник
В узле: 1
19
29309
Шпилька
В узле: 1
20
9720
Кронштейн задний
В узле: 1
21
3137
Шайба
В узле: 7
22
Болт M10х25.46.019
Болт M10х25.46.019
В узле: 3
23
40751
Прокладка
В узле: 2
24
31366
Шайба
В узле: 4
25
Болт М8х20.46.019
Болт М8х20.46.019
В узле: 4
26
700-40-3162
Прокладка
В узле: 1
27
16-09-130СП
Фильтр масляный
В узле: 1
28
700-41-2001
Штуцер
В узле: 2
29
16-09-187СП
Трубка
В узле: 1
30
700-41-3008
Штуцер
В узле: 1
31
Гайка М12х1,25.6.019
Гайка М12х1,25.6.019
В узле: 3
32
Шайба 12.ОТ.65Г.06
Шайба 12.ОТ.65Г.06
В узле: 7
33
Гайка M8.6.019
Гайка M8.6.019
В узле: 2
34
Шайба 8Т.65Г.06
Шайба 8Т.65Г.06
В узле: 2
35
51-09-129СП
Труба
В узле: 1
36
46849
Рукав
В узле: 1
37
Xoмут 26
Xoмут 26
В узле: 2
38
51-09-130СП
Труба
В узле: 1
39
40910
Кольцо
В узле: 1
40
3173
Пластина стопорная
В узле: 1
41
3039
Гайка
В узле: 1
42
Болт M10x30.46.019
Болт M10x30.46.019
В узле: 4
43
700-41-2917
Штуцер
В узле: 1
44
Кольцо 14x20 МН 4152-62
Кольцо 14x20 МН 4152-62
В узле: 2
45
700-40-5650
Прокладка
В узле: 1
46
51-66-1СП
Уравновешивающий механизм
В узле: 1
47
51-09-154СП
Труба
В узле: 1
48
29-09-108
Прокладка
В узле: 3
49
Болт M10x45.46.019
Болт M10x45.46.019
В узле: 3
50
700-41-3164
Штуцер
В узле: 1
51
95000
Центрифуга масляная
В узле: 1
52
700-29-2146
Шпилька
В узле: 4
53
700-34-2040
Шпонка
В узле: 1
54
51-09-51
Валик
В узле: 1
55
32268
Штифт
В узле: 1
56
700-29-2853
Шпилька
В узле: 1
57
3135
Шайба
В узле: 4
58
3010
Гайка
В узле: 4
59
700-29-2233
Шпилька
В узле: 3
60
700-32-2105
Штифт
В узле: 2
61
51-09-50
Муфта
В узле: 1
62
700-58-2368
Кольцо
В узле: 2
63
51-09-149СП
Маслоприемник
В узле: 1
64
411143
Штуцер
В узле: 1
65
Кольцо 16x20 МН 4152-62
Кольцо 16x20 МН 4152-62
В узле: 2
66
29-09-122СП.
Трубка
В узле: 1
67
29-09-109
Прокладка
В узле: 3
Содержащиеся в справочниках-каталогах запасные части и детали не предлагаются к продаже, а носят исключительно информационный характер

Ваша заявка была отправлена. В ближайшее время наши специалисты с Вами свяжутся по указанному Вами телефону.

Представьтесь
Поле обязательно для заполнения
Ваш телефон
Введите правильный номер телефона
E-mail
Введите правильный e-mail
Тема
Тема
применяемость финансирование доставка цена, наличие другое сервис и гарантия
Время для звонка
08:00
08:00 09:00 10:00 11:00 12:00 13:00 14:00 15:00 16:00 17:00 18:00 19:00
19:00
08:00 09:00 10:00 11:00 12:00 13:00 14:00 15:00 16:00 17:00 18:00 19:00

Мы постараемся перезвонить в указанное время

Если вы не хотите ждать, то звоните нашим вежливым консультантам:

8 800 100-2-700
Подтвердите, что вы не робот
Подтвердите, что вы не робот
Спасибо!

Ваше сообщение успешно отправлено!

ЗакрытьПовторить попытку