Каталог запасных частей к технике: ЧТЗ Т-130. Установка бензобачка 51-25-5СП

zoom-in zoom-out enlarge shrink circle-right circle-left file-text2 info cart arraw right arraw left zoom out zoom in arraw maximize arraw minimize
51-25-102СП
1
2
3
4
5
5
6
6
7
8
9
10
11
12
13
14
15
16
17
18
19
20
21
22
23
24
25
26
51-25-102СП
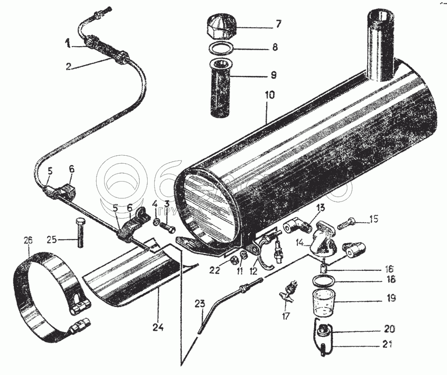
Бензобак
В узле: 1
051308СП
Отстойник
В узле: 1
1
Хомут 15
Хомут 15
В узле: 1
2
25261
Шланг
В узле: 1
3
Болт M10x20.46.019
Болт M10x20.46.019
В узле: 1
4
Шайба 10.ОТ.65Г.06
Шайба 10.ОТ.65Г.06
В узле: 1
5
700-40-6017
Втулка
В узле: 2
6
16-25-13
Хомут
В узле: 1
7
05719
Пробка
В узле: 1
8
40269
Прокладка
В узле: 1
9
16-25-106СП
Фильтр
В узле: 1
10
51-25-103СП
Бензобак
В узле: 1
11
Шайба 6Т.65Г.06
Шайба 6Т.65Г.06
В узле: 2
12
16-25-115СП
Трубка
В узле: 1
13
41204-1
Колено
В узле: 2
14
051309-1
Корпус
В узле: 1
15
Болт М6х16.46.019
Болт М6х16.46.019
В узле: 2
16
05461СП
Фильтр
В узле: 1
17
051374
Игла запорная
В узле: 1
18
700-40-4288
Прокладка
В узле: 1
19
17-05-102
Стакан отстойника
В узле: 1
20
05517
Гайка
В узле: 1
21
05514
Дужка
В узле: 1
22
Гайка М6.6.019
Гайка М6.6.019
В узле: 2
23
51-25-118СП
Трубка
В узле: 1
24
700-40-3113
Прокладка
В узле: 1
25
51-05-16СП
Установка воздухоочистителя и коллекторов
В узле: 1
26
16-25-102СП
Хомут
В узле: 1
Содержащиеся в справочниках-каталогах запасные части и детали не предлагаются к продаже, а носят исключительно информационный характер

Ваша заявка была отправлена. В ближайшее время наши специалисты с Вами свяжутся по указанному Вами телефону.

Представьтесь
Поле обязательно для заполнения
Ваш телефон
Введите правильный номер телефона
E-mail
Введите правильный e-mail
Тема
Тема
применяемость финансирование доставка цена, наличие другое сервис и гарантия
Время для звонка
08:00
08:00 09:00 10:00 11:00 12:00 13:00 14:00 15:00 16:00 17:00 18:00 19:00
19:00
08:00 09:00 10:00 11:00 12:00 13:00 14:00 15:00 16:00 17:00 18:00 19:00

Мы постараемся перезвонить в указанное время

Если вы не хотите ждать, то звоните нашим вежливым консультантам:

8 800 100-2-700
Подтвердите, что вы не робот
Подтвердите, что вы не робот
Спасибо!

Ваше сообщение успешно отправлено!

ЗакрытьПовторить попытку