Каталог запасных частей к технике: ЧТЗ Т-130. Воздухоочиститель, карбюратор, выхлопной патрубок

zoom-in zoom-out enlarge shrink circle-right circle-left file-text2 info cart arraw right arraw left zoom out zoom in arraw maximize arraw minimize
700.04.010.20
1
1
2
2
3
3
3
4
4
4
5
6
6
7
8
9
10
11
12
13
14
15
16
17
18
19
20
21
22
23
24
25
26
27
28
29
30
700.04.010.20
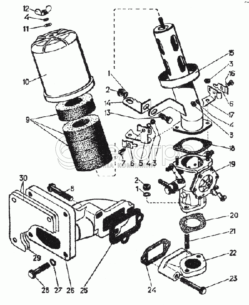
Воздухоочиститель
В узле: 1
700.01.260.10
Кронштейн
В узле: 1
700.01.110.20
Патрубок карбюратора
В узле: 1
350.01.090.00
Кронштейн
В узле: 1
1
Шайба 8.65Г.05
Шайба 8.65Г.05
В узле: 3
2
Гайка М8-6Н.6.016
Гайка М8-6Н.6.016
В узле: 3
3
Гайка М6-6Н.6.016
Гайка М6-6Н.6.016
В узле: 4
4
Шайба 6.65Г.05
Шайба 6.65Г.05
В узле: 1
5
700.01.059.20
Коонштейн
В узле: 1
6
350.01.016.00
Прижим
В узле: 1
7
BинтM6-6gx16.56.016
Bинт M6-6gx16.56.016
В узле: 1
8
БолтM10-6gx30.56.016
Болт M10-6gx30.56.016
В узле: 3
9
Д24172
Элемент фильтрующий
В узле: 5
10
700.04.003.10
Колпак
В узле: 1
11
Шайба 6.05
Шайба 6.05
В узле: 1
12
Гайка М6-7Н.6.016
Гайка М6-7Н.6.016
В узле: 1
13
Болт M8-6gx20.56.016
Болт M8-6gx20.56.016
В узле: 1
14
700.04.008.10
Кронштейн
В узле: 1
15
700.04.020.30
Корпус воздухоочистителя
В узле: 1
16
Винт 2М6х16.56.016
Винт 2М6х16.56.016
В узле: 1
17
350.01.017.10
Кронштейн
В узле: 1
18
350.01.019.10
Прокладка
В узле: 1
19
113 11.07011
Карбюратор
В узле: 1
20
350.01.018.00
Прокладка карбюратора
В узле: 1
21
Шпилька БМ8хTo/6gx20
Шпилька БМ8хTo/6gx20 10/18 56.016
В узле: 2
22
700.01.049.20
Патрубок карбюратора
В узле: 1
23
Болт M8-6gx55.56.016
Болт M8-6gx55.56.016
В узле: 2
24
700.01.051.00
Прокладка
В узле: 1
25
700.01.054.00
Прокладка
В узле: 1
26
700.01.035.10
Патрубок выхлопной
В узле: 1
27
Шайба 10.ОТ.65Г.06
Шайба 10.ОТ.65Г.06
В узле: 4
28
Болт М10x40.46.019
Болт М10x40.46.019
В узле: 4
29
16-95-15
Прокладка
В узле: 3
30
700-40-2281
Прокладка
В узле: 3
Содержащиеся в справочниках-каталогах запасные части и детали не предлагаются к продаже, а носят исключительно информационный характер

Ваша заявка была отправлена. В ближайшее время наши специалисты с Вами свяжутся по указанному Вами телефону.

Представьтесь
Поле обязательно для заполнения
Ваш телефон
Введите правильный номер телефона
E-mail
Введите правильный e-mail
Тема
Тема
применяемость финансирование доставка цена, наличие другое сервис и гарантия
Время для звонка
08:00
08:00 09:00 10:00 11:00 12:00 13:00 14:00 15:00 16:00 17:00 18:00 19:00
19:00
08:00 09:00 10:00 11:00 12:00 13:00 14:00 15:00 16:00 17:00 18:00 19:00

Мы постараемся перезвонить в указанное время

Если вы не хотите ждать, то звоните нашим вежливым консультантам:

8 800 100-2-700
Подтвердите, что вы не робот
Подтвердите, что вы не робот
Спасибо!

Ваше сообщение успешно отправлено!

ЗакрытьПовторить попытку