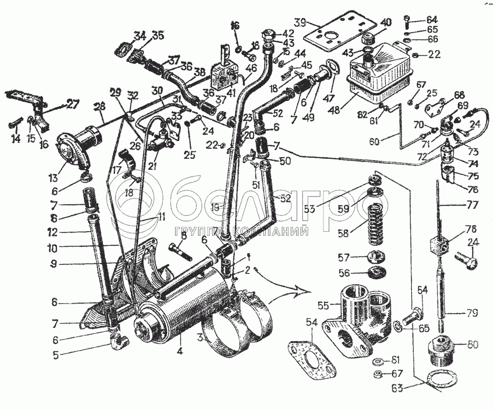
Каталог запасных частей к технике: ЧТЗ Т-130. Установка подогревателя ПЖБ-400,51-43-1СП

zoom-in zoom-out enlarge shrink circle-right circle-left file-text2 info cart arraw right arraw left zoom out zoom in arraw maximize arraw minimize
1
2
3
4
5
6
6
6
6
6
6
6
7
7
7
7
7
8
9
10
11
12
13
14
15
15
16
16
17
18
18
18
19
20
21
22
22
23
24
24
24
25
25
26
27
28
29
30
31
32
33
34
35
36
36
37
37
38
39
40
41
42
43
43
43
44
45
46
47
48
49
50
51
52
52
53
54
55
56
57
58
59
60
61
62
63
64
64
65
65
66
67
67
68
69
70
71
72
73
74
75
76
77
78
79
80
81
051308СП
Отстойник
В узле: 1
21-43-115СП
Кран сливной
В узле: 1
18-10-12СП
Электрооборудование
В узле: 1
18-43-150СП
Бачок
В узле: 1
1
700-40-3645
Рукав
В узле: 1
2
Хомут 42
Хомут 42
В узле: 2
3
51-43-105СП
Лента
В узле: 2
4
Котел (из комплекта ПЖБ-400Б1015008М)
Котел (из комплекта ПЖБ-400Б1015008М)
В узле: 1
5
24-43-сб148
Патрубок
В узле: 1
6
Хомут 55
Хомут 55
В узле: 10
7
700-40-3494
Рукав
В узле: 5
8
51-05-116СП
Болт стяжной
В узле: 2
9
51-43-104СП
Кронштейн
В узле: 1
10
18-10-352СП
Провод
В узле: 1
11
24-43-сб129
Трубка
В узле: 1
12
24-43-106
Труба
В узле: 1
13
Вентилятор подогревателя
Вентилятор подогревателя (из комплекта ПЖБ-400Б1015008М.)
В узле: 1
14
Шплинт 8x80
Шплинт 8x80
В узле: 1
15
Гайка М10.6.019
Гайка М10.6.019
В узле: 3
16
Шайба 10.ОТ.65Г.06
Шайба 10.ОТ.65Г.06
В узле: 3
17
24-43-105
Скоба
В узле: 1
18
Болт М10х30.46.019
Болт М10х30.46.019
В узле: 1
19
51-43-102СП
Труба
В узле: 1
20
21-43-сб126
Кронштейн
В узле: 1
21
Электромагнитный клапан
Электромагнитный клапан (из комплекта ПЖБ-400Б 1015008М)
В узле: 1
22
Гайка М8.6.019
Гайка М8.6.019
В узле: 5
23
21-43-сб111
Ручка
В узле: 1
24
Болт М6х16.46.019
Болт М6х16.46.019
В узле: 6
25
Шайба 6Т.65Г.06
Шайба 6Т.65Г.06
В узле: 4
26
18-10-354СП
Провод
В узле: 1
27
24-43-150СП
Кронштейн
В узле: 1
28
18-10-353СП
Провод
В узле: 1
29
700-40-2654
Прокладка
В узле: 1
30
18-43-146СП
Бензопровод
В узле: 1
31
41638
Хомутик
В узле: 2
32
41627
Скоба
В узле: 1
33
18-43-127
Кронштейн
В узле: 1
34
46792
Прокладка
В узле: 1
35
21-43-сб113
Труба отводящая
В узле: 1
36
Хомут 38
Хомут 38
В узле: 4
37
700-40-3490
Рукав
В узле: 2
38
51-43-1
Труба
В узле: 1
39
18-43-134
Крышка
В узле: 1
40
05719
Пробка
В узле: 1
41
ПЖБ-400Б1015008М
Щиток из комплекта ПЖБ-400Б1015008М
В узле: 1
42
24-43-81
Пробка
В узле: 1
43
40269
Прокладка
В узле: 1
43
40269
Прокладка
В узле: 1
44
31308
Шайба
В узле: 2
45
24-43-97
Скоба
В узле: 2
46
18-10-351СП
Провод
В узле: 1
47
700-40-5132
Прокладка
В узле: 1
48
18-43-148СП
Бачок
В узле: 1
49
51-43-103СП
Труба
В узле: 1
50
21-43-51
Скоба
В узле: 1
51
Болт М8х25.46.019
Болт М8х25.46.019
В узле: 1
52
51-43-101СП
Труба
В узле: 2
53
311-35-2
Кольцо уплотняющее
В узле: 1
54
700-40-3567
Прокладка
В узле: 1
55
21-43-40
Корпус крана
В узле: 1
56
311-34-2
Клапан
В узле: 1
57
311-45-1
Кольцо
В узле: 1
58
311-33-2
Пружина
В узле: 1
59
311-36-1A
Шайба
В узле: 1
60
18-43-147СП
Бензопровод
В узле: 1
61
700-41-2595
Штуцер
В узле: 1
62
700-40-260-06
Прокладка
В узле: 1
63
700-40-260-17
Прокладка
В узле: 1
64
Болт М8х20.46.019
Болт М8х20.46.019
В узле: 6
65
Шайба 8Т.65Г.06
Шайба 8Т.65Г.06
В узле: 6
66
31365
Шайба
В узле: 4
67
Гайка М6.6.019
Гайка М6.6.019
В узле: 3
68
l8-43-135
Кронштейн
В узле: 1
69
051309-1
Корпус
В узле: 1
70
41242
Штуцер
В узле: 3
71
700-40-4288
Прокладка
В узле: 1
72
05461 СП
Фильтр
В узле: 1
73
051374
Игла запорная
В узле: 1
74
17-05-102
Стакан отстойника
В узле: 1
75
05517
Гайка
В узле: 1
76
05514
Дужка
В узле: 1
77
24-43-93
Трос
В узле: 1
78
81430
Муфта
В узле: 2
79
311-32-2A
Стержень крана
В узле: 1
80
311-31-1A
Гайка нажимная
В узле: 1
81
31358
Шайба
В узле: 1
Содержащиеся в справочниках-каталогах запасные части и детали не предлагаются к продаже, а носят исключительно информационный характер

Ваша заявка была отправлена. В ближайшее время наши специалисты с Вами свяжутся по указанному Вами телефону.

Представьтесь
Поле обязательно для заполнения
Ваш телефон
Введите правильный номер телефона
E-mail
Введите правильный e-mail
Тема
Тема
применяемость финансирование доставка цена, наличие другое сервис и гарантия
Время для звонка
08:00
08:00 09:00 10:00 11:00 12:00 13:00 14:00 15:00 16:00 17:00 18:00 19:00
19:00
08:00 09:00 10:00 11:00 12:00 13:00 14:00 15:00 16:00 17:00 18:00 19:00

Мы постараемся перезвонить в указанное время

Если вы не хотите ждать, то звоните нашим вежливым консультантам:

8 800 100-2-700
Подтвердите, что вы не робот
Подтвердите, что вы не робот
Спасибо!

Ваше сообщение успешно отправлено!

ЗакрытьПовторить попытку