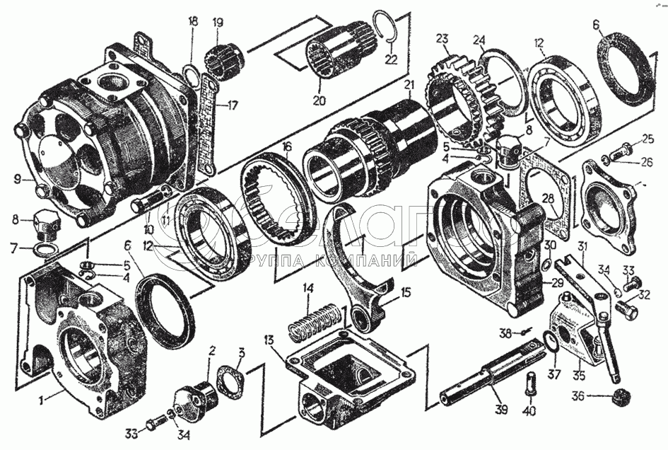
Каталог запасных частей к технике: ЧТЗ Т-130. Установка привода насоса 18-26-485СП

zoom-in zoom-out enlarge shrink circle-right circle-left file-text2 info cart arraw right arraw left zoom out zoom in arraw maximize arraw minimize
1
2
3
4
4
5
5
6
6
7
7
8
8
9
10
11
12
12
13
14
15
16
17
18
19
20
21
22
23
24
25
26
27
28
29
30
31
32
33
33
34
34
35
36
37
38
39
40
18-26-286СП
Сапун
В узле: 2
1
18-26-802
Фланец
В узле: 1
2
18-26-810
Стакан
В узле: 1
3
700-40-4861
Прокладка
В узле: 1
4
261046
Кольцо пружинное
В узле: 2
5
18-26-422
Шайба
В узле: 2
6
700-40-5612СП
Манжета
В узле: 1
7
700-40-260-17
Прокладка
В узле: 1
8
18-26-421
Корпус сапуна
В узле: 2
9
Насос НШ100-Л-2
Насос НШ100-Л-2
В узле: 1
10
28556
Болт
В узле: 4
11
Шайба 12.ОТ.65Г.06
Шайба 12.ОТ.65Г.06
В узле: 4
12
Подшипник 118
Подшипник 118
В узле: 2
13
18-26-809
Крышка
В узле: 1
14
38435
Пружина
В узле: 1
15
18-26-811
Вилка
В узле: 1
16
18-56-805
Муфта
В узле: 1
17
700-40-3688
Прокладка
В узле: 1
18
700-58-2414
Кольцо
В узле: 1
19
18-26-803
Муфта
В узле: 1
20
18-26-807
Муфта
В узле: 1
21
18-26-486СП
Вал
В узле: 1
22
700-58-2416
Кольцо
В узле: 1
23
18-26-804
Шестерня
В узле: 1
24
18-26-806
Кольцо
В узле: 1
25
Болт М10x25.46.019
Болт М10x25.46.019
В узле: 4
26
Шайба 10.ОТ.65Г.06
Шайба 10.ОТ.65Г.06
В узле: 4
27
26291
Крышка
В узле: 1
28
401074-1
Прокладка
В узле: 1
29
18-26-801
Фланец
В узле: 1
30
700-40-260-07
Прокладка
В узле: 1
31
18-26-487СП
Рычаг
В узле: 1
32
37121
Пробка
В узле: 2
33
Болт М8х20.46.019
Болт М8х20.46.019
В узле: 4
34
Шайба 8Т.65Г.06
Шайба 8Т.65Г.06
В узле: 4
35
18-26-488СП
Кронштейн
В узле: 1
36
Ручка 11 П30
Ручка 11 П30
В узле: 1
37
Кольцо У35x30-2
Кольцо У35x30-2
В узле: 1
38
Шплинт 2,5x16
Шплинт 2,5x16
В узле: 1
39
18-26-812
Валик
В узле: 1
40
700-47-2045
Ось
В узле: 1
Содержащиеся в справочниках-каталогах запасные части и детали не предлагаются к продаже, а носят исключительно информационный характер

Ваша заявка была отправлена. В ближайшее время наши специалисты с Вами свяжутся по указанному Вами телефону.

Представьтесь
Поле обязательно для заполнения
Ваш телефон
Введите правильный номер телефона
E-mail
Введите правильный e-mail
Тема
Тема
применяемость финансирование доставка цена, наличие другое сервис и гарантия
Время для звонка
08:00
08:00 09:00 10:00 11:00 12:00 13:00 14:00 15:00 16:00 17:00 18:00 19:00
19:00
08:00 09:00 10:00 11:00 12:00 13:00 14:00 15:00 16:00 17:00 18:00 19:00

Мы постараемся перезвонить в указанное время

Если вы не хотите ждать, то звоните нашим вежливым консультантам:

8 800 100-2-700
Подтвердите, что вы не робот
Подтвердите, что вы не робот
Спасибо!

Ваше сообщение успешно отправлено!

ЗакрытьПовторить попытку