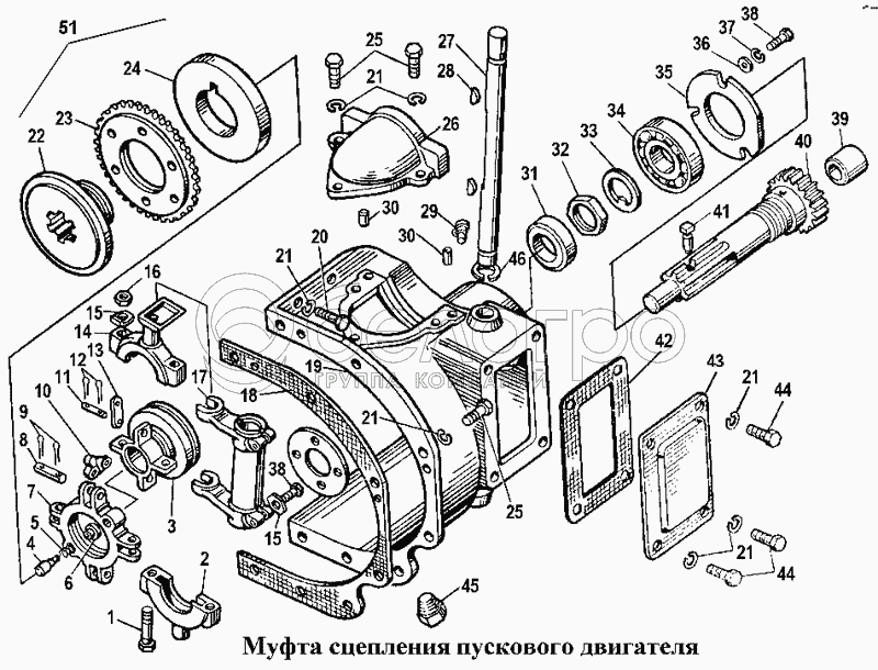
Каталог запасных частей к технике: ЧТЗ Т-170. Муфта сцепления пускового двигателя

zoom-in zoom-out enlarge shrink circle-right circle-left file-text2 info cart arraw right arraw left zoom out zoom in arraw maximize arraw minimize
1
2
3
4
5
6
7
8
9
10
11
12
13
14
15
15
16
17
18
19
20
21
21
21
21
21
22
23
24
25
25
26
27
28
29
30
30
31
32
33
34
35
36
37
38
38
39
40
41
42
43
44
44
45
46
51
17-73-111СП
Корпус
В узле: 1
7324СП
Вал
В узле: 1
7326СП
Хомут
В узле: 1
17-73-112СП
Корпус
В узле: 1
7318СП
Крестовина
В узле: 1
1
Болт М8х55.88.019
Болт М8х55.88.019
В узле: 2
2
7322
Хомут
В узле: 1
3
7315-1
Муфта включения
В узле: 1
4
7316
Защелка
В узле: 1
5
3874
Пружина
В узле: 1
6
516
Кнопка
В узле: 1
7
7310
Крестовина
В узле: 1
8
7312
Палец
В узле: 4
9
Шплинт 2,5х16.019
Шплинт 2,5х16.019
В узле: 4
10
7311-1
Кулачок
В узле: 4
11
7314
Палец
В узле: 8
12
Шплинт 2х12.019
Шплинт 2х12.019
В узле: 8
13
7313
Серьга
В узле: 8
14
7320
Хомут
В узле: 1
15
31103-1
Шайба стопорная
В узле: 2
16
Гайка М8-6.019
Гайка М8-6.019
В узле: 2
17
74102
Вилка
В узле: 1
18
40954
Прокладка
В узле: 1
19
17-73-20-1
Корпус
В узле: 1
20
Болт М10х30.58.019
Болт М10х30.58.019
В узле: 4
21
Шайба 10 ОТ 65Г 09
Шайба 10 ОТ 65Г 09
В узле: 4
22
736
Диск неподвижный
В узле: 1
23
738-4СП
Диск
В узле: 1
24
739
Диск нажимной
В узле: 1
25
Болт М10х25.58.019
Болт М10х25.58.019
В узле: 7
26
17-73-13
Крышка
В узле: 1
27
17-73-35
Ось
В узле: 1
28
3432
Шпонка
В узле: 2
29
41265СП
Масленка
В узле: 1
30
700-32-2196
Штифт
В узле: 2
31
40257СП
Сальник
В узле: 1
32
700-30-2305
Гайка
В узле: 1
33
700-31-2566
Шайба
В узле: 1
34
Подшипник 208К
Подшипник 208К
В узле: 1
35
73105
Крышка
В узле: 1
36
700-31-2574
Шайба
В узле: 3
37
Шайба 8Т 65Г 09
Шайба 8Т 65Г 09
В узле: 3
38
Болт М8х25.88.019
Болт М8х25.88.019
В узле: 3
39
7323-1
Втулка
В узле: 1
40
735
Вал
В узле: 1
41
7325
Палец стопорный
В узле: 1
42
40235
Прокладка
В узле: 1
43
73103
Крышка люка
В узле: 1
44
Болт М10х22.58.019
Болт М10х22.58.019
В узле: 4
45
379
Пробка
В узле: 1
46
700-58-2526
Кольцо
В узле: 1
51
17-73-7СП
Муфта сцепления
В узле: 1
Содержащиеся в справочниках-каталогах запасные части и детали не предлагаются к продаже, а носят исключительно информационный характер

Ваша заявка была отправлена. В ближайшее время наши специалисты с Вами свяжутся по указанному Вами телефону.

Представьтесь
Поле обязательно для заполнения
Ваш телефон
Введите правильный номер телефона
E-mail
Введите правильный e-mail
Тема
Тема
применяемость финансирование доставка цена, наличие другое сервис и гарантия
Время для звонка
08:00
08:00 09:00 10:00 11:00 12:00 13:00 14:00 15:00 16:00 17:00 18:00 19:00
19:00
08:00 09:00 10:00 11:00 12:00 13:00 14:00 15:00 16:00 17:00 18:00 19:00

Мы постараемся перезвонить в указанное время

Если вы не хотите ждать, то звоните нашим вежливым консультантам:

8 800 100-2-700
Подтвердите, что вы не робот
Подтвердите, что вы не робот
Спасибо!

Ваше сообщение успешно отправлено!

ЗакрытьПовторить попытку