Каталог запасных частей к технике: ЧТЗ Т-170. Работомер

zoom-in zoom-out enlarge shrink circle-right circle-left file-text2 info cart arraw right arraw left zoom out zoom in arraw maximize arraw minimize
1
2
3
4
4
5
6
7
8
8
8
9
10
11
12
13
14
15
16
17
18
19
20
21
22
23
24
25
26
27
28
29
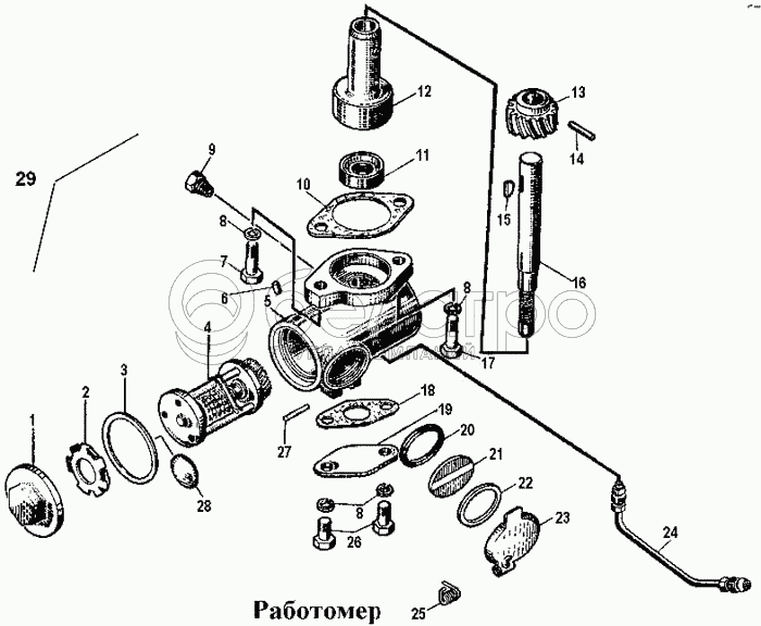
16-72-103СП
Корпус
В узле: 1
16-72-105СП
Валик
В узле: 1
16-72-104СП
Подшипник
В узле: 1
16-72-106СП
Крышка
В узле: 1
1
16-72-6
Крышка
В узле: 1
2
71137
Шайба
В узле: 1
3
46105
Прокладка
В узле: 1
4
Счетчик моточасов СМЧ-130Т
Счетчик моточасов СМЧ-130Т
В узле: 1
4
Счетчик моточасов СМЧ-130Э
Счетчик моточасов СМЧ-130Э
В узле: 1
5
16-72-5
Корпус
В узле: 1
6
700-32-2182
Штифт
В узле: 1
7
28481
Болт
В узле: 1
8
Шайба 8Т 65Г 09
Шайба 8Т 65Г 09
В узле: 2
9
41242
Штуцер
В узле: 1
10
40989
Прокладка
В узле: 1
11
Манжета 1.2-13х28-2
Манжета 1.2-13х28-2
В узле: 1
12
71128-01
Корпус
В узле: 1
13
71163
Шестерня
В узле: 1
14
32256
Штифт
В узле: 1
15
341
Шпонка
В узле: 1
16
16-72-4
Валик
В узле: 1
17
Болт М8х25.88.019
Болт М8х25.88.019
В узле: 1
18
40999
Прокладка
В узле: 1
19
71134
Фланец
В узле: 1
20
40998
Прокладка
В узле: 1
21
71132
Стекло
В узле: 1
22
71133
Ободок
В узле: 1
23
71124СП
Крышка
В узле: 1
24
16-72-107СП
Трубка
В узле: 1
25
38351
Пружина
В узле: 1
26
Болт М8х16.58.019
Болт М8х16.58.019
В узле: 2
27
32238
Штифт
В узле: 1
28
5721
Отражатель
В узле: 1
29
16-72-1СП
Работомер
В узле: 1
Содержащиеся в справочниках-каталогах запасные части и детали не предлагаются к продаже, а носят исключительно информационный характер

Ваша заявка была отправлена. В ближайшее время наши специалисты с Вами свяжутся по указанному Вами телефону.

Представьтесь
Поле обязательно для заполнения
Ваш телефон
Введите правильный номер телефона
E-mail
Введите правильный e-mail
Тема
Тема
применяемость финансирование доставка цена, наличие другое сервис и гарантия
Время для звонка
08:00
08:00 09:00 10:00 11:00 12:00 13:00 14:00 15:00 16:00 17:00 18:00 19:00
19:00
08:00 09:00 10:00 11:00 12:00 13:00 14:00 15:00 16:00 17:00 18:00 19:00

Мы постараемся перезвонить в указанное время

Если вы не хотите ждать, то звоните нашим вежливым консультантам:

8 800 100-2-700
Подтвердите, что вы не робот
Подтвердите, что вы не робот
Спасибо!

Ваше сообщение успешно отправлено!

ЗакрытьПовторить попытку