Каталог запасных частей к технике: ЧТЗ Т-170М-01. Четырехзвенник

zoom-in zoom-out enlarge shrink circle-right circle-left file-text2 info cart arraw right arraw left zoom out zoom in arraw maximize arraw minimize
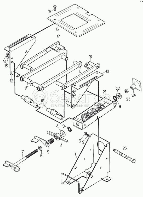
1
2
3
4
5
6
7
8
9
9
10
11
12
13
14
15
16
17
18
19
21
22
23
24
25
50-23-193СП
Тяга
В узле: 1
1
50-23-172СП
Кронштейн
В узле: 1
2
Шайба 12 ОТ 65Г 09
Шайба 12 ОТ 65Г 09
В узле: 4
3
Гайка М12.6.019
Гайка М12.6.019
В узле: 4
4
50-23-193
Ось
В узле: 1
5
50-23-174СП
Втулка
В узле: 1
6
8103
Подшипник
В узле: 1
7
50-23-179СП
Тяга
В узле: 1
8
50-23-196
Накладка
В узле: 2
9
А31.00.109-01
Упор
В узле: 3
10
А31.00.180
3вено
В узле: 2
11
50-23-171СП
Звено
В узле: 2
12
50-23-178СП
Опора
В узле: 1
13
Гайка М8.6.019
Гайка М8.6.019
В узле: 4
14
Шайба 8Т 65Г 09
Шайба 8Т 65Г 09
В узле: 4
15
Болт М8-6gх19.88.35.019
Болт М8-6gх19.88.35.019
В узле: 4
16
50-23-192
Панель
В узле: 1
17
50-23-170СП
Звено
В узле: 1
18
50-23-169СП
Звено
В узле: 1
19
50-23-177СП
Опора
В узле: 1
20
А31.00.110
Пружина
В узле: 1
21
50-23-173СП
Вилка
В узле: 1
22
50-23-196
Накладка
В узле: 2
23
Гайка М16.6.019
Гайка М16.6.019
В узле: 5
24
50-23-175СП
Вставка
В узле: 1
25
50-23-194
Тяга
В узле: 1
Содержащиеся в справочниках-каталогах запасные части и детали не предлагаются к продаже, а носят исключительно информационный характер

Ваша заявка была отправлена. В ближайшее время наши специалисты с Вами свяжутся по указанному Вами телефону.

Представьтесь
Поле обязательно для заполнения
Ваш телефон
Введите правильный номер телефона
E-mail
Введите правильный e-mail
Тема
Тема
применяемость финансирование доставка цена, наличие другое сервис и гарантия
Время для звонка
08:00
08:00 09:00 10:00 11:00 12:00 13:00 14:00 15:00 16:00 17:00 18:00 19:00
19:00
08:00 09:00 10:00 11:00 12:00 13:00 14:00 15:00 16:00 17:00 18:00 19:00

Мы постараемся перезвонить в указанное время

Если вы не хотите ждать, то звоните нашим вежливым консультантам:

8 800 100-2-700
Подтвердите, что вы не робот
Подтвердите, что вы не робот
Спасибо!

Ваше сообщение успешно отправлено!

ЗакрытьПовторить попытку