Каталог запасных частей к технике: ЧТЗ Т-170М-01. Сиденье

zoom-in zoom-out enlarge shrink circle-right circle-left file-text2 info cart arraw right arraw left zoom out zoom in arraw maximize arraw minimize
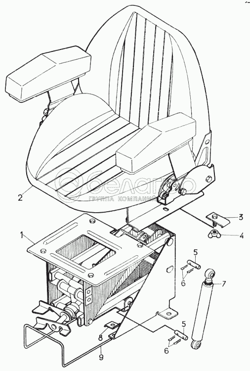
1
2
3
4
5
5
6
6
7
7
7
8
9
50-23-165СП
Сиденье в сборе
В узле: 1
1
50-23-166СП
Четырехзвенник
В узле: 1
2
50-23-167СП
Сиденье
В узле: 1
3
50-23-168СП
Скоба
В узле: 2
4
Гайка М10-45Л.0112
Гайка М10-45Л.0112
В узле: 2
5
28-17-17
Палец
В узле: 2
6
Шплинт 3,2х18
Шплинт 3,2х18
В узле: 2
7
АС20-075.00.000
Амортизатор
В узле: 1
7
АС20-075.00.000Т
Амортизатор
В узле: 1
7
АС20-075.00.000Э
Амортизатор
В узле: 1
8
50-23-191
Планка
В узле: 1
9
50-23-190
Ограждение
В узле: 1
Содержащиеся в справочниках-каталогах запасные части и детали не предлагаются к продаже, а носят исключительно информационный характер

Ваша заявка была отправлена. В ближайшее время наши специалисты с Вами свяжутся по указанному Вами телефону.

Представьтесь
Поле обязательно для заполнения
Ваш телефон
Введите правильный номер телефона
E-mail
Введите правильный e-mail
Тема
Тема
применяемость финансирование доставка цена, наличие другое сервис и гарантия
Время для звонка
08:00
08:00 09:00 10:00 11:00 12:00 13:00 14:00 15:00 16:00 17:00 18:00 19:00
19:00
08:00 09:00 10:00 11:00 12:00 13:00 14:00 15:00 16:00 17:00 18:00 19:00

Мы постараемся перезвонить в указанное время

Если вы не хотите ждать, то звоните нашим вежливым консультантам:

8 800 100-2-700
Подтвердите, что вы не робот
Подтвердите, что вы не робот
Спасибо!

Ваше сообщение успешно отправлено!

ЗакрытьПовторить попытку