Каталог запасных частей к технике: ЧТЗ Т-170М-01. Радиатор

zoom-in zoom-out enlarge shrink circle-right circle-left file-text2 info cart arraw right arraw left zoom out zoom in arraw maximize arraw minimize
1
2
3
4
4
4
4
4
4
4
5
6
6
7
7
8
9
10
10
10
10
11
12
13
14
15
16
16
17
18
18
19
19
20
21
22
23
23
24
25
26
27
28
28
29
30
31
31
31
32
33
34
35
36
37
38
39
40
41
42
43
44
45
46
47
48
49
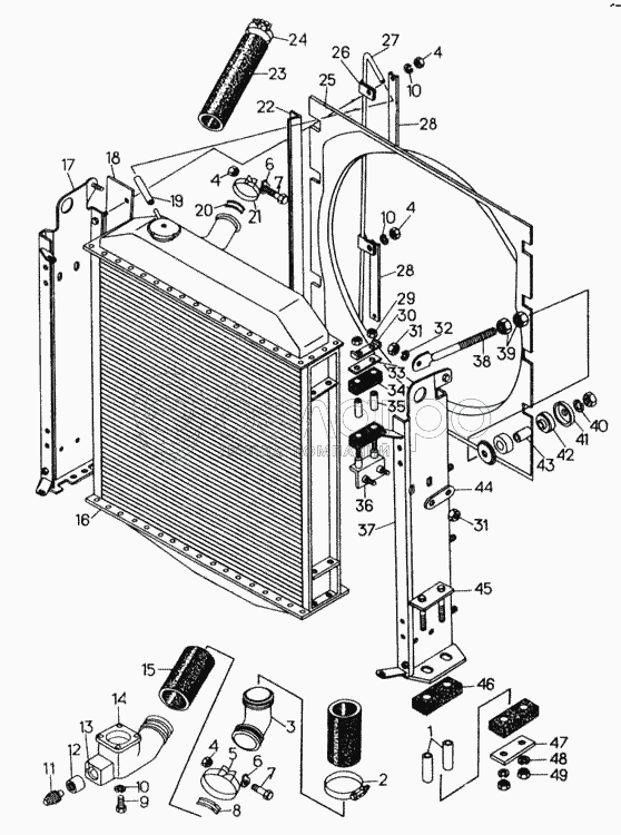
24-08-8-СП
Радиатор с рамой
В узле: 1
24-08-177-СП
Кран
В узле: 1
1
24-08-169
Втулка
В узле: 4
2
700-41-2222-СП
Хомут
В узле: 4
3
50-08-52
Патрубок
В узле: 1
4
Гайка М8.6.019
Гайка М8.6.019
В узле: 8
4
Гайка М8.6.020
Гайка М8.6.020
В узле: 2
4
Гайка М8.6.021
Гайка М8.6.021
В узле: 2
4
Гайка М8.6.022
Гайка М8.6.022
В узле: 2
5
700-41-3328
Лента хомута
В узле: 2
6
700-31-2269
Шайба стопорная
В узле: 2
7
700-28-2176
Болт
В узле: 2
8
700-41-3329
Накладка
В узле: 2
9
Болт М8х 25.88.35.019
Болт М8х 25.88.35.019
В узле: 4
10
Шайба 8Т 65Г 09
Шайба 8Т 65Г 09
В узле: 12
10
Шайба 8Т 65Г 10
Шайба 8Т 65Г 10
В узле: 2
11
700-37-2055
Пробка
В узле: 1
12
21-08-124
Втулка
В узле: 1
13
700-32-2188
Штифт
В узле: 1
14
24-08-172
Корпус крана
В узле: 1
15
700-40-3503
Рукав
В узле: 2
16
130У.13.010-1
Радиатор
В узле: 1
16
130У.13.010-1Т
Радиатор для тропиков
В узле: 1
17
50-08-114-СП
Боковина правая
В узле: 1
18
700-40-3758
Уплотнение
В узле: 2
18
700-40-3758
Уплотнение
В узле: 2
19
700-40-3479
Рукав
В узле: 1
19
700-40-3479
Рукав
В узле: 1
20
37-26-71
Накладка
В узле: 2
21
37-26-70
Лента хомута
В узле: 2
22
24-08-166
Козырек
В узле: 2
23
700-46-2041
Рукав
В узле: 1
23
700-46-2041
Рукав
В узле: 1
24
37-26-139-СП
Хомут
В узле: 2
25
24-08-173
Щиток
В узле: 1
26
8414
Скоба
В узле: 2
27
24-08-192
Трубка
В узле: 1
28
24-08-193
Накладка
В узле: 4
29
Гайка М10.6.019
Гайка М10.6.019
В узле: 8
30
21-08-86
Пластина
В узле: 4
31
3011
Гайка
В узле: 6
31
3011
Гайка
В узле: 8
32
Шайба 12 ОТ 65Г 09
Шайба 12 ОТ 65Г 09
В узле: 6
33
24-08-160
Планка
В узле: 4
34
700-40-4915-1
Амортизатор
В узле: 8
35
24-08-171
Втулка
В узле: 8
36
24-08-174-СП
Уголок
В узле: 4
37
50-08-113-СП
Боковина левая
В узле: 1
38
24-08-181-СП
Раскос
В узле: 2
39
Гайка М18х1,5-6.019
Гайка М18х1,5-6.019
В узле: 6
40
Шайба 18 ОТ 65Г 09
Шайба 18 ОТ 65Г 09
В узле: 2
41
24-08-154
Тарелка амортизатора
В узле: 4
42
700-40-4428
Втулка
В узле: 4
43
24-08-157
Втулка
В узле: 2
44
24-08-164
Пластина
В узле: 4
45
24-08-189-СП
Накладка
В узле: 2
46
700-40-4923
Амортизатор
В узле: 4
47
24-08-168
Накладка
В узле: 2
48
Шайба 16 ОТ 65Г 09
Шайба 16 ОТ 65Г 09
В узле: 4
49
3013
Гайка
В узле: 4
Содержащиеся в справочниках-каталогах запасные части и детали не предлагаются к продаже, а носят исключительно информационный характер

Ваша заявка была отправлена. В ближайшее время наши специалисты с Вами свяжутся по указанному Вами телефону.

Представьтесь
Поле обязательно для заполнения
Ваш телефон
Введите правильный номер телефона
E-mail
Введите правильный e-mail
Тема
Тема
применяемость финансирование доставка цена, наличие другое сервис и гарантия
Время для звонка
08:00
08:00 09:00 10:00 11:00 12:00 13:00 14:00 15:00 16:00 17:00 18:00 19:00
19:00
08:00 09:00 10:00 11:00 12:00 13:00 14:00 15:00 16:00 17:00 18:00 19:00

Мы постараемся перезвонить в указанное время

Если вы не хотите ждать, то звоните нашим вежливым консультантам:

8 800 100-2-700
Подтвердите, что вы не робот
Подтвердите, что вы не робот
Спасибо!

Ваше сообщение успешно отправлено!

ЗакрытьПовторить попытку