Каталог запасных частей к технике: ГАЗ-71. Аккумуляторная батарея

zoom-in zoom-out enlarge shrink circle-right circle-left file-text2 info cart arraw right arraw left zoom out zoom in arraw maximize arraw minimize
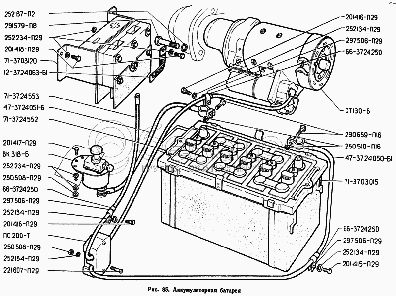
252137-П2
66-3724250
66-3724250
66-3724250
71-3703120
297506-П29
297506-П29
297506-П29
СТ130-Б
71-3724552
252134-П29
252134-П29
252134-П29
252154-П29
252234-П29
252234-П29
ВК318-Б
201415-П29
201416-П29
201416-П29
290659-П16
201417-П29
201418-П29
201416-П29
291579-П8
221607-П29
71-3703015
250510-П16
250508-П29
250508-П29
ПС200-Т
12-3724063-Б1
47-3724051-Б
47-3724050-Б1
71-3724553
252137-П2
Шайба 12.ОТ ОСТ 37.001.115-75
В узле: 2
66-3724250
Прокладка уплотнительная
В узле: 1
66-3724250
Прокладка уплотнительная
В узле: 2
66-3724250
Прокладка уплотнительная
В узле: 5
71-3703120
Розетка внешнего пуска в сборе
В узле: 1
297506-П29
Скоба 16
В узле: 2
297506-П29
Скоба 16
В узле: 5
297506-П29
Скоба 16
В узле: 1
СТ130-Б
Стартер в сборе (Г-66-3708010)
В узле: 1
71-3724552
Провод от соединительной панели к стартеру
В узле: 1
252174-П29
Шайба 2-6 ОСТ 37.001.145-75
В узле: 2
252134-П29
Шайба 6
В узле: 1
252134-П29
Шайба 6
В узле: 2
252134-П29
Шайба 6
В узле: 4
252154-П29
Шайба 6Л ОСТ 37.001.115-75
В узле: 2
252234-П29
Шайба 2-6 ОСТ 37.001.146-75
В узле: 4
252234-П29
Шайба 2-6 ОСТ 37.001.146-75
В узле: 6
252232-П29
Шайба 4
В узле: 1
ВК318-Б
Выключатель ««массы»»
В узле: 1
201415-П29
Болт М6-6gх10 ОСТ 37.001.123-96
В узле: 2
201416-П29
Болт М6-6gх12 ОСТ 37.001.123-96
В узле: 1
290659-П16
Болт М8-6gх30
В узле: 2
201417-П29
Болт М6-6gх14 ОСТ 37.001.123-96
В узле: 3
201418-П29
Болт М6-6gх16 ОСТ 37.001.123-96
В узле: 3
201416-П29
Болт М6-6gх12 ОСТ 37.001.123-96
В узле: 4
291579-П8
Болт М12х140 крепления стартера
В узле: 2
221607-П29
Винт М6-6gх20
В узле: 2
71-3703015
Батарея аккумуляторная с рамкой в сборе
В узле: 1
250510-П16
Гайка М8
В узле: 2
250508-П29
Гайка М6-6Н ОСТ 37.001.124-93
В узле: 2
250508-П29
Гайка М6-6Н ОСТ 37.001.124-93
В узле: 3
ПС200-Т
Панель соединительная в сборе (41Ю-3723030)
В узле: 1
12-3724063-Б1
Провод массы розетки внешнего пуска
В узле: 1
47-3724051-Б
Провод от аккумуляторной батареи к выключателю массы
В узле: 1
47-3724050-Б1
Провод от аккумуляторной батареи к соединительной панели
В узле: 1
71-3724553
Провод от соединительной панели к розетке внешнего пуска
В узле: 1
Содержащиеся в справочниках-каталогах запасные части и детали не предлагаются к продаже, а носят исключительно информационный характер

Ваша заявка была отправлена. В ближайшее время наши специалисты с Вами свяжутся по указанному Вами телефону.

Представьтесь
Поле обязательно для заполнения
Ваш телефон
Введите правильный номер телефона
E-mail
Введите правильный e-mail
Тема
Тема
применяемость финансирование доставка цена, наличие другое сервис и гарантия
Время для звонка
08:00
08:00 09:00 10:00 11:00 12:00 13:00 14:00 15:00 16:00 17:00 18:00 19:00
19:00
08:00 09:00 10:00 11:00 12:00 13:00 14:00 15:00 16:00 17:00 18:00 19:00

Мы постараемся перезвонить в указанное время

Если вы не хотите ждать, то звоните нашим вежливым консультантам:

8 800 100-2-700
Подтвердите, что вы не робот
Подтвердите, что вы не робот
Спасибо!

Ваше сообщение успешно отправлено!

ЗакрытьПовторить попытку